Power Supply Oring Controller . Applications vary widely in their power levels and key performance parameters. Select from ti's ideal diode/oring controllers family of devices. Each application must be considered for its own particular requirements when designing a solution. Improve efficiency and performance in automotive battery input protection and power supply oring applications. Ideal diode/oring controllers parameters, data sheets, and design resources. Power oring is an important tool in creating flexible and redundant powering systems. Eliminates oring diode power dissipation. This article examines how using oring mosfet controllers and power fets in place of oring power diodes can reduce power consumption in high. Find parameters, ordering and quality. Simple, integrated, and inexpensive oring mosfet controller. Oring mosfet drive for 12v (max8535/max8585) and 3.3v or 5v (max8536) bus. Ideal diode controllers, also called or'ing controllers, are devices designed to control an external pass transistor (usually a fet) in a manner that allows.
from www.edn.com
Each application must be considered for its own particular requirements when designing a solution. Ideal diode/oring controllers parameters, data sheets, and design resources. Oring mosfet drive for 12v (max8535/max8585) and 3.3v or 5v (max8536) bus. Select from ti's ideal diode/oring controllers family of devices. This article examines how using oring mosfet controllers and power fets in place of oring power diodes can reduce power consumption in high. Improve efficiency and performance in automotive battery input protection and power supply oring applications. Simple, integrated, and inexpensive oring mosfet controller. Ideal diode controllers, also called or'ing controllers, are devices designed to control an external pass transistor (usually a fet) in a manner that allows. Eliminates oring diode power dissipation. Power oring is an important tool in creating flexible and redundant powering systems.
Use op amps to make automaticORing power selector EDN
Power Supply Oring Controller Eliminates oring diode power dissipation. Find parameters, ordering and quality. Each application must be considered for its own particular requirements when designing a solution. Ideal diode controllers, also called or'ing controllers, are devices designed to control an external pass transistor (usually a fet) in a manner that allows. Simple, integrated, and inexpensive oring mosfet controller. Eliminates oring diode power dissipation. This article examines how using oring mosfet controllers and power fets in place of oring power diodes can reduce power consumption in high. Select from ti's ideal diode/oring controllers family of devices. Power oring is an important tool in creating flexible and redundant powering systems. Ideal diode/oring controllers parameters, data sheets, and design resources. Applications vary widely in their power levels and key performance parameters. Improve efficiency and performance in automotive battery input protection and power supply oring applications. Oring mosfet drive for 12v (max8535/max8585) and 3.3v or 5v (max8536) bus.
From www.electronicdesign.com
How to Choose Power FETs for ORing MOSFET Controllers Electronic Design Power Supply Oring Controller This article examines how using oring mosfet controllers and power fets in place of oring power diodes can reduce power consumption in high. Applications vary widely in their power levels and key performance parameters. Select from ti's ideal diode/oring controllers family of devices. Ideal diode controllers, also called or'ing controllers, are devices designed to control an external pass transistor (usually. Power Supply Oring Controller.
From dokumen.tips
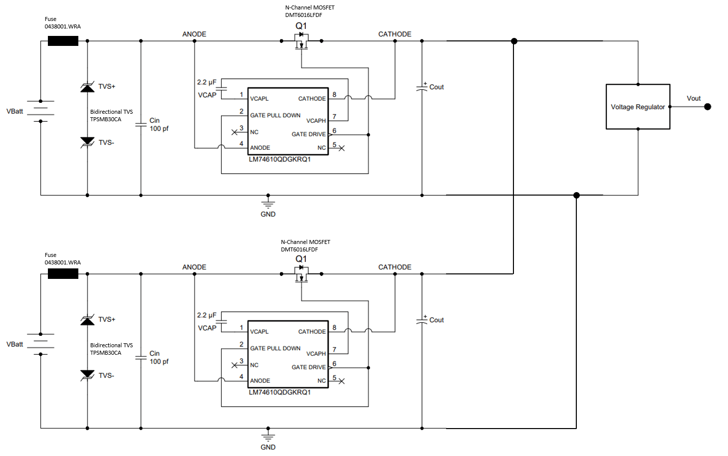
(PDF) N+1 and Oring Power Rail Controller with Enable (Rev. B) · PDF Power Supply Oring Controller Each application must be considered for its own particular requirements when designing a solution. Power oring is an important tool in creating flexible and redundant powering systems. This article examines how using oring mosfet controllers and power fets in place of oring power diodes can reduce power consumption in high. Eliminates oring diode power dissipation. Applications vary widely in their. Power Supply Oring Controller.
From itecnotes.com
Electronic Low Current and Voltage Power Supply ORing Valuable Tech Power Supply Oring Controller Select from ti's ideal diode/oring controllers family of devices. Applications vary widely in their power levels and key performance parameters. Ideal diode/oring controllers parameters, data sheets, and design resources. Oring mosfet drive for 12v (max8535/max8585) and 3.3v or 5v (max8536) bus. This article examines how using oring mosfet controllers and power fets in place of oring power diodes can reduce. Power Supply Oring Controller.
From e2e.ti.com
LM66100 Best topology for ORING battery and USB power sources with RPP Power Supply Oring Controller This article examines how using oring mosfet controllers and power fets in place of oring power diodes can reduce power consumption in high. Find parameters, ordering and quality. Ideal diode controllers, also called or'ing controllers, are devices designed to control an external pass transistor (usually a fet) in a manner that allows. Power oring is an important tool in creating. Power Supply Oring Controller.
From www.belfuse.com
LDXD50 Active ORing Controller Bel Fuse Power Supply Oring Controller Improve efficiency and performance in automotive battery input protection and power supply oring applications. Each application must be considered for its own particular requirements when designing a solution. Eliminates oring diode power dissipation. Find parameters, ordering and quality. This article examines how using oring mosfet controllers and power fets in place of oring power diodes can reduce power consumption in. Power Supply Oring Controller.
From www.alrezaenterprise.com
ORING DIODE POWERTEC 1K0S D24 ORD2 POWER SUPPLY 24VDC 30A Power Supply Oring Controller Oring mosfet drive for 12v (max8535/max8585) and 3.3v or 5v (max8536) bus. Ideal diode/oring controllers parameters, data sheets, and design resources. Simple, integrated, and inexpensive oring mosfet controller. Select from ti's ideal diode/oring controllers family of devices. Eliminates oring diode power dissipation. Improve efficiency and performance in automotive battery input protection and power supply oring applications. Find parameters, ordering and. Power Supply Oring Controller.
From www.analog.com
Dual Ideal Diode Controller Replaces Two Schottky Diodes to Provide Power Supply Oring Controller Applications vary widely in their power levels and key performance parameters. This article examines how using oring mosfet controllers and power fets in place of oring power diodes can reduce power consumption in high. Improve efficiency and performance in automotive battery input protection and power supply oring applications. Find parameters, ordering and quality. Eliminates oring diode power dissipation. Simple, integrated,. Power Supply Oring Controller.
From www.renesas.cn
ISL6144 High Voltage ORing MOSFET Controller Renesas Power Supply Oring Controller Each application must be considered for its own particular requirements when designing a solution. This article examines how using oring mosfet controllers and power fets in place of oring power diodes can reduce power consumption in high. Ideal diode/oring controllers parameters, data sheets, and design resources. Eliminates oring diode power dissipation. Applications vary widely in their power levels and key. Power Supply Oring Controller.
From www.edn.com
Integrated ORing controller and MOSFETs run fast and cool for redundant Power Supply Oring Controller Simple, integrated, and inexpensive oring mosfet controller. Eliminates oring diode power dissipation. This article examines how using oring mosfet controllers and power fets in place of oring power diodes can reduce power consumption in high. Improve efficiency and performance in automotive battery input protection and power supply oring applications. Power oring is an important tool in creating flexible and redundant. Power Supply Oring Controller.
From html.alldatasheetcn.com
TPS2412DR datasheet(1/29 Pages) TI1 ORing Power Rail Controller Power Supply Oring Controller Find parameters, ordering and quality. Ideal diode/oring controllers parameters, data sheets, and design resources. Applications vary widely in their power levels and key performance parameters. This article examines how using oring mosfet controllers and power fets in place of oring power diodes can reduce power consumption in high. Eliminates oring diode power dissipation. Oring mosfet drive for 12v (max8535/max8585) and. Power Supply Oring Controller.
From www.indiamart.com
Doide ORing Module Redundant Power Supply., Model Name/Number SSMDOR Power Supply Oring Controller Ideal diode controllers, also called or'ing controllers, are devices designed to control an external pass transistor (usually a fet) in a manner that allows. Improve efficiency and performance in automotive battery input protection and power supply oring applications. Ideal diode/oring controllers parameters, data sheets, and design resources. This article examines how using oring mosfet controllers and power fets in place. Power Supply Oring Controller.
From electronics.stackexchange.com
Power ORing using PChannel MOSFETs Electrical Engineering Stack Exchange Power Supply Oring Controller Simple, integrated, and inexpensive oring mosfet controller. Ideal diode/oring controllers parameters, data sheets, and design resources. Applications vary widely in their power levels and key performance parameters. Power oring is an important tool in creating flexible and redundant powering systems. Each application must be considered for its own particular requirements when designing a solution. This article examines how using oring. Power Supply Oring Controller.
From www.alrezaenterprise.com
ORING DIODE POWERTEC 1K0S D24 ORD2 POWER SUPPLY 24VDC 30A Power Supply Oring Controller Applications vary widely in their power levels and key performance parameters. Power oring is an important tool in creating flexible and redundant powering systems. Select from ti's ideal diode/oring controllers family of devices. Find parameters, ordering and quality. Oring mosfet drive for 12v (max8535/max8585) and 3.3v or 5v (max8536) bus. Ideal diode/oring controllers parameters, data sheets, and design resources. Eliminates. Power Supply Oring Controller.
From www.edn.com
Use op amps to make automaticORing power selector EDN Power Supply Oring Controller This article examines how using oring mosfet controllers and power fets in place of oring power diodes can reduce power consumption in high. Ideal diode/oring controllers parameters, data sheets, and design resources. Each application must be considered for its own particular requirements when designing a solution. Find parameters, ordering and quality. Simple, integrated, and inexpensive oring mosfet controller. Ideal diode. Power Supply Oring Controller.
From www.analog.com
MAX5079 ORing MOSFET Controller with UltraFast 200ns TurnOff Analog Power Supply Oring Controller This article examines how using oring mosfet controllers and power fets in place of oring power diodes can reduce power consumption in high. Find parameters, ordering and quality. Improve efficiency and performance in automotive battery input protection and power supply oring applications. Select from ti's ideal diode/oring controllers family of devices. Oring mosfet drive for 12v (max8535/max8585) and 3.3v or. Power Supply Oring Controller.
From www.belfuse.com
LDXD20 Active ORing Controller Bel Fuse Power Supply Oring Controller Find parameters, ordering and quality. Ideal diode/oring controllers parameters, data sheets, and design resources. Each application must be considered for its own particular requirements when designing a solution. Eliminates oring diode power dissipation. Select from ti's ideal diode/oring controllers family of devices. Improve efficiency and performance in automotive battery input protection and power supply oring applications. Oring mosfet drive for. Power Supply Oring Controller.
From datasheetspdf.com
IR5001 Datasheet UNIVERSAL ACTIVE ORING CONTROLLER Power Supply Oring Controller This article examines how using oring mosfet controllers and power fets in place of oring power diodes can reduce power consumption in high. Oring mosfet drive for 12v (max8535/max8585) and 3.3v or 5v (max8536) bus. Power oring is an important tool in creating flexible and redundant powering systems. Eliminates oring diode power dissipation. Simple, integrated, and inexpensive oring mosfet controller.. Power Supply Oring Controller.
From analogdesigns.blogspot.com
Analog Designs By V.P.Joshi DIODE ORING WITH MOSFET AND DEDICATED Power Supply Oring Controller Each application must be considered for its own particular requirements when designing a solution. Eliminates oring diode power dissipation. Ideal diode controllers, also called or'ing controllers, are devices designed to control an external pass transistor (usually a fet) in a manner that allows. Ideal diode/oring controllers parameters, data sheets, and design resources. Power oring is an important tool in creating. Power Supply Oring Controller.
From www.ti.com.cn
LM50501 高侧 ORing FET 控制器 德州仪器 Power Supply Oring Controller Improve efficiency and performance in automotive battery input protection and power supply oring applications. Select from ti's ideal diode/oring controllers family of devices. This article examines how using oring mosfet controllers and power fets in place of oring power diodes can reduce power consumption in high. Applications vary widely in their power levels and key performance parameters. Ideal diode/oring controllers. Power Supply Oring Controller.
From www.alrezaenterprise.com
ORING DIODE POWERTEC 1K0S D24 ORD2 POWER SUPPLY 24VDC 30A Power Supply Oring Controller Power oring is an important tool in creating flexible and redundant powering systems. This article examines how using oring mosfet controllers and power fets in place of oring power diodes can reduce power consumption in high. Each application must be considered for its own particular requirements when designing a solution. Improve efficiency and performance in automotive battery input protection and. Power Supply Oring Controller.
From www.eenewsautomotive.com
Ideal Diode Controller with Reverse Input Protection for Automotive and Power Supply Oring Controller This article examines how using oring mosfet controllers and power fets in place of oring power diodes can reduce power consumption in high. Ideal diode controllers, also called or'ing controllers, are devices designed to control an external pass transistor (usually a fet) in a manner that allows. Oring mosfet drive for 12v (max8535/max8585) and 3.3v or 5v (max8536) bus. Simple,. Power Supply Oring Controller.
From e2e.ti.com
LM5050MK1EVAL ORing circuit using LM5050MK1 Power management forum Power Supply Oring Controller Applications vary widely in their power levels and key performance parameters. Improve efficiency and performance in automotive battery input protection and power supply oring applications. Ideal diode controllers, also called or'ing controllers, are devices designed to control an external pass transistor (usually a fet) in a manner that allows. Each application must be considered for its own particular requirements when. Power Supply Oring Controller.
From www.electronicdesign.com
How to Choose Power FETs for ORing MOSFET Controllers Electronic Design Power Supply Oring Controller Select from ti's ideal diode/oring controllers family of devices. This article examines how using oring mosfet controllers and power fets in place of oring power diodes can reduce power consumption in high. Eliminates oring diode power dissipation. Find parameters, ordering and quality. Power oring is an important tool in creating flexible and redundant powering systems. Improve efficiency and performance in. Power Supply Oring Controller.
From www.analog.com
MAX8536 ORing MOSFET Controllers with Fastest Fault Isolation for Power Supply Oring Controller Applications vary widely in their power levels and key performance parameters. Ideal diode/oring controllers parameters, data sheets, and design resources. Each application must be considered for its own particular requirements when designing a solution. Eliminates oring diode power dissipation. Simple, integrated, and inexpensive oring mosfet controller. Ideal diode controllers, also called or'ing controllers, are devices designed to control an external. Power Supply Oring Controller.
From www.controldesign.com
Power Supplies Phoenix Contact's Quint ORing Module Control Design Power Supply Oring Controller Eliminates oring diode power dissipation. Each application must be considered for its own particular requirements when designing a solution. Find parameters, ordering and quality. Ideal diode/oring controllers parameters, data sheets, and design resources. Improve efficiency and performance in automotive battery input protection and power supply oring applications. Ideal diode controllers, also called or'ing controllers, are devices designed to control an. Power Supply Oring Controller.
From eureka.patsnap.com
ORing MOSFET control circuit and power supply parallel system Eureka Power Supply Oring Controller Eliminates oring diode power dissipation. Each application must be considered for its own particular requirements when designing a solution. Power oring is an important tool in creating flexible and redundant powering systems. Select from ti's ideal diode/oring controllers family of devices. Oring mosfet drive for 12v (max8535/max8585) and 3.3v or 5v (max8536) bus. Simple, integrated, and inexpensive oring mosfet controller.. Power Supply Oring Controller.
From www.electronicsweekly.com
Updated Active OR controller powers up to 400V Power Supply Oring Controller Simple, integrated, and inexpensive oring mosfet controller. Improve efficiency and performance in automotive battery input protection and power supply oring applications. Select from ti's ideal diode/oring controllers family of devices. Power oring is an important tool in creating flexible and redundant powering systems. Each application must be considered for its own particular requirements when designing a solution. Ideal diode/oring controllers. Power Supply Oring Controller.
From www.newelectronics.co.uk
Avoiding power brownouts in high availability systems Power Supply Oring Controller Find parameters, ordering and quality. This article examines how using oring mosfet controllers and power fets in place of oring power diodes can reduce power consumption in high. Applications vary widely in their power levels and key performance parameters. Power oring is an important tool in creating flexible and redundant powering systems. Oring mosfet drive for 12v (max8535/max8585) and 3.3v. Power Supply Oring Controller.
From eureka.patsnap.com
ORing MOSFET control circuit and power supply parallel system Eureka Power Supply Oring Controller Eliminates oring diode power dissipation. Find parameters, ordering and quality. Power oring is an important tool in creating flexible and redundant powering systems. Each application must be considered for its own particular requirements when designing a solution. Simple, integrated, and inexpensive oring mosfet controller. Applications vary widely in their power levels and key performance parameters. Oring mosfet drive for 12v. Power Supply Oring Controller.
From www.alrezaenterprise.com
ORING DIODE POWERTEC 1K0S D24 ORD2 POWER SUPPLY 24VDC 30A Power Supply Oring Controller Power oring is an important tool in creating flexible and redundant powering systems. Ideal diode/oring controllers parameters, data sheets, and design resources. This article examines how using oring mosfet controllers and power fets in place of oring power diodes can reduce power consumption in high. Oring mosfet drive for 12v (max8535/max8585) and 3.3v or 5v (max8536) bus. Applications vary widely. Power Supply Oring Controller.
From www.scribd.com
Active Oring Controller Module Description PDF Power Supply Mosfet Power Supply Oring Controller This article examines how using oring mosfet controllers and power fets in place of oring power diodes can reduce power consumption in high. Applications vary widely in their power levels and key performance parameters. Power oring is an important tool in creating flexible and redundant powering systems. Oring mosfet drive for 12v (max8535/max8585) and 3.3v or 5v (max8536) bus. Improve. Power Supply Oring Controller.
From www.alrezaenterprise.com
ORING DIODE POWERTEC 1K0S D24 ORD2 POWER SUPPLY 24VDC 30A Power Supply Oring Controller Simple, integrated, and inexpensive oring mosfet controller. Find parameters, ordering and quality. Oring mosfet drive for 12v (max8535/max8585) and 3.3v or 5v (max8536) bus. Eliminates oring diode power dissipation. Applications vary widely in their power levels and key performance parameters. Power oring is an important tool in creating flexible and redundant powering systems. This article examines how using oring mosfet. Power Supply Oring Controller.
From www.digikey.ca
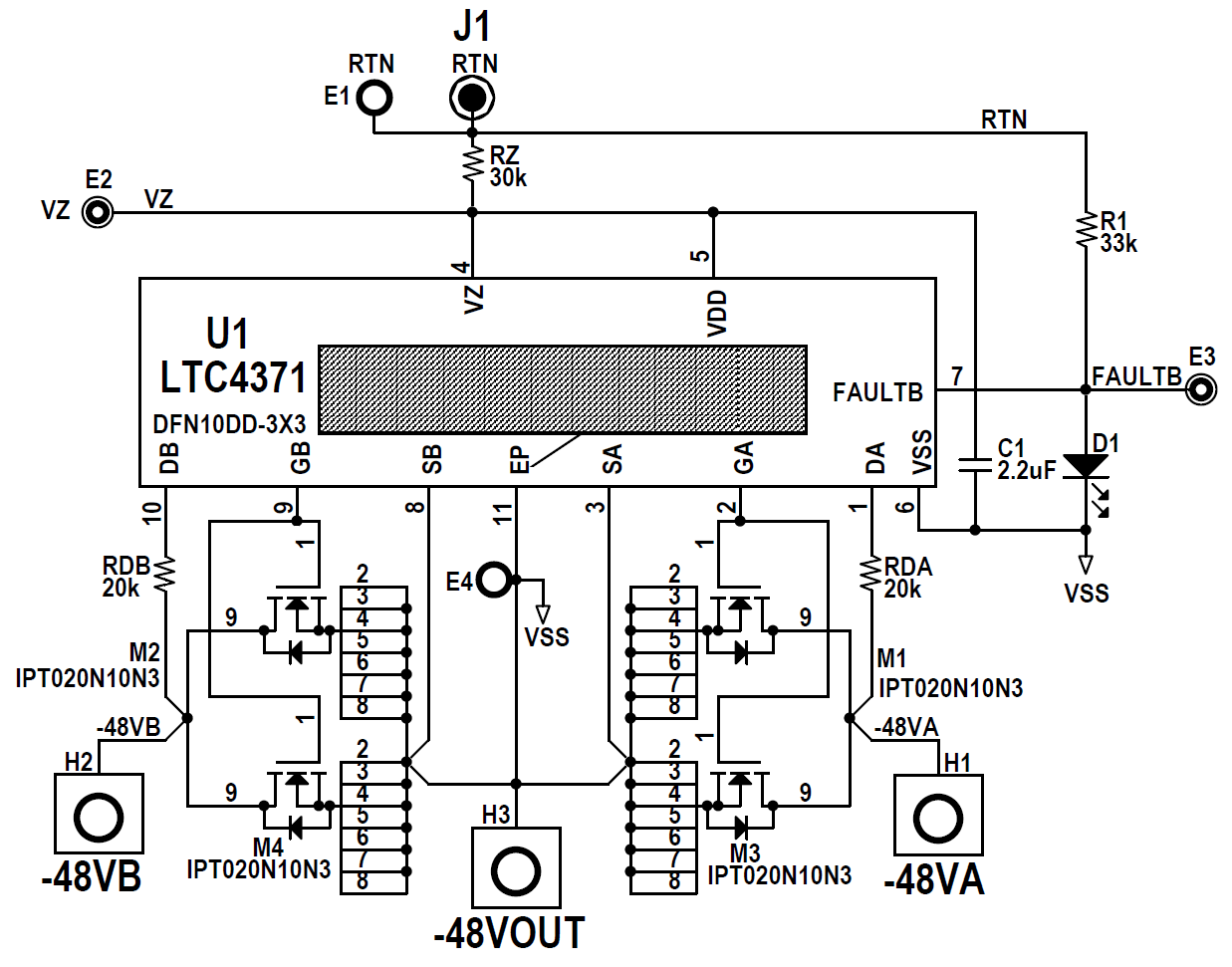
DC2180A Dual Negative Voltage Ideal Diode ORing Controller and Monitor Power Supply Oring Controller Applications vary widely in their power levels and key performance parameters. Each application must be considered for its own particular requirements when designing a solution. Find parameters, ordering and quality. Power oring is an important tool in creating flexible and redundant powering systems. Eliminates oring diode power dissipation. Improve efficiency and performance in automotive battery input protection and power supply. Power Supply Oring Controller.
From www.eeweb.com
ORing Controllers for Redundant Power EE Power Supply Oring Controller Oring mosfet drive for 12v (max8535/max8585) and 3.3v or 5v (max8536) bus. Power oring is an important tool in creating flexible and redundant powering systems. Improve efficiency and performance in automotive battery input protection and power supply oring applications. Select from ti's ideal diode/oring controllers family of devices. Find parameters, ordering and quality. Ideal diode controllers, also called or'ing controllers,. Power Supply Oring Controller.
From www.directindustry.com
AC/DC power supply RPM130AC Oring Industrial Networking Corp Power Supply Oring Controller Ideal diode controllers, also called or'ing controllers, are devices designed to control an external pass transistor (usually a fet) in a manner that allows. Improve efficiency and performance in automotive battery input protection and power supply oring applications. Oring mosfet drive for 12v (max8535/max8585) and 3.3v or 5v (max8536) bus. Select from ti's ideal diode/oring controllers family of devices. Applications. Power Supply Oring Controller.