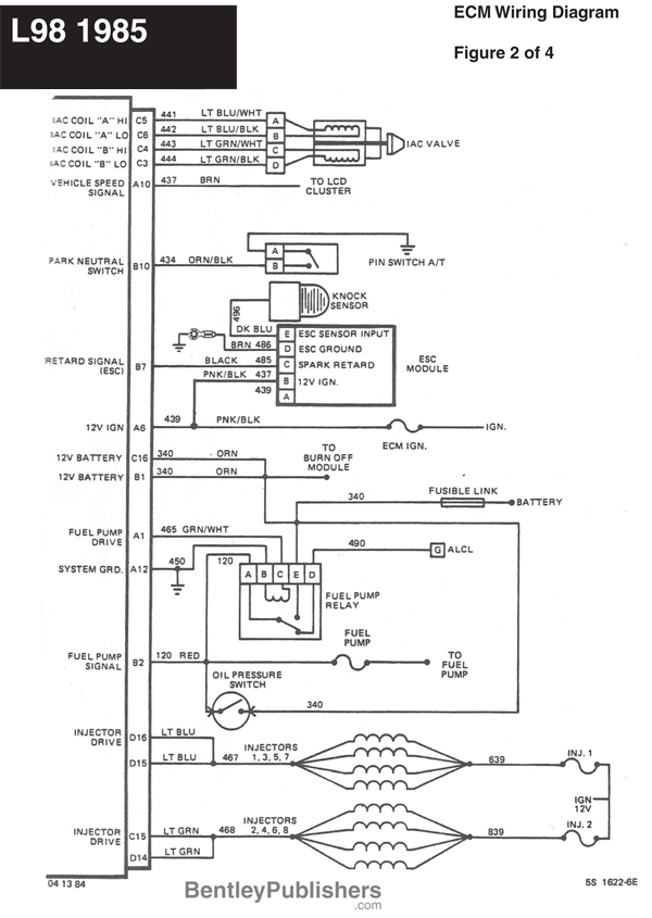
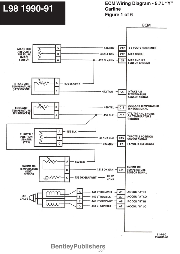
L98 Wiring Harness Diagram . By faaloua92 » tue aug 15, 2017 8:36 am. Ve v6 ly7 & v8 l98 ls2 ecm wiring diagram. We are ls wiring harness & ls conversion wiring specialists, stocking a range of ls swap wiring solutions such as ls standalone harnesses and haltech terminated kits, ls. The l98 engine wiring diagram is an essential component of a vehicle’s electronic architecture. What year engine is it and is. How would i by pass the inhibitor. Plug wires 1, 2, and 3 route behind the. Do you need a wiring diagram? The l98 engine wiring diagram is an incredibly helpful tool for car owners and mechanics alike. They will be routed under the rh/lh injectors wiring harness, and up to the distributor.
from garage.grumpysperformance.com
How would i by pass the inhibitor. Do you need a wiring diagram? The l98 engine wiring diagram is an incredibly helpful tool for car owners and mechanics alike. By faaloua92 » tue aug 15, 2017 8:36 am. They will be routed under the rh/lh injectors wiring harness, and up to the distributor. Ve v6 ly7 & v8 l98 ls2 ecm wiring diagram. We are ls wiring harness & ls conversion wiring specialists, stocking a range of ls swap wiring solutions such as ls standalone harnesses and haltech terminated kits, ls. What year engine is it and is. Plug wires 1, 2, and 3 route behind the. The l98 engine wiring diagram is an essential component of a vehicle’s electronic architecture.
l98 corvette wire diagrams Grumpys Performance Garage
L98 Wiring Harness Diagram We are ls wiring harness & ls conversion wiring specialists, stocking a range of ls swap wiring solutions such as ls standalone harnesses and haltech terminated kits, ls. By faaloua92 » tue aug 15, 2017 8:36 am. Ve v6 ly7 & v8 l98 ls2 ecm wiring diagram. The l98 engine wiring diagram is an essential component of a vehicle’s electronic architecture. Do you need a wiring diagram? Plug wires 1, 2, and 3 route behind the. They will be routed under the rh/lh injectors wiring harness, and up to the distributor. How would i by pass the inhibitor. We are ls wiring harness & ls conversion wiring specialists, stocking a range of ls swap wiring solutions such as ls standalone harnesses and haltech terminated kits, ls. What year engine is it and is. The l98 engine wiring diagram is an incredibly helpful tool for car owners and mechanics alike.
From glorycycles.com
10 Best L98 Wiring Harness [2024 UPDATED RANKINGS] Glory Cycles L98 Wiring Harness Diagram Ve v6 ly7 & v8 l98 ls2 ecm wiring diagram. How would i by pass the inhibitor. Do you need a wiring diagram? The l98 engine wiring diagram is an incredibly helpful tool for car owners and mechanics alike. We are ls wiring harness & ls conversion wiring specialists, stocking a range of ls swap wiring solutions such as ls. L98 Wiring Harness Diagram.
From www.corvetteforum.com
1986 Corvette wiring harness CorvetteForum Chevrolet Corvette Forum L98 Wiring Harness Diagram We are ls wiring harness & ls conversion wiring specialists, stocking a range of ls swap wiring solutions such as ls standalone harnesses and haltech terminated kits, ls. The l98 engine wiring diagram is an incredibly helpful tool for car owners and mechanics alike. What year engine is it and is. Plug wires 1, 2, and 3 route behind the.. L98 Wiring Harness Diagram.
From wiringdiagramall.blogspot.com
L98 Engine Wiring Diagram L98 Wiring Harness Diagram By faaloua92 » tue aug 15, 2017 8:36 am. We are ls wiring harness & ls conversion wiring specialists, stocking a range of ls swap wiring solutions such as ls standalone harnesses and haltech terminated kits, ls. Plug wires 1, 2, and 3 route behind the. Ve v6 ly7 & v8 l98 ls2 ecm wiring diagram. The l98 engine wiring. L98 Wiring Harness Diagram.
From garage.grumpysperformance.com
l98 corvette wire diagrams Grumpys Performance Garage L98 Wiring Harness Diagram How would i by pass the inhibitor. The l98 engine wiring diagram is an essential component of a vehicle’s electronic architecture. Plug wires 1, 2, and 3 route behind the. By faaloua92 » tue aug 15, 2017 8:36 am. They will be routed under the rh/lh injectors wiring harness, and up to the distributor. Do you need a wiring diagram?. L98 Wiring Harness Diagram.
From garage.grumpysperformance.com
l98 corvette wire diagrams Grumpys Performance Garage L98 Wiring Harness Diagram What year engine is it and is. Ve v6 ly7 & v8 l98 ls2 ecm wiring diagram. The l98 engine wiring diagram is an essential component of a vehicle’s electronic architecture. How would i by pass the inhibitor. By faaloua92 » tue aug 15, 2017 8:36 am. Do you need a wiring diagram? The l98 engine wiring diagram is an. L98 Wiring Harness Diagram.
From agus-miblog20111.blogspot.com
98 Chevy Lumina Engine Diagram 98 Chevy Lumina Engine Diagram Wiring L98 Wiring Harness Diagram The l98 engine wiring diagram is an essential component of a vehicle’s electronic architecture. How would i by pass the inhibitor. What year engine is it and is. By faaloua92 » tue aug 15, 2017 8:36 am. Plug wires 1, 2, and 3 route behind the. They will be routed under the rh/lh injectors wiring harness, and up to the. L98 Wiring Harness Diagram.
From www.wiringdigital.com
L98 Engine Wiring Diagram Wiring Digital and Schematic L98 Wiring Harness Diagram Do you need a wiring diagram? How would i by pass the inhibitor. They will be routed under the rh/lh injectors wiring harness, and up to the distributor. The l98 engine wiring diagram is an essential component of a vehicle’s electronic architecture. We are ls wiring harness & ls conversion wiring specialists, stocking a range of ls swap wiring solutions. L98 Wiring Harness Diagram.
From www.michiganmotorsports.com
TPI TBI Intake Air Temp Sensor Wiring Harness IAT L98 Tuned Port L98 Wiring Harness Diagram They will be routed under the rh/lh injectors wiring harness, and up to the distributor. The l98 engine wiring diagram is an essential component of a vehicle’s electronic architecture. How would i by pass the inhibitor. We are ls wiring harness & ls conversion wiring specialists, stocking a range of ls swap wiring solutions such as ls standalone harnesses and. L98 Wiring Harness Diagram.
From guidepartcrinoidal.z19.web.core.windows.net
L98 Ecu Wiring Diagram L98 Wiring Harness Diagram Ve v6 ly7 & v8 l98 ls2 ecm wiring diagram. We are ls wiring harness & ls conversion wiring specialists, stocking a range of ls swap wiring solutions such as ls standalone harnesses and haltech terminated kits, ls. How would i by pass the inhibitor. Plug wires 1, 2, and 3 route behind the. By faaloua92 » tue aug 15,. L98 Wiring Harness Diagram.
From www.thirdgen.org
L98 Wiring Third Generation FBody Message Boards L98 Wiring Harness Diagram They will be routed under the rh/lh injectors wiring harness, and up to the distributor. The l98 engine wiring diagram is an essential component of a vehicle’s electronic architecture. We are ls wiring harness & ls conversion wiring specialists, stocking a range of ls swap wiring solutions such as ls standalone harnesses and haltech terminated kits, ls. How would i. L98 Wiring Harness Diagram.
From www.thirdgen.org
L98 Wiring Third Generation FBody Message Boards L98 Wiring Harness Diagram The l98 engine wiring diagram is an incredibly helpful tool for car owners and mechanics alike. How would i by pass the inhibitor. They will be routed under the rh/lh injectors wiring harness, and up to the distributor. Plug wires 1, 2, and 3 route behind the. By faaloua92 » tue aug 15, 2017 8:36 am. The l98 engine wiring. L98 Wiring Harness Diagram.
From wiringdiagramall.blogspot.com
L98 Engine Wiring Diagram L98 Wiring Harness Diagram We are ls wiring harness & ls conversion wiring specialists, stocking a range of ls swap wiring solutions such as ls standalone harnesses and haltech terminated kits, ls. They will be routed under the rh/lh injectors wiring harness, and up to the distributor. Plug wires 1, 2, and 3 route behind the. By faaloua92 » tue aug 15, 2017 8:36. L98 Wiring Harness Diagram.
From kdi-ppi.com
A Complete Guide to Engine Wiring Harness Diagrams L98 Wiring Harness Diagram They will be routed under the rh/lh injectors wiring harness, and up to the distributor. Ve v6 ly7 & v8 l98 ls2 ecm wiring diagram. We are ls wiring harness & ls conversion wiring specialists, stocking a range of ls swap wiring solutions such as ls standalone harnesses and haltech terminated kits, ls. By faaloua92 » tue aug 15, 2017. L98 Wiring Harness Diagram.
From www.michiganmotorsports.com
TPI TBI Intake Air Temp Sensor Wiring Harness IAT L98 Tuned Port L98 Wiring Harness Diagram How would i by pass the inhibitor. The l98 engine wiring diagram is an incredibly helpful tool for car owners and mechanics alike. The l98 engine wiring diagram is an essential component of a vehicle’s electronic architecture. By faaloua92 » tue aug 15, 2017 8:36 am. What year engine is it and is. Do you need a wiring diagram? Ve. L98 Wiring Harness Diagram.
From chevrolet.7zap.com
POWERTRAIN & ENGINE HARNESS (LS1, L76, L98, LS2) diagram CHEVROLET L98 Wiring Harness Diagram The l98 engine wiring diagram is an essential component of a vehicle’s electronic architecture. How would i by pass the inhibitor. What year engine is it and is. The l98 engine wiring diagram is an incredibly helpful tool for car owners and mechanics alike. By faaloua92 » tue aug 15, 2017 8:36 am. Plug wires 1, 2, and 3 route. L98 Wiring Harness Diagram.
From www.wiringdigital.com
L98 Engine Wiring Diagram » Wiring Digital And Schematic L98 Wiring Harness Diagram They will be routed under the rh/lh injectors wiring harness, and up to the distributor. Ve v6 ly7 & v8 l98 ls2 ecm wiring diagram. The l98 engine wiring diagram is an essential component of a vehicle’s electronic architecture. The l98 engine wiring diagram is an incredibly helpful tool for car owners and mechanics alike. Do you need a wiring. L98 Wiring Harness Diagram.
From garage.grumpysperformance.com
l98 corvette wire diagrams Grumpys Performance Garage L98 Wiring Harness Diagram Ve v6 ly7 & v8 l98 ls2 ecm wiring diagram. What year engine is it and is. By faaloua92 » tue aug 15, 2017 8:36 am. The l98 engine wiring diagram is an incredibly helpful tool for car owners and mechanics alike. Do you need a wiring diagram? How would i by pass the inhibitor. They will be routed under. L98 Wiring Harness Diagram.
From www.pinterest.com
Pin On 240sx Wiring Diagram L98 Engine 1985 1991 Gfcv Tech Bentley 1994 L98 Wiring Harness Diagram Do you need a wiring diagram? They will be routed under the rh/lh injectors wiring harness, and up to the distributor. By faaloua92 » tue aug 15, 2017 8:36 am. What year engine is it and is. How would i by pass the inhibitor. We are ls wiring harness & ls conversion wiring specialists, stocking a range of ls swap. L98 Wiring Harness Diagram.
From www.corvettesalvage.com
C4 Used L98 Forward Lamp Wiring Harness 1991 Dino's Corvette Salvage L98 Wiring Harness Diagram Plug wires 1, 2, and 3 route behind the. How would i by pass the inhibitor. Do you need a wiring diagram? We are ls wiring harness & ls conversion wiring specialists, stocking a range of ls swap wiring solutions such as ls standalone harnesses and haltech terminated kits, ls. The l98 engine wiring diagram is an incredibly helpful tool. L98 Wiring Harness Diagram.
From www.circuitdiagram.co
1988 Corvette Ecm Wiring Diagram Circuit Diagram L98 Wiring Harness Diagram Ve v6 ly7 & v8 l98 ls2 ecm wiring diagram. They will be routed under the rh/lh injectors wiring harness, and up to the distributor. How would i by pass the inhibitor. What year engine is it and is. The l98 engine wiring diagram is an incredibly helpful tool for car owners and mechanics alike. We are ls wiring harness. L98 Wiring Harness Diagram.
From www.corvetteforum.com
FS (For Sale) Complete L98 TPI Engine Harness with ECM CorvetteForum L98 Wiring Harness Diagram Do you need a wiring diagram? What year engine is it and is. Ve v6 ly7 & v8 l98 ls2 ecm wiring diagram. By faaloua92 » tue aug 15, 2017 8:36 am. The l98 engine wiring diagram is an incredibly helpful tool for car owners and mechanics alike. How would i by pass the inhibitor. Plug wires 1, 2, and. L98 Wiring Harness Diagram.
From glorycycles.com
10 Best L98 Wiring Harness [2024 UPDATED RANKINGS] Glory Cycles L98 Wiring Harness Diagram By faaloua92 » tue aug 15, 2017 8:36 am. Ve v6 ly7 & v8 l98 ls2 ecm wiring diagram. Do you need a wiring diagram? They will be routed under the rh/lh injectors wiring harness, and up to the distributor. We are ls wiring harness & ls conversion wiring specialists, stocking a range of ls swap wiring solutions such as. L98 Wiring Harness Diagram.
From www.youtube.com
Getting started on the Wiring L98 80 Series Episode 5 YouTube L98 Wiring Harness Diagram Do you need a wiring diagram? What year engine is it and is. The l98 engine wiring diagram is an incredibly helpful tool for car owners and mechanics alike. They will be routed under the rh/lh injectors wiring harness, and up to the distributor. By faaloua92 » tue aug 15, 2017 8:36 am. Plug wires 1, 2, and 3 route. L98 Wiring Harness Diagram.
From guidepartcrinoidal.z19.web.core.windows.net
L98 Ecu Wiring Diagram L98 Wiring Harness Diagram The l98 engine wiring diagram is an incredibly helpful tool for car owners and mechanics alike. They will be routed under the rh/lh injectors wiring harness, and up to the distributor. What year engine is it and is. The l98 engine wiring diagram is an essential component of a vehicle’s electronic architecture. Do you need a wiring diagram? We are. L98 Wiring Harness Diagram.
From www.corvetteforum.com
Info needed 1989 C4 L98 TPI swap into 1979 Impala Caprice BBody L98 Wiring Harness Diagram Plug wires 1, 2, and 3 route behind the. We are ls wiring harness & ls conversion wiring specialists, stocking a range of ls swap wiring solutions such as ls standalone harnesses and haltech terminated kits, ls. The l98 engine wiring diagram is an incredibly helpful tool for car owners and mechanics alike. They will be routed under the rh/lh. L98 Wiring Harness Diagram.
From www.wiringdigital.com
L98 Engine Wiring Diagram » Wiring Digital And Schematic L98 Wiring Harness Diagram Do you need a wiring diagram? What year engine is it and is. By faaloua92 » tue aug 15, 2017 8:36 am. The l98 engine wiring diagram is an essential component of a vehicle’s electronic architecture. Ve v6 ly7 & v8 l98 ls2 ecm wiring diagram. How would i by pass the inhibitor. The l98 engine wiring diagram is an. L98 Wiring Harness Diagram.
From s1207.photobucket.com
90 C4 Bat Cables Photo by waynep712 Photobucket L98 Wiring Harness Diagram The l98 engine wiring diagram is an incredibly helpful tool for car owners and mechanics alike. Do you need a wiring diagram? Plug wires 1, 2, and 3 route behind the. How would i by pass the inhibitor. The l98 engine wiring diagram is an essential component of a vehicle’s electronic architecture. They will be routed under the rh/lh injectors. L98 Wiring Harness Diagram.
From www.michiganmotorsports.com
TPI TBI Intake Air Temp Sensor Wiring Harness IAT L98 Tuned Port L98 Wiring Harness Diagram What year engine is it and is. Ve v6 ly7 & v8 l98 ls2 ecm wiring diagram. The l98 engine wiring diagram is an incredibly helpful tool for car owners and mechanics alike. The l98 engine wiring diagram is an essential component of a vehicle’s electronic architecture. Do you need a wiring diagram? By faaloua92 » tue aug 15, 2017. L98 Wiring Harness Diagram.
From www.corvetteforum.com
FS (For Sale) Complete L98 TPI Engine Harness with ECM CorvetteForum L98 Wiring Harness Diagram We are ls wiring harness & ls conversion wiring specialists, stocking a range of ls swap wiring solutions such as ls standalone harnesses and haltech terminated kits, ls. What year engine is it and is. Do you need a wiring diagram? The l98 engine wiring diagram is an incredibly helpful tool for car owners and mechanics alike. Ve v6 ly7. L98 Wiring Harness Diagram.
From www.thirdgen.org
[IL] TPI intake, Wiring harness, ECM setup L98 Third Generation F L98 Wiring Harness Diagram The l98 engine wiring diagram is an incredibly helpful tool for car owners and mechanics alike. What year engine is it and is. Ve v6 ly7 & v8 l98 ls2 ecm wiring diagram. Do you need a wiring diagram? They will be routed under the rh/lh injectors wiring harness, and up to the distributor. By faaloua92 » tue aug 15,. L98 Wiring Harness Diagram.
From wiringdiagramall.blogspot.com
L98 Engine Wiring Diagram L98 Wiring Harness Diagram They will be routed under the rh/lh injectors wiring harness, and up to the distributor. Plug wires 1, 2, and 3 route behind the. Do you need a wiring diagram? The l98 engine wiring diagram is an essential component of a vehicle’s electronic architecture. How would i by pass the inhibitor. We are ls wiring harness & ls conversion wiring. L98 Wiring Harness Diagram.
From garage.grumpysperformance.com
l98 corvette wire diagrams Grumpys Performance Garage L98 Wiring Harness Diagram Ve v6 ly7 & v8 l98 ls2 ecm wiring diagram. The l98 engine wiring diagram is an essential component of a vehicle’s electronic architecture. How would i by pass the inhibitor. They will be routed under the rh/lh injectors wiring harness, and up to the distributor. Do you need a wiring diagram? We are ls wiring harness & ls conversion. L98 Wiring Harness Diagram.
From www.thirdgen.org
[IL] TPI intake, Wiring harness, ECM setup L98 Third Generation F L98 Wiring Harness Diagram They will be routed under the rh/lh injectors wiring harness, and up to the distributor. How would i by pass the inhibitor. We are ls wiring harness & ls conversion wiring specialists, stocking a range of ls swap wiring solutions such as ls standalone harnesses and haltech terminated kits, ls. Ve v6 ly7 & v8 l98 ls2 ecm wiring diagram.. L98 Wiring Harness Diagram.
From garage.grumpysperformance.com
l98 corvette wire diagrams Grumpys Performance Garage L98 Wiring Harness Diagram Plug wires 1, 2, and 3 route behind the. What year engine is it and is. We are ls wiring harness & ls conversion wiring specialists, stocking a range of ls swap wiring solutions such as ls standalone harnesses and haltech terminated kits, ls. How would i by pass the inhibitor. Ve v6 ly7 & v8 l98 ls2 ecm wiring. L98 Wiring Harness Diagram.
From www.thirdgen.org
L98 Wiring Third Generation FBody Message Boards L98 Wiring Harness Diagram What year engine is it and is. By faaloua92 » tue aug 15, 2017 8:36 am. We are ls wiring harness & ls conversion wiring specialists, stocking a range of ls swap wiring solutions such as ls standalone harnesses and haltech terminated kits, ls. Plug wires 1, 2, and 3 route behind the. They will be routed under the rh/lh. L98 Wiring Harness Diagram.