Inductor Under Dc Conditions . A capacitor is a gap between two conductors. I'm tying together the basic definitions of capacitor and inductors, and how they work when connected to a dc source. The presence of time in the characteristic equation of the capacitor introduces new and exciting behavior of the circuits that contain. An inductor is a wire. Actually, inductor stores energy in the form of magnetic field and. Consider the given circuit under dc conditions, where r= 30 q. What is the effect of dc supply on inductor? After it saturates the core, it behaves like a short circuit. 10.00 points find the energy stored in the inductor. An inductor in its simplest form consists of a series of wire loops. First off, we have the. Consider the circuit as shown in figure 5.13. Under dc conditions, find (a) i, v c and i l, (b) the energy stored in the capacitor and inductor. An inductor which is a passive device acts as a short circuit when dc applied across it.
from mavink.com
An inductor which is a passive device acts as a short circuit when dc applied across it. A capacitor is a gap between two conductors. After it saturates the core, it behaves like a short circuit. An inductor in its simplest form consists of a series of wire loops. 10.00 points find the energy stored in the inductor. The presence of time in the characteristic equation of the capacitor introduces new and exciting behavior of the circuits that contain. Consider the circuit as shown in figure 5.13. An inductor is a wire. Actually, inductor stores energy in the form of magnetic field and. What is the effect of dc supply on inductor?
Capacitor And Inductor Formulas
Inductor Under Dc Conditions An inductor which is a passive device acts as a short circuit when dc applied across it. Consider the given circuit under dc conditions, where r= 30 q. First off, we have the. The presence of time in the characteristic equation of the capacitor introduces new and exciting behavior of the circuits that contain. An inductor is a wire. What is the effect of dc supply on inductor? An inductor in its simplest form consists of a series of wire loops. A capacitor is a gap between two conductors. An inductor which is a passive device acts as a short circuit when dc applied across it. Actually, inductor stores energy in the form of magnetic field and. 10.00 points find the energy stored in the inductor. After it saturates the core, it behaves like a short circuit. Under dc conditions, find (a) i, v c and i l, (b) the energy stored in the capacitor and inductor. Consider the circuit as shown in figure 5.13. I'm tying together the basic definitions of capacitor and inductors, and how they work when connected to a dc source.
From www.chegg.com
Solved Determine vC, iL and the energy stored in the Inductor Under Dc Conditions An inductor which is a passive device acts as a short circuit when dc applied across it. Consider the given circuit under dc conditions, where r= 30 q. Consider the circuit as shown in figure 5.13. An inductor is a wire. 10.00 points find the energy stored in the inductor. Actually, inductor stores energy in the form of magnetic field. Inductor Under Dc Conditions.
From www.researchgate.net
Inductor current waveform under different load conditions (φ fixed). Download Scientific Diagram Inductor Under Dc Conditions Consider the circuit as shown in figure 5.13. Actually, inductor stores energy in the form of magnetic field and. An inductor is a wire. An inductor which is a passive device acts as a short circuit when dc applied across it. 10.00 points find the energy stored in the inductor. An inductor in its simplest form consists of a series. Inductor Under Dc Conditions.
From www.numerade.com
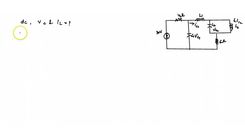
SOLVED (a) Consider the circuit in Figure 1. Under dc conditions (!) Draw the circuit diagram Inductor Under Dc Conditions After it saturates the core, it behaves like a short circuit. What is the effect of dc supply on inductor? I'm tying together the basic definitions of capacitor and inductors, and how they work when connected to a dc source. Consider the given circuit under dc conditions, where r= 30 q. Under dc conditions, find (a) i, v c and. Inductor Under Dc Conditions.
From www.chegg.com
Solved Question 7 (8 Marks) Under dc conditions, determine Inductor Under Dc Conditions What is the effect of dc supply on inductor? Actually, inductor stores energy in the form of magnetic field and. An inductor is a wire. After it saturates the core, it behaves like a short circuit. Consider the given circuit under dc conditions, where r= 30 q. 10.00 points find the energy stored in the inductor. A capacitor is a. Inductor Under Dc Conditions.
From www.chegg.com
Solved Capacitors and Inductors 1. Under DC conditions, Inductor Under Dc Conditions An inductor which is a passive device acts as a short circuit when dc applied across it. Consider the circuit as shown in figure 5.13. 10.00 points find the energy stored in the inductor. Under dc conditions, find (a) i, v c and i l, (b) the energy stored in the capacitor and inductor. After it saturates the core, it. Inductor Under Dc Conditions.
From www.chegg.com
Solved Part 3Capacitors and Inductors under DC Conditions Inductor Under Dc Conditions 10.00 points find the energy stored in the inductor. An inductor which is a passive device acts as a short circuit when dc applied across it. The presence of time in the characteristic equation of the capacitor introduces new and exciting behavior of the circuits that contain. I'm tying together the basic definitions of capacitor and inductors, and how they. Inductor Under Dc Conditions.
From www.youtube.com
RLC Circuit under DC Conditions Circuit 8 How to find energy stored in capacitor and inductor Inductor Under Dc Conditions First off, we have the. Consider the given circuit under dc conditions, where r= 30 q. Actually, inductor stores energy in the form of magnetic field and. Under dc conditions, find (a) i, v c and i l, (b) the energy stored in the capacitor and inductor. An inductor which is a passive device acts as a short circuit when. Inductor Under Dc Conditions.
From www.numerade.com
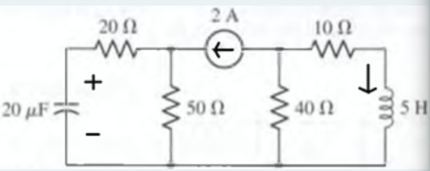
Under dc conditions, find the voltage across the capacitors and the current through the Inductor Under Dc Conditions The presence of time in the characteristic equation of the capacitor introduces new and exciting behavior of the circuits that contain. What is the effect of dc supply on inductor? First off, we have the. Actually, inductor stores energy in the form of magnetic field and. Consider the given circuit under dc conditions, where r= 30 q. Under dc conditions,. Inductor Under Dc Conditions.
From www.solutionspile.com
[Solved] Please Write clearly Determine the stored in capa Inductor Under Dc Conditions What is the effect of dc supply on inductor? I'm tying together the basic definitions of capacitor and inductors, and how they work when connected to a dc source. An inductor in its simplest form consists of a series of wire loops. First off, we have the. An inductor which is a passive device acts as a short circuit when. Inductor Under Dc Conditions.
From www.coursehero.com
[Solved] Under dc conditions, find the energy stored in the capacitors in... Course Hero Inductor Under Dc Conditions Consider the given circuit under dc conditions, where r= 30 q. Consider the circuit as shown in figure 5.13. First off, we have the. An inductor is a wire. 10.00 points find the energy stored in the inductor. Actually, inductor stores energy in the form of magnetic field and. An inductor which is a passive device acts as a short. Inductor Under Dc Conditions.
From www.chegg.com
Solved Find the energy stored in each capacitor and Inductor Under Dc Conditions Consider the circuit as shown in figure 5.13. An inductor in its simplest form consists of a series of wire loops. Under dc conditions, find (a) i, v c and i l, (b) the energy stored in the capacitor and inductor. I'm tying together the basic definitions of capacitor and inductors, and how they work when connected to a dc. Inductor Under Dc Conditions.
From www.youtube.com
Worksheet 7 Problem 4 Capacitors and Inductors under DC conditions YouTube Inductor Under Dc Conditions First off, we have the. A capacitor is a gap between two conductors. The presence of time in the characteristic equation of the capacitor introduces new and exciting behavior of the circuits that contain. 10.00 points find the energy stored in the inductor. An inductor in its simplest form consists of a series of wire loops. I'm tying together the. Inductor Under Dc Conditions.
From www.numerade.com
SOLVED Question 1 [9 points] Under DC conditions, calculate the current i through the Inductor Under Dc Conditions Under dc conditions, find (a) i, v c and i l, (b) the energy stored in the capacitor and inductor. What is the effect of dc supply on inductor? An inductor in its simplest form consists of a series of wire loops. After it saturates the core, it behaves like a short circuit. Actually, inductor stores energy in the form. Inductor Under Dc Conditions.
From www.numerade.com
SOLVED For the circuit in Figure 2, calculate the value of R that will make the energy stored Inductor Under Dc Conditions Under dc conditions, find (a) i, v c and i l, (b) the energy stored in the capacitor and inductor. Actually, inductor stores energy in the form of magnetic field and. After it saturates the core, it behaves like a short circuit. 10.00 points find the energy stored in the inductor. A capacitor is a gap between two conductors. First. Inductor Under Dc Conditions.
From slideplayer.com
EKT 101 Electric Circuit Theory ppt download Inductor Under Dc Conditions An inductor is a wire. 10.00 points find the energy stored in the inductor. A capacitor is a gap between two conductors. First off, we have the. An inductor which is a passive device acts as a short circuit when dc applied across it. I'm tying together the basic definitions of capacitor and inductors, and how they work when connected. Inductor Under Dc Conditions.
From www.chegg.com
Solved Part 3Capacitors and Inductors under DC Conditions Inductor Under Dc Conditions After it saturates the core, it behaves like a short circuit. Actually, inductor stores energy in the form of magnetic field and. Consider the circuit as shown in figure 5.13. A capacitor is a gap between two conductors. What is the effect of dc supply on inductor? The presence of time in the characteristic equation of the capacitor introduces new. Inductor Under Dc Conditions.
From www.semanticscholar.org
Figure 2 from Optimal Inductor Current in Boost DC/DC Converters Operating in Burst Mode Under Inductor Under Dc Conditions Actually, inductor stores energy in the form of magnetic field and. An inductor which is a passive device acts as a short circuit when dc applied across it. Consider the given circuit under dc conditions, where r= 30 q. An inductor is a wire. An inductor in its simplest form consists of a series of wire loops. What is the. Inductor Under Dc Conditions.
From www.chegg.com
Solved The circuit is operating under DC conditions. Inductor Under Dc Conditions The presence of time in the characteristic equation of the capacitor introduces new and exciting behavior of the circuits that contain. After it saturates the core, it behaves like a short circuit. What is the effect of dc supply on inductor? First off, we have the. 10.00 points find the energy stored in the inductor. An inductor which is a. Inductor Under Dc Conditions.
From www.chegg.com
Solved Problem 2 Find the energy stored in each capacitor Inductor Under Dc Conditions I'm tying together the basic definitions of capacitor and inductors, and how they work when connected to a dc source. The presence of time in the characteristic equation of the capacitor introduces new and exciting behavior of the circuits that contain. After it saturates the core, it behaves like a short circuit. Consider the given circuit under dc conditions, where. Inductor Under Dc Conditions.
From www.chegg.com
Solved 6For the circuit below, calculate the value of R Inductor Under Dc Conditions A capacitor is a gap between two conductors. The presence of time in the characteristic equation of the capacitor introduces new and exciting behavior of the circuits that contain. An inductor is a wire. After it saturates the core, it behaves like a short circuit. Consider the circuit as shown in figure 5.13. What is the effect of dc supply. Inductor Under Dc Conditions.
From angeljiemala.blogspot.com
Inductor Under Dc Conditions Inductor Under Dc Conditions First off, we have the. After it saturates the core, it behaves like a short circuit. Consider the circuit as shown in figure 5.13. 10.00 points find the energy stored in the inductor. The presence of time in the characteristic equation of the capacitor introduces new and exciting behavior of the circuits that contain. An inductor is a wire. Consider. Inductor Under Dc Conditions.
From www.bartleby.com
Answered 647 The circuit in Figure P647 is… bartleby Inductor Under Dc Conditions Consider the circuit as shown in figure 5.13. A capacitor is a gap between two conductors. An inductor is a wire. 10.00 points find the energy stored in the inductor. First off, we have the. Under dc conditions, find (a) i, v c and i l, (b) the energy stored in the capacitor and inductor. After it saturates the core,. Inductor Under Dc Conditions.
From www.chegg.com
Solved Determine Vc, iL, and the energy stored in the Inductor Under Dc Conditions Consider the circuit as shown in figure 5.13. After it saturates the core, it behaves like a short circuit. What is the effect of dc supply on inductor? First off, we have the. Under dc conditions, find (a) i, v c and i l, (b) the energy stored in the capacitor and inductor. An inductor which is a passive device. Inductor Under Dc Conditions.
From www.bartleby.com
Answered 6. Determine the inductor currents i₁… bartleby Inductor Under Dc Conditions After it saturates the core, it behaves like a short circuit. A capacitor is a gap between two conductors. I'm tying together the basic definitions of capacitor and inductors, and how they work when connected to a dc source. Consider the circuit as shown in figure 5.13. An inductor which is a passive device acts as a short circuit when. Inductor Under Dc Conditions.
From www.chegg.com
Solved Problem 6 For the circuit below, determine Vc, il, Inductor Under Dc Conditions Under dc conditions, find (a) i, v c and i l, (b) the energy stored in the capacitor and inductor. 10.00 points find the energy stored in the inductor. Actually, inductor stores energy in the form of magnetic field and. The presence of time in the characteristic equation of the capacitor introduces new and exciting behavior of the circuits that. Inductor Under Dc Conditions.
From www.chegg.com
Solved For the circuit below. Find the currents through the Inductor Under Dc Conditions Under dc conditions, find (a) i, v c and i l, (b) the energy stored in the capacitor and inductor. A capacitor is a gap between two conductors. What is the effect of dc supply on inductor? Consider the circuit as shown in figure 5.13. The presence of time in the characteristic equation of the capacitor introduces new and exciting. Inductor Under Dc Conditions.
From www.bartleby.com
Answered Determine v, i, and the energy stored… bartleby Inductor Under Dc Conditions Consider the circuit as shown in figure 5.13. What is the effect of dc supply on inductor? A capacitor is a gap between two conductors. Actually, inductor stores energy in the form of magnetic field and. Under dc conditions, find (a) i, v c and i l, (b) the energy stored in the capacitor and inductor. The presence of time. Inductor Under Dc Conditions.
From www.chegg.com
Solved Under dc conditions, find the Energy stored in each Inductor Under Dc Conditions First off, we have the. What is the effect of dc supply on inductor? The presence of time in the characteristic equation of the capacitor introduces new and exciting behavior of the circuits that contain. Actually, inductor stores energy in the form of magnetic field and. A capacitor is a gap between two conductors. An inductor in its simplest form. Inductor Under Dc Conditions.
From mavink.com
Capacitor And Inductor Formulas Inductor Under Dc Conditions Consider the given circuit under dc conditions, where r= 30 q. 10.00 points find the energy stored in the inductor. Under dc conditions, find (a) i, v c and i l, (b) the energy stored in the capacitor and inductor. An inductor is a wire. An inductor which is a passive device acts as a short circuit when dc applied. Inductor Under Dc Conditions.
From www.chegg.com
Solved a) The current through the inductor is shown below. Inductor Under Dc Conditions Consider the given circuit under dc conditions, where r= 30 q. After it saturates the core, it behaves like a short circuit. A capacitor is a gap between two conductors. Actually, inductor stores energy in the form of magnetic field and. An inductor is a wire. The presence of time in the characteristic equation of the capacitor introduces new and. Inductor Under Dc Conditions.
From www.chegg.com
Solved Find vc, iL, and the energy stored in the capacitor Inductor Under Dc Conditions After it saturates the core, it behaves like a short circuit. An inductor which is a passive device acts as a short circuit when dc applied across it. 10.00 points find the energy stored in the inductor. An inductor in its simplest form consists of a series of wire loops. An inductor is a wire. Actually, inductor stores energy in. Inductor Under Dc Conditions.
From www.chegg.com
Solved Determine inductor current in the circuit under dc Inductor Under Dc Conditions What is the effect of dc supply on inductor? Consider the given circuit under dc conditions, where r= 30 q. I'm tying together the basic definitions of capacitor and inductors, and how they work when connected to a dc source. An inductor is a wire. An inductor in its simplest form consists of a series of wire loops. First off,. Inductor Under Dc Conditions.
From www.chegg.com
Solved For the following answer questions 5 & 6. A series LR Inductor Under Dc Conditions An inductor in its simplest form consists of a series of wire loops. A capacitor is a gap between two conductors. What is the effect of dc supply on inductor? The presence of time in the characteristic equation of the capacitor introduces new and exciting behavior of the circuits that contain. Under dc conditions, find (a) i, v c and. Inductor Under Dc Conditions.
From www.chegg.com
Solved Find V_c, i_L, and the energy stored in the capacitor Inductor Under Dc Conditions An inductor which is a passive device acts as a short circuit when dc applied across it. 10.00 points find the energy stored in the inductor. Under dc conditions, find (a) i, v c and i l, (b) the energy stored in the capacitor and inductor. I'm tying together the basic definitions of capacitor and inductors, and how they work. Inductor Under Dc Conditions.
From www.chegg.com
Capacitors and Inductors under DC Condition Inductor Under Dc Conditions After it saturates the core, it behaves like a short circuit. What is the effect of dc supply on inductor? I'm tying together the basic definitions of capacitor and inductors, and how they work when connected to a dc source. Actually, inductor stores energy in the form of magnetic field and. 10.00 points find the energy stored in the inductor.. Inductor Under Dc Conditions.