Steering Wheel Assy . Need an aftermarket steering wheel? Explore a detailed steering assembly diagram and learn how each component works together to control the direction of a vehicle. If your steering wheel feels loose or clunks when you turn, let napa guide you toward our steering column and intermediate steering shaft. Find out the function of the steering wheel, steering column, rack and pinion, tie rods, and more. When you’re ready to install your new custom steering wheel, summit racing equipment is ready to help with an extensive selection of steering. First and foremost, the wheel hub assembly keeps your wheel attached to your vehicle and allows the wheels to freely turn enabling you to safely.
from www.howoautopart.com
Need an aftermarket steering wheel? When you’re ready to install your new custom steering wheel, summit racing equipment is ready to help with an extensive selection of steering. Explore a detailed steering assembly diagram and learn how each component works together to control the direction of a vehicle. First and foremost, the wheel hub assembly keeps your wheel attached to your vehicle and allows the wheels to freely turn enabling you to safely. Find out the function of the steering wheel, steering column, rack and pinion, tie rods, and more. If your steering wheel feels loose or clunks when you turn, let napa guide you toward our steering column and intermediate steering shaft.
China GTL Steering Wheel Assy H4342020001A0 Manufacturers and Suppliers
Steering Wheel Assy If your steering wheel feels loose or clunks when you turn, let napa guide you toward our steering column and intermediate steering shaft. Find out the function of the steering wheel, steering column, rack and pinion, tie rods, and more. When you’re ready to install your new custom steering wheel, summit racing equipment is ready to help with an extensive selection of steering. Explore a detailed steering assembly diagram and learn how each component works together to control the direction of a vehicle. Need an aftermarket steering wheel? If your steering wheel feels loose or clunks when you turn, let napa guide you toward our steering column and intermediate steering shaft. First and foremost, the wheel hub assembly keeps your wheel attached to your vehicle and allows the wheels to freely turn enabling you to safely.
From www.ebay.com
POLARIS NEW OEM STEERING WHEEL ASSY RZR PRO R 2022 2023 eBay Steering Wheel Assy If your steering wheel feels loose or clunks when you turn, let napa guide you toward our steering column and intermediate steering shaft. Explore a detailed steering assembly diagram and learn how each component works together to control the direction of a vehicle. First and foremost, the wheel hub assembly keeps your wheel attached to your vehicle and allows the. Steering Wheel Assy.
From www.ebay.com
4510060600B0 Toyota OEM Genuine WHEEL ASSY, STEERING eBay Steering Wheel Assy Explore a detailed steering assembly diagram and learn how each component works together to control the direction of a vehicle. Need an aftermarket steering wheel? If your steering wheel feels loose or clunks when you turn, let napa guide you toward our steering column and intermediate steering shaft. Find out the function of the steering wheel, steering column, rack and. Steering Wheel Assy.
From www.cmsnl.com
53100634004 Wheel Assy, Steering Honda buy the 53100634004 at CMSNL Steering Wheel Assy First and foremost, the wheel hub assembly keeps your wheel attached to your vehicle and allows the wheels to freely turn enabling you to safely. Need an aftermarket steering wheel? If your steering wheel feels loose or clunks when you turn, let napa guide you toward our steering column and intermediate steering shaft. When you’re ready to install your new. Steering Wheel Assy.
From www.exportersindia.com
Retailer of Steering Parts and Components from Delhi, Delhi by BP Impex Steering Wheel Assy Find out the function of the steering wheel, steering column, rack and pinion, tie rods, and more. First and foremost, the wheel hub assembly keeps your wheel attached to your vehicle and allows the wheels to freely turn enabling you to safely. Need an aftermarket steering wheel? If your steering wheel feels loose or clunks when you turn, let napa. Steering Wheel Assy.
From www.tokopedia.com
Jual [Original] Steering Wheel Assy Land Cruiser VX80 Palang Tiga Steering Wheel Assy Find out the function of the steering wheel, steering column, rack and pinion, tie rods, and more. Explore a detailed steering assembly diagram and learn how each component works together to control the direction of a vehicle. If your steering wheel feels loose or clunks when you turn, let napa guide you toward our steering column and intermediate steering shaft.. Steering Wheel Assy.
From www.nengun.com
4510060903 Toyota Steering Wheel SubAssy Nengun Performance Steering Wheel Assy First and foremost, the wheel hub assembly keeps your wheel attached to your vehicle and allows the wheels to freely turn enabling you to safely. Find out the function of the steering wheel, steering column, rack and pinion, tie rods, and more. When you’re ready to install your new custom steering wheel, summit racing equipment is ready to help with. Steering Wheel Assy.
From www.dreamstime.com
Automotive Steering Wheel Assembly Process Stock Photo Image of Steering Wheel Assy Explore a detailed steering assembly diagram and learn how each component works together to control the direction of a vehicle. If your steering wheel feels loose or clunks when you turn, let napa guide you toward our steering column and intermediate steering shaft. When you’re ready to install your new custom steering wheel, summit racing equipment is ready to help. Steering Wheel Assy.
From boodmo.com
WHEEL ASSY STEERING SUZUKI / MARUTI 48110M74LK1GJL compatibility Steering Wheel Assy Explore a detailed steering assembly diagram and learn how each component works together to control the direction of a vehicle. When you’re ready to install your new custom steering wheel, summit racing equipment is ready to help with an extensive selection of steering. First and foremost, the wheel hub assembly keeps your wheel attached to your vehicle and allows the. Steering Wheel Assy.
From burjauto.com
WHEEL ASSYSTEERING 48430VS70B NISSAN Steering Wheel Assy When you’re ready to install your new custom steering wheel, summit racing equipment is ready to help with an extensive selection of steering. First and foremost, the wheel hub assembly keeps your wheel attached to your vehicle and allows the wheels to freely turn enabling you to safely. Find out the function of the steering wheel, steering column, rack and. Steering Wheel Assy.
From www.dreamstime.com
Automotive Steering Wheel Assembly Process Stock Image Image of Steering Wheel Assy First and foremost, the wheel hub assembly keeps your wheel attached to your vehicle and allows the wheels to freely turn enabling you to safely. If your steering wheel feels loose or clunks when you turn, let napa guide you toward our steering column and intermediate steering shaft. When you’re ready to install your new custom steering wheel, summit racing. Steering Wheel Assy.
From miamibritish.com
LAND ROVER STEERING WHEEL ASSY DISCOVERY 2 QTB102680WAE USED RECOVERED Steering Wheel Assy First and foremost, the wheel hub assembly keeps your wheel attached to your vehicle and allows the wheels to freely turn enabling you to safely. Need an aftermarket steering wheel? If your steering wheel feels loose or clunks when you turn, let napa guide you toward our steering column and intermediate steering shaft. When you’re ready to install your new. Steering Wheel Assy.
From www.autozone.com
Repair Guides Steering Steering Wheel Steering Wheel Assy When you’re ready to install your new custom steering wheel, summit racing equipment is ready to help with an extensive selection of steering. Need an aftermarket steering wheel? Find out the function of the steering wheel, steering column, rack and pinion, tie rods, and more. If your steering wheel feels loose or clunks when you turn, let napa guide you. Steering Wheel Assy.
From www.ebay.com
4510060600B0 Toyota OEM Genuine WHEEL ASSY, STEERING eBay Steering Wheel Assy If your steering wheel feels loose or clunks when you turn, let napa guide you toward our steering column and intermediate steering shaft. Explore a detailed steering assembly diagram and learn how each component works together to control the direction of a vehicle. Find out the function of the steering wheel, steering column, rack and pinion, tie rods, and more.. Steering Wheel Assy.
From partsouq.com
WHEEL ASSY, STEERING 4510060190E0 Toyota Parts PartSouq Steering Wheel Assy If your steering wheel feels loose or clunks when you turn, let napa guide you toward our steering column and intermediate steering shaft. Find out the function of the steering wheel, steering column, rack and pinion, tie rods, and more. Explore a detailed steering assembly diagram and learn how each component works together to control the direction of a vehicle.. Steering Wheel Assy.
From chinatrucksparepart.com
FOTON TRUCK PARTSSteering wheel assy L0342020043A0 foton aumark parts Steering Wheel Assy Find out the function of the steering wheel, steering column, rack and pinion, tie rods, and more. Need an aftermarket steering wheel? If your steering wheel feels loose or clunks when you turn, let napa guide you toward our steering column and intermediate steering shaft. Explore a detailed steering assembly diagram and learn how each component works together to control. Steering Wheel Assy.
From www.autozone.com
Repair Guides Steering Steering Column Steering Wheel Assy If your steering wheel feels loose or clunks when you turn, let napa guide you toward our steering column and intermediate steering shaft. Find out the function of the steering wheel, steering column, rack and pinion, tie rods, and more. When you’re ready to install your new custom steering wheel, summit racing equipment is ready to help with an extensive. Steering Wheel Assy.
From www.howacarworks.com
How the steering system works How a Car Works Steering Wheel Assy Explore a detailed steering assembly diagram and learn how each component works together to control the direction of a vehicle. If your steering wheel feels loose or clunks when you turn, let napa guide you toward our steering column and intermediate steering shaft. When you’re ready to install your new custom steering wheel, summit racing equipment is ready to help. Steering Wheel Assy.
From mechdeals.com
Wheel AssySteering5610005150LMHyundai Steering Wheel Assy First and foremost, the wheel hub assembly keeps your wheel attached to your vehicle and allows the wheels to freely turn enabling you to safely. If your steering wheel feels loose or clunks when you turn, let napa guide you toward our steering column and intermediate steering shaft. Find out the function of the steering wheel, steering column, rack and. Steering Wheel Assy.
From dsauto.com.my
How Car Steering System Works in Simple English • D S Auto Steering Wheel Assy Find out the function of the steering wheel, steering column, rack and pinion, tie rods, and more. First and foremost, the wheel hub assembly keeps your wheel attached to your vehicle and allows the wheels to freely turn enabling you to safely. Need an aftermarket steering wheel? Explore a detailed steering assembly diagram and learn how each component works together. Steering Wheel Assy.
From www.benl.ebay.be
4510060600B0 Toyota OEM Genuine WHEEL ASSY, STEERING eBay Steering Wheel Assy First and foremost, the wheel hub assembly keeps your wheel attached to your vehicle and allows the wheels to freely turn enabling you to safely. When you’re ready to install your new custom steering wheel, summit racing equipment is ready to help with an extensive selection of steering. Explore a detailed steering assembly diagram and learn how each component works. Steering Wheel Assy.
From www.autozone.com
Repair Guides Steering Manual Steering Gear Steering Wheel Assy Find out the function of the steering wheel, steering column, rack and pinion, tie rods, and more. First and foremost, the wheel hub assembly keeps your wheel attached to your vehicle and allows the wheels to freely turn enabling you to safely. Need an aftermarket steering wheel? If your steering wheel feels loose or clunks when you turn, let napa. Steering Wheel Assy.
From www.aliexpress.com
SteeringWheelPadAssyForMitsubishiPAJEROMONTEROII2nd19911999 Steering Wheel Assy Find out the function of the steering wheel, steering column, rack and pinion, tie rods, and more. Explore a detailed steering assembly diagram and learn how each component works together to control the direction of a vehicle. Need an aftermarket steering wheel? First and foremost, the wheel hub assembly keeps your wheel attached to your vehicle and allows the wheels. Steering Wheel Assy.
From www.chicagocorvette.net
Steering Column Detail Diagram View Chicago Corvette Supply Steering Wheel Assy Find out the function of the steering wheel, steering column, rack and pinion, tie rods, and more. If your steering wheel feels loose or clunks when you turn, let napa guide you toward our steering column and intermediate steering shaft. Explore a detailed steering assembly diagram and learn how each component works together to control the direction of a vehicle.. Steering Wheel Assy.
From ralliart.asia
WHEEL ASSY, STEERING, EVO CT9A, 3 SPOKE, MOMO Steering Wheel Assy Find out the function of the steering wheel, steering column, rack and pinion, tie rods, and more. When you’re ready to install your new custom steering wheel, summit racing equipment is ready to help with an extensive selection of steering. If your steering wheel feels loose or clunks when you turn, let napa guide you toward our steering column and. Steering Wheel Assy.
From www.autozone.com
Repair Guides Steering Wheel Assy Find out the function of the steering wheel, steering column, rack and pinion, tie rods, and more. If your steering wheel feels loose or clunks when you turn, let napa guide you toward our steering column and intermediate steering shaft. First and foremost, the wheel hub assembly keeps your wheel attached to your vehicle and allows the wheels to freely. Steering Wheel Assy.
From autoparts.toyota.com
Steering Wheel Assembly 4510012J00C0 Steering Wheel Assy First and foremost, the wheel hub assembly keeps your wheel attached to your vehicle and allows the wheels to freely turn enabling you to safely. Find out the function of the steering wheel, steering column, rack and pinion, tie rods, and more. Explore a detailed steering assembly diagram and learn how each component works together to control the direction of. Steering Wheel Assy.
From www.ebay.com
4510060600B0 Toyota OEM Genuine WHEEL ASSY, STEERING eBay Steering Wheel Assy Need an aftermarket steering wheel? Explore a detailed steering assembly diagram and learn how each component works together to control the direction of a vehicle. First and foremost, the wheel hub assembly keeps your wheel attached to your vehicle and allows the wheels to freely turn enabling you to safely. If your steering wheel feels loose or clunks when you. Steering Wheel Assy.
From burjauto.com
48430VD50A NISSAN WHEEL ASSYSTEERING Steering Wheel Assy First and foremost, the wheel hub assembly keeps your wheel attached to your vehicle and allows the wheels to freely turn enabling you to safely. Need an aftermarket steering wheel? When you’re ready to install your new custom steering wheel, summit racing equipment is ready to help with an extensive selection of steering. If your steering wheel feels loose or. Steering Wheel Assy.
From guidelistgreg.z13.web.core.windows.net
Steering Wheel Assembly Diagram Steering Wheel Assy Need an aftermarket steering wheel? Explore a detailed steering assembly diagram and learn how each component works together to control the direction of a vehicle. Find out the function of the steering wheel, steering column, rack and pinion, tie rods, and more. If your steering wheel feels loose or clunks when you turn, let napa guide you toward our steering. Steering Wheel Assy.
From www.bmwclassicparts.com
late 4spoke steering wheel assy' BMW Classic Parts at CSi Inc. Steering Wheel Assy Explore a detailed steering assembly diagram and learn how each component works together to control the direction of a vehicle. When you’re ready to install your new custom steering wheel, summit racing equipment is ready to help with an extensive selection of steering. Find out the function of the steering wheel, steering column, rack and pinion, tie rods, and more.. Steering Wheel Assy.
From www.carid.com
ACP® FMES008A 3Spoke Deluxe Woodgrain Steering Wheel Assembly Steering Wheel Assy First and foremost, the wheel hub assembly keeps your wheel attached to your vehicle and allows the wheels to freely turn enabling you to safely. Need an aftermarket steering wheel? Explore a detailed steering assembly diagram and learn how each component works together to control the direction of a vehicle. When you’re ready to install your new custom steering wheel,. Steering Wheel Assy.
From chinatrucksparepart.com
FOTON TRUCK PARTSSTEERING WHEEL ASSY L0342020043A00 foton aumark parts Steering Wheel Assy When you’re ready to install your new custom steering wheel, summit racing equipment is ready to help with an extensive selection of steering. First and foremost, the wheel hub assembly keeps your wheel attached to your vehicle and allows the wheels to freely turn enabling you to safely. Explore a detailed steering assembly diagram and learn how each component works. Steering Wheel Assy.
From www.howoautopart.com
China GTL Steering Wheel Assy H4342020001A0 Manufacturers and Suppliers Steering Wheel Assy When you’re ready to install your new custom steering wheel, summit racing equipment is ready to help with an extensive selection of steering. If your steering wheel feels loose or clunks when you turn, let napa guide you toward our steering column and intermediate steering shaft. Find out the function of the steering wheel, steering column, rack and pinion, tie. Steering Wheel Assy.
From www.ebay.com
⭐20012003 LEXUS LS430 FRONT LEFT DRIVER STEERING WHEEL ASSEMBLY OEM Steering Wheel Assy First and foremost, the wheel hub assembly keeps your wheel attached to your vehicle and allows the wheels to freely turn enabling you to safely. When you’re ready to install your new custom steering wheel, summit racing equipment is ready to help with an extensive selection of steering. Find out the function of the steering wheel, steering column, rack and. Steering Wheel Assy.
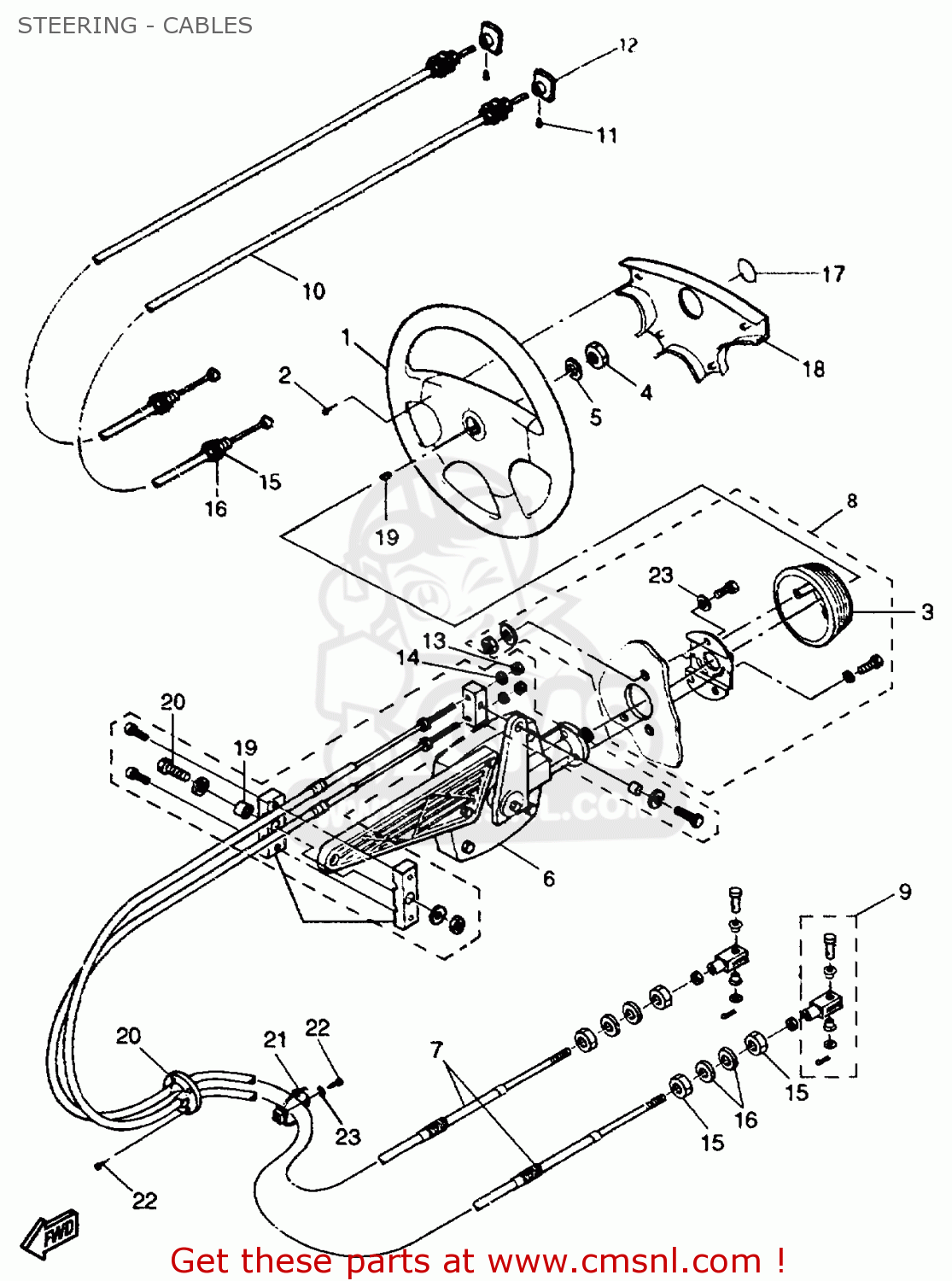
From www.cmsnl.com
GP1U151000 Steering Wheel Assy Yamaha buy the GP1U151000 at CMSNL Steering Wheel Assy Find out the function of the steering wheel, steering column, rack and pinion, tie rods, and more. First and foremost, the wheel hub assembly keeps your wheel attached to your vehicle and allows the wheels to freely turn enabling you to safely. When you’re ready to install your new custom steering wheel, summit racing equipment is ready to help with. Steering Wheel Assy.