Bridge Rectifier Is Used For . An ac or alternating current flows in both directions, while a dc or direct current flows in one direction only. It is the most efficient rectifier circuit. The purpose of the bridge rectifier is to convert alternating. The diode bridge rectifier is a simple circuit used to convert alternating current (ac) into direct current (dc). A bridge rectifier is a type of full wave rectifier that converts ac signals into dc signals. A bridge rectifier is a circuit that converts ac to dc using four diodes arranged in a bridge configuration. The primary function of a bridge rectifier is to convert ac voltage, which periodically changes its polarity, into a unidirectional voltage,. Learn its working, construction, characteristics and more. In this guide, you’ll learn how it works, what it’s used for, and how you can build your own. Bridge rectifier is a type of rectifier that uses four or more diodes in a bridge configuration. A bridge rectifier is a type of full wave rectifier which uses four or more diodes to efficiently convert ac to dc.
from www.thegeekpub.com
The purpose of the bridge rectifier is to convert alternating. The primary function of a bridge rectifier is to convert ac voltage, which periodically changes its polarity, into a unidirectional voltage,. A bridge rectifier is a circuit that converts ac to dc using four diodes arranged in a bridge configuration. A bridge rectifier is a type of full wave rectifier that converts ac signals into dc signals. An ac or alternating current flows in both directions, while a dc or direct current flows in one direction only. The diode bridge rectifier is a simple circuit used to convert alternating current (ac) into direct current (dc). It is the most efficient rectifier circuit. Learn its working, construction, characteristics and more. A bridge rectifier is a type of full wave rectifier which uses four or more diodes to efficiently convert ac to dc. Bridge rectifier is a type of rectifier that uses four or more diodes in a bridge configuration.
Bridge Rectifier Circuit Electronics Basics The Geek Pub
Bridge Rectifier Is Used For An ac or alternating current flows in both directions, while a dc or direct current flows in one direction only. A bridge rectifier is a type of full wave rectifier that converts ac signals into dc signals. The purpose of the bridge rectifier is to convert alternating. A bridge rectifier is a circuit that converts ac to dc using four diodes arranged in a bridge configuration. Bridge rectifier is a type of rectifier that uses four or more diodes in a bridge configuration. It is the most efficient rectifier circuit. Learn its working, construction, characteristics and more. An ac or alternating current flows in both directions, while a dc or direct current flows in one direction only. A bridge rectifier is a type of full wave rectifier which uses four or more diodes to efficiently convert ac to dc. The diode bridge rectifier is a simple circuit used to convert alternating current (ac) into direct current (dc). The primary function of a bridge rectifier is to convert ac voltage, which periodically changes its polarity, into a unidirectional voltage,. In this guide, you’ll learn how it works, what it’s used for, and how you can build your own.
From www.thegeekpub.com
Bridge Rectifier Circuit Electronics Basics The Geek Pub Bridge Rectifier Is Used For Bridge rectifier is a type of rectifier that uses four or more diodes in a bridge configuration. A bridge rectifier is a type of full wave rectifier which uses four or more diodes to efficiently convert ac to dc. The purpose of the bridge rectifier is to convert alternating. An ac or alternating current flows in both directions, while a. Bridge Rectifier Is Used For.
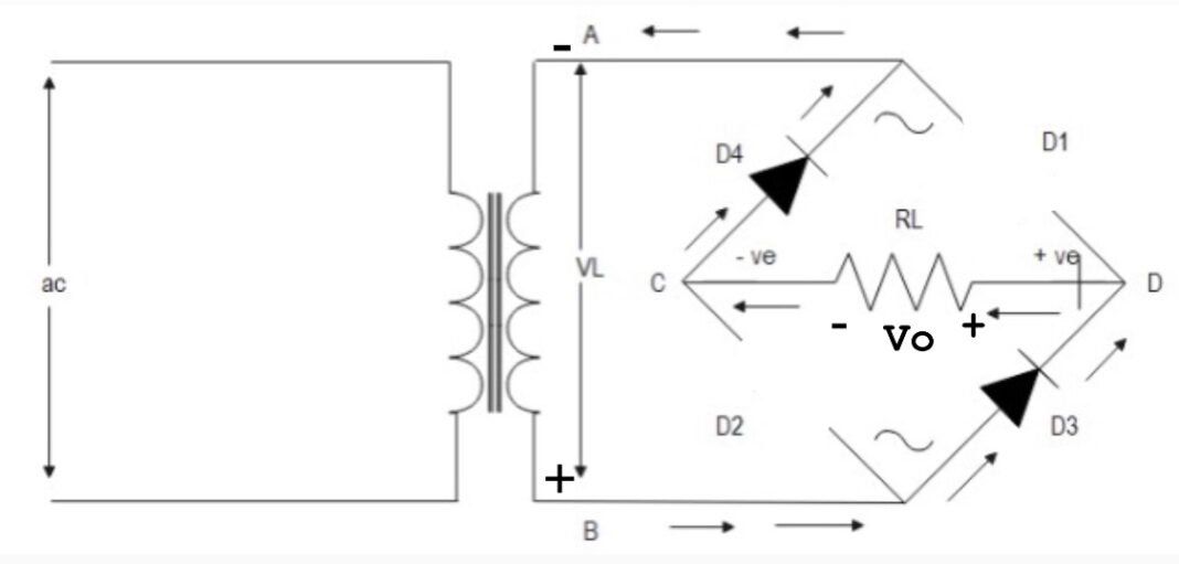
From pcbassemblymanufacturing.com
Rectifier bridge basics and application Bridge Rectifier Is Used For A bridge rectifier is a type of full wave rectifier which uses four or more diodes to efficiently convert ac to dc. The purpose of the bridge rectifier is to convert alternating. In this guide, you’ll learn how it works, what it’s used for, and how you can build your own. An ac or alternating current flows in both directions,. Bridge Rectifier Is Used For.
From schematicasteroid.z13.web.core.windows.net
Explain Bridge Rectifier With Circuit Diagram Bridge Rectifier Is Used For The diode bridge rectifier is a simple circuit used to convert alternating current (ac) into direct current (dc). A bridge rectifier is a type of full wave rectifier that converts ac signals into dc signals. The purpose of the bridge rectifier is to convert alternating. A bridge rectifier is a circuit that converts ac to dc using four diodes arranged. Bridge Rectifier Is Used For.
From electronicshacks.com
What Is a Bridge Rectifier? ElectronicsHacks Bridge Rectifier Is Used For In this guide, you’ll learn how it works, what it’s used for, and how you can build your own. An ac or alternating current flows in both directions, while a dc or direct current flows in one direction only. A bridge rectifier is a type of full wave rectifier that converts ac signals into dc signals. The diode bridge rectifier. Bridge Rectifier Is Used For.
From www.geeksforgeeks.org
Bridge Rectifier Construction, Working, Characteristics and Types Bridge Rectifier Is Used For Bridge rectifier is a type of rectifier that uses four or more diodes in a bridge configuration. The diode bridge rectifier is a simple circuit used to convert alternating current (ac) into direct current (dc). A bridge rectifier is a type of full wave rectifier which uses four or more diodes to efficiently convert ac to dc. Learn its working,. Bridge Rectifier Is Used For.
From microdigisoft.com
Bridge Rectifier Bridge Rectifier Is Used For The primary function of a bridge rectifier is to convert ac voltage, which periodically changes its polarity, into a unidirectional voltage,. Bridge rectifier is a type of rectifier that uses four or more diodes in a bridge configuration. A bridge rectifier is a type of full wave rectifier that converts ac signals into dc signals. It is the most efficient. Bridge Rectifier Is Used For.
From electronicshacks.com
What Is a Bridge Rectifier? ElectronicsHacks Bridge Rectifier Is Used For The diode bridge rectifier is a simple circuit used to convert alternating current (ac) into direct current (dc). The purpose of the bridge rectifier is to convert alternating. A bridge rectifier is a type of full wave rectifier that converts ac signals into dc signals. The primary function of a bridge rectifier is to convert ac voltage, which periodically changes. Bridge Rectifier Is Used For.
From schematicenginedrechsler.z19.web.core.windows.net
Circuit Diagram For Bridge Rectifier Bridge Rectifier Is Used For A bridge rectifier is a circuit that converts ac to dc using four diodes arranged in a bridge configuration. Learn its working, construction, characteristics and more. A bridge rectifier is a type of full wave rectifier that converts ac signals into dc signals. An ac or alternating current flows in both directions, while a dc or direct current flows in. Bridge Rectifier Is Used For.
From electronicshacks.com
What Is a Bridge Rectifier? ElectronicsHacks Bridge Rectifier Is Used For The primary function of a bridge rectifier is to convert ac voltage, which periodically changes its polarity, into a unidirectional voltage,. A bridge rectifier is a type of full wave rectifier that converts ac signals into dc signals. In this guide, you’ll learn how it works, what it’s used for, and how you can build your own. A bridge rectifier. Bridge Rectifier Is Used For.
From hilelectronic.com
What is a Bridge Rectifier? Bridge Rectifier Is Used For A bridge rectifier is a circuit that converts ac to dc using four diodes arranged in a bridge configuration. An ac or alternating current flows in both directions, while a dc or direct current flows in one direction only. In this guide, you’ll learn how it works, what it’s used for, and how you can build your own. A bridge. Bridge Rectifier Is Used For.
From supertekedu.com
Bridge Rectifier Supertek Edu Bridge Rectifier Is Used For Bridge rectifier is a type of rectifier that uses four or more diodes in a bridge configuration. A bridge rectifier is a type of full wave rectifier that converts ac signals into dc signals. The primary function of a bridge rectifier is to convert ac voltage, which periodically changes its polarity, into a unidirectional voltage,. The diode bridge rectifier is. Bridge Rectifier Is Used For.
From www.tti.com
Bridge Rectifiers TTI, Inc. Bridge Rectifier Is Used For Bridge rectifier is a type of rectifier that uses four or more diodes in a bridge configuration. An ac or alternating current flows in both directions, while a dc or direct current flows in one direction only. A bridge rectifier is a type of full wave rectifier which uses four or more diodes to efficiently convert ac to dc. A. Bridge Rectifier Is Used For.
From freakengineer.com
Bridge rectifier Working, Circuit, Advantages » Freak Engineer Bridge Rectifier Is Used For The purpose of the bridge rectifier is to convert alternating. Bridge rectifier is a type of rectifier that uses four or more diodes in a bridge configuration. In this guide, you’ll learn how it works, what it’s used for, and how you can build your own. The primary function of a bridge rectifier is to convert ac voltage, which periodically. Bridge Rectifier Is Used For.
From www.electricity-magnetism.org
Bridge Rectifier How it works, Application & Advantages Bridge Rectifier Is Used For A bridge rectifier is a type of full wave rectifier which uses four or more diodes to efficiently convert ac to dc. The primary function of a bridge rectifier is to convert ac voltage, which periodically changes its polarity, into a unidirectional voltage,. An ac or alternating current flows in both directions, while a dc or direct current flows in. Bridge Rectifier Is Used For.
From www.mpja.com
KBPC3510 35A 1KV Bridge Rectifier Bridge Rectifier Is Used For It is the most efficient rectifier circuit. Learn its working, construction, characteristics and more. A bridge rectifier is a circuit that converts ac to dc using four diodes arranged in a bridge configuration. A bridge rectifier is a type of full wave rectifier which uses four or more diodes to efficiently convert ac to dc. Bridge rectifier is a type. Bridge Rectifier Is Used For.
From www.thegeekpub.com
Bridge Rectifier Circuit Electronics Basics The Geek Pub Bridge Rectifier Is Used For The primary function of a bridge rectifier is to convert ac voltage, which periodically changes its polarity, into a unidirectional voltage,. Bridge rectifier is a type of rectifier that uses four or more diodes in a bridge configuration. The purpose of the bridge rectifier is to convert alternating. Learn its working, construction, characteristics and more. A bridge rectifier is a. Bridge Rectifier Is Used For.
From guidekekeyakno28.z14.web.core.windows.net
Bridge Rectifier Circuit Diagram Explained Bridge Rectifier Is Used For An ac or alternating current flows in both directions, while a dc or direct current flows in one direction only. The diode bridge rectifier is a simple circuit used to convert alternating current (ac) into direct current (dc). Learn its working, construction, characteristics and more. Bridge rectifier is a type of rectifier that uses four or more diodes in a. Bridge Rectifier Is Used For.
From www.electronicsforu.com
Bridge Rectifier Circuit, Construction, Working, and Types Bridge Rectifier Is Used For An ac or alternating current flows in both directions, while a dc or direct current flows in one direction only. The diode bridge rectifier is a simple circuit used to convert alternating current (ac) into direct current (dc). A bridge rectifier is a type of full wave rectifier which uses four or more diodes to efficiently convert ac to dc.. Bridge Rectifier Is Used For.
From www.desertcart.com.cy
Buy Bridge Rectifier, MDS100A 1600V 5 terminals 3Phase FullWave Bridge Rectifier Is Used For Learn its working, construction, characteristics and more. The purpose of the bridge rectifier is to convert alternating. A bridge rectifier is a type of full wave rectifier that converts ac signals into dc signals. A bridge rectifier is a circuit that converts ac to dc using four diodes arranged in a bridge configuration. The diode bridge rectifier is a simple. Bridge Rectifier Is Used For.
From electricalworkbook.com
What is Bridge Rectifier? Working, Circuit Diagram & Waveforms Bridge Rectifier Is Used For Learn its working, construction, characteristics and more. The primary function of a bridge rectifier is to convert ac voltage, which periodically changes its polarity, into a unidirectional voltage,. An ac or alternating current flows in both directions, while a dc or direct current flows in one direction only. The diode bridge rectifier is a simple circuit used to convert alternating. Bridge Rectifier Is Used For.
From schematicdiagramhuber.z19.web.core.windows.net
Bridge Rectifier Circuit Diagram Ppt Bridge Rectifier Is Used For Learn its working, construction, characteristics and more. A bridge rectifier is a circuit that converts ac to dc using four diodes arranged in a bridge configuration. A bridge rectifier is a type of full wave rectifier which uses four or more diodes to efficiently convert ac to dc. The purpose of the bridge rectifier is to convert alternating. The diode. Bridge Rectifier Is Used For.
From www.geeksforgeeks.org
Bridge Rectifier Construction, Working, Characteristics and Types Bridge Rectifier Is Used For In this guide, you’ll learn how it works, what it’s used for, and how you can build your own. A bridge rectifier is a type of full wave rectifier which uses four or more diodes to efficiently convert ac to dc. Bridge rectifier is a type of rectifier that uses four or more diodes in a bridge configuration. An ac. Bridge Rectifier Is Used For.
From www.bimblesolar.com
3 Phase Bridge Rectifier 100A for DC charging from Wind Turbine or PMA Bridge Rectifier Is Used For An ac or alternating current flows in both directions, while a dc or direct current flows in one direction only. Bridge rectifier is a type of rectifier that uses four or more diodes in a bridge configuration. A bridge rectifier is a circuit that converts ac to dc using four diodes arranged in a bridge configuration. In this guide, you’ll. Bridge Rectifier Is Used For.
From engr-world.blogspot.com
Engineering World FullWave Bridge Rectifier Bridge Rectifier Is Used For An ac or alternating current flows in both directions, while a dc or direct current flows in one direction only. Bridge rectifier is a type of rectifier that uses four or more diodes in a bridge configuration. The purpose of the bridge rectifier is to convert alternating. It is the most efficient rectifier circuit. A bridge rectifier is a type. Bridge Rectifier Is Used For.
From engineeringtutorial.com
Full Wave Bridge Rectifier Operation Engineering Tutorial Bridge Rectifier Is Used For It is the most efficient rectifier circuit. Bridge rectifier is a type of rectifier that uses four or more diodes in a bridge configuration. A bridge rectifier is a circuit that converts ac to dc using four diodes arranged in a bridge configuration. The purpose of the bridge rectifier is to convert alternating. An ac or alternating current flows in. Bridge Rectifier Is Used For.
From www.myelectrical2015.com
Electrical Revolution Bridge Rectifier Is Used For A bridge rectifier is a type of full wave rectifier which uses four or more diodes to efficiently convert ac to dc. The purpose of the bridge rectifier is to convert alternating. A bridge rectifier is a type of full wave rectifier that converts ac signals into dc signals. An ac or alternating current flows in both directions, while a. Bridge Rectifier Is Used For.
From guidekekeyakno28.z14.web.core.windows.net
Bridge Rectifier Circuit Diagram And Waveform Bridge Rectifier Is Used For Learn its working, construction, characteristics and more. A bridge rectifier is a type of full wave rectifier that converts ac signals into dc signals. A bridge rectifier is a type of full wave rectifier which uses four or more diodes to efficiently convert ac to dc. Bridge rectifier is a type of rectifier that uses four or more diodes in. Bridge Rectifier Is Used For.
From exofwcskd.blob.core.windows.net
What Bridge Rectifier To Use at Suzette Murray blog Bridge Rectifier Is Used For A bridge rectifier is a circuit that converts ac to dc using four diodes arranged in a bridge configuration. The diode bridge rectifier is a simple circuit used to convert alternating current (ac) into direct current (dc). It is the most efficient rectifier circuit. The primary function of a bridge rectifier is to convert ac voltage, which periodically changes its. Bridge Rectifier Is Used For.
From www.etechnog.com
Rectifier Circuit Diagram Half Wave, Full Wave, Bridge ETechnoG Bridge Rectifier Is Used For It is the most efficient rectifier circuit. The purpose of the bridge rectifier is to convert alternating. In this guide, you’ll learn how it works, what it’s used for, and how you can build your own. The primary function of a bridge rectifier is to convert ac voltage, which periodically changes its polarity, into a unidirectional voltage,. Learn its working,. Bridge Rectifier Is Used For.
From www.researchgate.net
(a) Bridge rectifier with N phases, with LC filter and a load, (b Bridge Rectifier Is Used For Bridge rectifier is a type of rectifier that uses four or more diodes in a bridge configuration. The primary function of a bridge rectifier is to convert ac voltage, which periodically changes its polarity, into a unidirectional voltage,. It is the most efficient rectifier circuit. The purpose of the bridge rectifier is to convert alternating. An ac or alternating current. Bridge Rectifier Is Used For.
From www.timesmojo.com
What is bridge rectifier used for? TimesMojo Bridge Rectifier Is Used For A bridge rectifier is a circuit that converts ac to dc using four diodes arranged in a bridge configuration. In this guide, you’ll learn how it works, what it’s used for, and how you can build your own. A bridge rectifier is a type of full wave rectifier that converts ac signals into dc signals. An ac or alternating current. Bridge Rectifier Is Used For.
From www.eeweb.com
Fullwave Bridge Rectifier with Capacitor Filter EE Bridge Rectifier Is Used For Learn its working, construction, characteristics and more. The primary function of a bridge rectifier is to convert ac voltage, which periodically changes its polarity, into a unidirectional voltage,. A bridge rectifier is a type of full wave rectifier which uses four or more diodes to efficiently convert ac to dc. A bridge rectifier is a circuit that converts ac to. Bridge Rectifier Is Used For.
From joifqnifx.blob.core.windows.net
Circuit Diagram Of Bridge Rectifier at Albert Harrison blog Bridge Rectifier Is Used For A bridge rectifier is a circuit that converts ac to dc using four diodes arranged in a bridge configuration. The primary function of a bridge rectifier is to convert ac voltage, which periodically changes its polarity, into a unidirectional voltage,. Bridge rectifier is a type of rectifier that uses four or more diodes in a bridge configuration. The diode bridge. Bridge Rectifier Is Used For.
From www.slidemake.com
Construction And Working Of Bridge Rectifier Presentation Bridge Rectifier Is Used For In this guide, you’ll learn how it works, what it’s used for, and how you can build your own. The diode bridge rectifier is a simple circuit used to convert alternating current (ac) into direct current (dc). Bridge rectifier is a type of rectifier that uses four or more diodes in a bridge configuration. The purpose of the bridge rectifier. Bridge Rectifier Is Used For.
From pcbassemblymanufacturing.com
Rectifier bridge basics and application Bridge Rectifier Is Used For A bridge rectifier is a type of full wave rectifier that converts ac signals into dc signals. The primary function of a bridge rectifier is to convert ac voltage, which periodically changes its polarity, into a unidirectional voltage,. A bridge rectifier is a type of full wave rectifier which uses four or more diodes to efficiently convert ac to dc.. Bridge Rectifier Is Used For.