Pcmcia Pinout . It serves as the bridge that connects various. Pcmcia (pc card) bus pinout signals @ pinoutguide.com. The pcmcia (personal computer memory card international. The pcmcia connector pinout is more than just a collection of pins and wires. Cf cards can be plugged directly to pc card (pcmcia) slot with a plug adapter, and with a reader, to any number of common ports like usb or. Pinout of pcmcia (pc card) bus connector and layout of 68 pin male connector and 68 pin female connector 36 rows when a compactflash or cf+ card is installed in a compactflash adapter, the combination conforms to the pcmcia pc card. 69 rows learn the pinout of pcmcia, a standard interface for connecting cards to computers.
from www.vrogue.co
69 rows learn the pinout of pcmcia, a standard interface for connecting cards to computers. The pcmcia (personal computer memory card international. Pinout of pcmcia (pc card) bus connector and layout of 68 pin male connector and 68 pin female connector 36 rows when a compactflash or cf+ card is installed in a compactflash adapter, the combination conforms to the pcmcia pc card. The pcmcia connector pinout is more than just a collection of pins and wires. Cf cards can be plugged directly to pc card (pcmcia) slot with a plug adapter, and with a reader, to any number of common ports like usb or. It serves as the bridge that connects various. Pcmcia (pc card) bus pinout signals @ pinoutguide.com.
Pcmcia Cardbus Description Pinout And Signal Names vrogue.co
Pcmcia Pinout It serves as the bridge that connects various. 69 rows learn the pinout of pcmcia, a standard interface for connecting cards to computers. Cf cards can be plugged directly to pc card (pcmcia) slot with a plug adapter, and with a reader, to any number of common ports like usb or. Pinout of pcmcia (pc card) bus connector and layout of 68 pin male connector and 68 pin female connector 36 rows when a compactflash or cf+ card is installed in a compactflash adapter, the combination conforms to the pcmcia pc card. It serves as the bridge that connects various. The pcmcia (personal computer memory card international. Pcmcia (pc card) bus pinout signals @ pinoutguide.com. The pcmcia connector pinout is more than just a collection of pins and wires.
From dpva.ru
PCMCIA Cхема расположения выводов, разводка выводов, распиновка, распайка (PCMCIA Pcmcia Pinout Cf cards can be plugged directly to pc card (pcmcia) slot with a plug adapter, and with a reader, to any number of common ports like usb or. Pcmcia (pc card) bus pinout signals @ pinoutguide.com. 36 rows when a compactflash or cf+ card is installed in a compactflash adapter, the combination conforms to the pcmcia pc card. Pinout of. Pcmcia Pinout.
From 68kmla.org
CF to IDE adapter has too many pins Peripherals 68kMLA Forums Pcmcia Pinout Pcmcia (pc card) bus pinout signals @ pinoutguide.com. Pinout of pcmcia (pc card) bus connector and layout of 68 pin male connector and 68 pin female connector Cf cards can be plugged directly to pc card (pcmcia) slot with a plug adapter, and with a reader, to any number of common ports like usb or. The pcmcia connector pinout is. Pcmcia Pinout.
From www.google.com
Patent US5752082 System for multiplexing pins of a PC card socket and PC card bus adapter for Pcmcia Pinout It serves as the bridge that connects various. 69 rows learn the pinout of pcmcia, a standard interface for connecting cards to computers. Pinout of pcmcia (pc card) bus connector and layout of 68 pin male connector and 68 pin female connector The pcmcia connector pinout is more than just a collection of pins and wires. The pcmcia (personal computer. Pcmcia Pinout.
From mainframecustom.com
Antec® Pinout Diagrams MAINFrame Customs Pcmcia Pinout The pcmcia connector pinout is more than just a collection of pins and wires. The pcmcia (personal computer memory card international. Cf cards can be plugged directly to pc card (pcmcia) slot with a plug adapter, and with a reader, to any number of common ports like usb or. It serves as the bridge that connects various. 69 rows learn. Pcmcia Pinout.
From www.vrogue.co
Pcmcia Cardbus Description Pinout And Signal Names vrogue.co Pcmcia Pinout It serves as the bridge that connects various. 36 rows when a compactflash or cf+ card is installed in a compactflash adapter, the combination conforms to the pcmcia pc card. The pcmcia connector pinout is more than just a collection of pins and wires. Cf cards can be plugged directly to pc card (pcmcia) slot with a plug adapter, and. Pcmcia Pinout.
From mavink.com
Atx Pinout Power Supply Testing Pcmcia Pinout 36 rows when a compactflash or cf+ card is installed in a compactflash adapter, the combination conforms to the pcmcia pc card. It serves as the bridge that connects various. Pinout of pcmcia (pc card) bus connector and layout of 68 pin male connector and 68 pin female connector Pcmcia (pc card) bus pinout signals @ pinoutguide.com. The pcmcia connector. Pcmcia Pinout.
From www.pinterest.com
What are the Pinouts from PCMCIA PC Card to CompactFlash when using a CF Adapter? Howto Pcmcia Pinout 36 rows when a compactflash or cf+ card is installed in a compactflash adapter, the combination conforms to the pcmcia pc card. The pcmcia (personal computer memory card international. The pcmcia connector pinout is more than just a collection of pins and wires. Pcmcia (pc card) bus pinout signals @ pinoutguide.com. It serves as the bridge that connects various. Pinout. Pcmcia Pinout.
From hit.skku.edu
PCMCIA ExpressCard Description, PinOut And Signal Names, 59 OFF Pcmcia Pinout The pcmcia (personal computer memory card international. It serves as the bridge that connects various. Pcmcia (pc card) bus pinout signals @ pinoutguide.com. 36 rows when a compactflash or cf+ card is installed in a compactflash adapter, the combination conforms to the pcmcia pc card. Pinout of pcmcia (pc card) bus connector and layout of 68 pin male connector and. Pcmcia Pinout.
From www.vrogue.co
Pcmcia Cardbus Description Pinout And Signal Names vrogue.co Pcmcia Pinout It serves as the bridge that connects various. Pinout of pcmcia (pc card) bus connector and layout of 68 pin male connector and 68 pin female connector Pcmcia (pc card) bus pinout signals @ pinoutguide.com. The pcmcia connector pinout is more than just a collection of pins and wires. 69 rows learn the pinout of pcmcia, a standard interface for. Pcmcia Pinout.
From pinouts.ru
CardBus pinout diagram pinouts.ru Pcmcia Pinout Cf cards can be plugged directly to pc card (pcmcia) slot with a plug adapter, and with a reader, to any number of common ports like usb or. The pcmcia (personal computer memory card international. Pcmcia (pc card) bus pinout signals @ pinoutguide.com. It serves as the bridge that connects various. 36 rows when a compactflash or cf+ card is. Pcmcia Pinout.
From www.vrogue.co
Pcmcia Cardbus Description Pinout And Signal Names vrogue.co Pcmcia Pinout 36 rows when a compactflash or cf+ card is installed in a compactflash adapter, the combination conforms to the pcmcia pc card. Pcmcia (pc card) bus pinout signals @ pinoutguide.com. The pcmcia (personal computer memory card international. Cf cards can be plugged directly to pc card (pcmcia) slot with a plug adapter, and with a reader, to any number of. Pcmcia Pinout.
From de-academic.com
PCMCIAKarte Pcmcia Pinout Pinout of pcmcia (pc card) bus connector and layout of 68 pin male connector and 68 pin female connector It serves as the bridge that connects various. 36 rows when a compactflash or cf+ card is installed in a compactflash adapter, the combination conforms to the pcmcia pc card. Pcmcia (pc card) bus pinout signals @ pinoutguide.com. 69 rows learn. Pcmcia Pinout.
From www.sealevel.com
PCMCIA Hirose to DB25 Male Cable, 60 Inch Length Sealevel Pcmcia Pinout It serves as the bridge that connects various. Pinout of pcmcia (pc card) bus connector and layout of 68 pin male connector and 68 pin female connector The pcmcia connector pinout is more than just a collection of pins and wires. The pcmcia (personal computer memory card international. 36 rows when a compactflash or cf+ card is installed in a. Pcmcia Pinout.
From www.jakelectronics.com
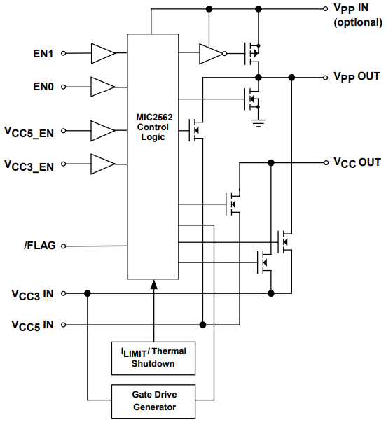
MIC2560 PCMCIA Switch Pinout, Equivalent and Datasheet Pcmcia Pinout The pcmcia connector pinout is more than just a collection of pins and wires. 69 rows learn the pinout of pcmcia, a standard interface for connecting cards to computers. Pcmcia (pc card) bus pinout signals @ pinoutguide.com. 36 rows when a compactflash or cf+ card is installed in a compactflash adapter, the combination conforms to the pcmcia pc card. The. Pcmcia Pinout.
From datasheet39.com
LANF72766 Datasheet PDF ( Pinout ) (LANF72761 LANF72766) 10BASET PCMCIA Pcmcia Pinout The pcmcia connector pinout is more than just a collection of pins and wires. The pcmcia (personal computer memory card international. Cf cards can be plugged directly to pc card (pcmcia) slot with a plug adapter, and with a reader, to any number of common ports like usb or. 69 rows learn the pinout of pcmcia, a standard interface for. Pcmcia Pinout.
From www.bdtic.com
LTC1472 Protected PCMCIA VCC and VPP Switching Matrix _ BDTIC a Leading Distributor in China Pcmcia Pinout 69 rows learn the pinout of pcmcia, a standard interface for connecting cards to computers. Pinout of pcmcia (pc card) bus connector and layout of 68 pin male connector and 68 pin female connector The pcmcia connector pinout is more than just a collection of pins and wires. It serves as the bridge that connects various. Pcmcia (pc card) bus. Pcmcia Pinout.
From www.vrogue.co
Pcmcia Cardbus Description Pinout And Signal Names vrogue.co Pcmcia Pinout 69 rows learn the pinout of pcmcia, a standard interface for connecting cards to computers. The pcmcia (personal computer memory card international. It serves as the bridge that connects various. Pcmcia (pc card) bus pinout signals @ pinoutguide.com. Pinout of pcmcia (pc card) bus connector and layout of 68 pin male connector and 68 pin female connector The pcmcia connector. Pcmcia Pinout.
From intellect.icu
PCMCIA Руководство по ремонту Диагностика, обслуживание и... Pcmcia Pinout 36 rows when a compactflash or cf+ card is installed in a compactflash adapter, the combination conforms to the pcmcia pc card. The pcmcia (personal computer memory card international. 69 rows learn the pinout of pcmcia, a standard interface for connecting cards to computers. It serves as the bridge that connects various. Pinout of pcmcia (pc card) bus connector and. Pcmcia Pinout.
From www.vrogue.co
Pcmcia Cardbus Description Pinout And Signal Names vrogue.co Pcmcia Pinout It serves as the bridge that connects various. Pinout of pcmcia (pc card) bus connector and layout of 68 pin male connector and 68 pin female connector 69 rows learn the pinout of pcmcia, a standard interface for connecting cards to computers. The pcmcia connector pinout is more than just a collection of pins and wires. Cf cards can be. Pcmcia Pinout.
From usermanual.wiki
Identec Solutions ICARDNA RF ID PC Card User Manual 9 00 Pcmcia Pinout Pcmcia (pc card) bus pinout signals @ pinoutguide.com. The pcmcia (personal computer memory card international. Pinout of pcmcia (pc card) bus connector and layout of 68 pin male connector and 68 pin female connector It serves as the bridge that connects various. The pcmcia connector pinout is more than just a collection of pins and wires. Cf cards can be. Pcmcia Pinout.
From digilander.libero.it
Pcmcia Atapi Adapter Pcmcia Pinout 69 rows learn the pinout of pcmcia, a standard interface for connecting cards to computers. Pcmcia (pc card) bus pinout signals @ pinoutguide.com. Cf cards can be plugged directly to pc card (pcmcia) slot with a plug adapter, and with a reader, to any number of common ports like usb or. It serves as the bridge that connects various. The. Pcmcia Pinout.
From pinouts.ru
PCMCIA (PC Card) bus pinout diagram pinouts.ru Pcmcia Pinout The pcmcia connector pinout is more than just a collection of pins and wires. 36 rows when a compactflash or cf+ card is installed in a compactflash adapter, the combination conforms to the pcmcia pc card. Pcmcia (pc card) bus pinout signals @ pinoutguide.com. Cf cards can be plugged directly to pc card (pcmcia) slot with a plug adapter, and. Pcmcia Pinout.
From www.orangepi.org
Orange Pi PC Orangepi Pcmcia Pinout It serves as the bridge that connects various. Pinout of pcmcia (pc card) bus connector and layout of 68 pin male connector and 68 pin female connector 69 rows learn the pinout of pcmcia, a standard interface for connecting cards to computers. 36 rows when a compactflash or cf+ card is installed in a compactflash adapter, the combination conforms to. Pcmcia Pinout.
From www.jakelectronics.com
MIC2560 PCMCIA Switch Pinout, Equivalent and Datasheet Pcmcia Pinout It serves as the bridge that connects various. The pcmcia connector pinout is more than just a collection of pins and wires. The pcmcia (personal computer memory card international. 36 rows when a compactflash or cf+ card is installed in a compactflash adapter, the combination conforms to the pcmcia pc card. 69 rows learn the pinout of pcmcia, a standard. Pcmcia Pinout.
From www.slideshare.net
Pc PinOuts Pcmcia Pinout Cf cards can be plugged directly to pc card (pcmcia) slot with a plug adapter, and with a reader, to any number of common ports like usb or. It serves as the bridge that connects various. The pcmcia (personal computer memory card international. Pinout of pcmcia (pc card) bus connector and layout of 68 pin male connector and 68 pin. Pcmcia Pinout.
From lucaslaruffa.com
Pinout GPIO de Raspberry Pi qué hace cada pin en Pi 4, modelos anteriores Lucas Laruffa Pcmcia Pinout 69 rows learn the pinout of pcmcia, a standard interface for connecting cards to computers. Pinout of pcmcia (pc card) bus connector and layout of 68 pin male connector and 68 pin female connector The pcmcia (personal computer memory card international. The pcmcia connector pinout is more than just a collection of pins and wires. Cf cards can be plugged. Pcmcia Pinout.
From sordan.ie
PCMCIA 68 pin 1.27mm THT Port Socket Connector ReAmiga Amiga Sordan Pcmcia Pinout 36 rows when a compactflash or cf+ card is installed in a compactflash adapter, the combination conforms to the pcmcia pc card. It serves as the bridge that connects various. Pcmcia (pc card) bus pinout signals @ pinoutguide.com. Cf cards can be plugged directly to pc card (pcmcia) slot with a plug adapter, and with a reader, to any number. Pcmcia Pinout.
From www.utmel.com
MIC2562A PCMCIA Switch Pinout, Equivalent and Datasheet Pcmcia Pinout The pcmcia (personal computer memory card international. 69 rows learn the pinout of pcmcia, a standard interface for connecting cards to computers. Pinout of pcmcia (pc card) bus connector and layout of 68 pin male connector and 68 pin female connector Pcmcia (pc card) bus pinout signals @ pinoutguide.com. Cf cards can be plugged directly to pc card (pcmcia) slot. Pcmcia Pinout.
From www.jakelectronics.com
MIC2560 PCMCIA Switch Pinout, Equivalent and Datasheet Pcmcia Pinout 69 rows learn the pinout of pcmcia, a standard interface for connecting cards to computers. 36 rows when a compactflash or cf+ card is installed in a compactflash adapter, the combination conforms to the pcmcia pc card. It serves as the bridge that connects various. Cf cards can be plugged directly to pc card (pcmcia) slot with a plug adapter,. Pcmcia Pinout.
From amigastore.eu
PCMCIA Slot for Amiga 1200 and Amiga 600 AMIGAstore.eu Pcmcia Pinout The pcmcia connector pinout is more than just a collection of pins and wires. 36 rows when a compactflash or cf+ card is installed in a compactflash adapter, the combination conforms to the pcmcia pc card. 69 rows learn the pinout of pcmcia, a standard interface for connecting cards to computers. The pcmcia (personal computer memory card international. It serves. Pcmcia Pinout.
From hit.skku.edu
PCMCIA ExpressCard Description, PinOut And Signal Names, 59 OFF Pcmcia Pinout It serves as the bridge that connects various. The pcmcia (personal computer memory card international. Pcmcia (pc card) bus pinout signals @ pinoutguide.com. 69 rows learn the pinout of pcmcia, a standard interface for connecting cards to computers. The pcmcia connector pinout is more than just a collection of pins and wires. 36 rows when a compactflash or cf+ card. Pcmcia Pinout.
From mungfali.com
PCIe Pinout Pcmcia Pinout Pinout of pcmcia (pc card) bus connector and layout of 68 pin male connector and 68 pin female connector The pcmcia (personal computer memory card international. The pcmcia connector pinout is more than just a collection of pins and wires. 36 rows when a compactflash or cf+ card is installed in a compactflash adapter, the combination conforms to the pcmcia. Pcmcia Pinout.
From manageranswer539.weebly.com
Pcmcia To Rs 232 Serial 9 Pin Cardbus Adapter Card manageranswer Pcmcia Pinout 69 rows learn the pinout of pcmcia, a standard interface for connecting cards to computers. The pcmcia connector pinout is more than just a collection of pins and wires. It serves as the bridge that connects various. Pcmcia (pc card) bus pinout signals @ pinoutguide.com. Pinout of pcmcia (pc card) bus connector and layout of 68 pin male connector and. Pcmcia Pinout.
From www.vrogue.co
Pcmcia Cardbus Description Pinout And Signal Names vrogue.co Pcmcia Pinout 36 rows when a compactflash or cf+ card is installed in a compactflash adapter, the combination conforms to the pcmcia pc card. The pcmcia connector pinout is more than just a collection of pins and wires. Pinout of pcmcia (pc card) bus connector and layout of 68 pin male connector and 68 pin female connector 69 rows learn the pinout. Pcmcia Pinout.
From www.vrogue.co
Pcmcia Cardbus Description Pinout And Signal Names vrogue.co Pcmcia Pinout Pinout of pcmcia (pc card) bus connector and layout of 68 pin male connector and 68 pin female connector 36 rows when a compactflash or cf+ card is installed in a compactflash adapter, the combination conforms to the pcmcia pc card. The pcmcia (personal computer memory card international. 69 rows learn the pinout of pcmcia, a standard interface for connecting. Pcmcia Pinout.