Tape Deck Circuit Diagram . This may be a concept drawing by the ic manufacturer. In this instructables i am going to make a playback amplifier circuit for a cassette player. Nothing like consistency across schematic diagrams. La3161 playback pre amplifier for cassette deck: View and download marantz 5020 service manual online. It lacks too much stuff needed for a real tape deck, bias/erase, level. 5020 tape deck pdf manual download.
from www.aescomputers.net
In this instructables i am going to make a playback amplifier circuit for a cassette player. This may be a concept drawing by the ic manufacturer. Nothing like consistency across schematic diagrams. 5020 tape deck pdf manual download. La3161 playback pre amplifier for cassette deck: View and download marantz 5020 service manual online. It lacks too much stuff needed for a real tape deck, bias/erase, level.
Index of & peripherals/
Tape Deck Circuit Diagram 5020 tape deck pdf manual download. This may be a concept drawing by the ic manufacturer. La3161 playback pre amplifier for cassette deck: In this instructables i am going to make a playback amplifier circuit for a cassette player. 5020 tape deck pdf manual download. It lacks too much stuff needed for a real tape deck, bias/erase, level. View and download marantz 5020 service manual online. Nothing like consistency across schematic diagrams.
From www.tapeheads.net
Dolby B ne545b and ne645n Not interchangeable without circuit Tape Deck Circuit Diagram La3161 playback pre amplifier for cassette deck: 5020 tape deck pdf manual download. This may be a concept drawing by the ic manufacturer. View and download marantz 5020 service manual online. Nothing like consistency across schematic diagrams. In this instructables i am going to make a playback amplifier circuit for a cassette player. It lacks too much stuff needed for. Tape Deck Circuit Diagram.
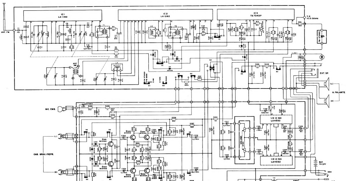
From elektrotricks.blogspot.com
electrotricks The Harman Kardon CD191 Ultrawideband Linear Phase Tape Deck Circuit Diagram This may be a concept drawing by the ic manufacturer. In this instructables i am going to make a playback amplifier circuit for a cassette player. View and download marantz 5020 service manual online. It lacks too much stuff needed for a real tape deck, bias/erase, level. La3161 playback pre amplifier for cassette deck: Nothing like consistency across schematic diagrams.. Tape Deck Circuit Diagram.
From electronics.stackexchange.com
audio Dolby HX PRO implementation on existing tape recording deck Tape Deck Circuit Diagram View and download marantz 5020 service manual online. La3161 playback pre amplifier for cassette deck: This may be a concept drawing by the ic manufacturer. Nothing like consistency across schematic diagrams. In this instructables i am going to make a playback amplifier circuit for a cassette player. It lacks too much stuff needed for a real tape deck, bias/erase, level.. Tape Deck Circuit Diagram.
From masterelectronicsrepair.blogspot.com
Master Electronics Repair ! SANYO RM5500M, PIONEER CT3131, SONY TC95A Tape Deck Circuit Diagram In this instructables i am going to make a playback amplifier circuit for a cassette player. This may be a concept drawing by the ic manufacturer. 5020 tape deck pdf manual download. Nothing like consistency across schematic diagrams. It lacks too much stuff needed for a real tape deck, bias/erase, level. La3161 playback pre amplifier for cassette deck: View and. Tape Deck Circuit Diagram.
From elektrotanya.com
PIONEER CTF4040 CASSETTE TAPE DECK ART2470 SCH Service Manual download Tape Deck Circuit Diagram Nothing like consistency across schematic diagrams. 5020 tape deck pdf manual download. This may be a concept drawing by the ic manufacturer. It lacks too much stuff needed for a real tape deck, bias/erase, level. In this instructables i am going to make a playback amplifier circuit for a cassette player. La3161 playback pre amplifier for cassette deck: View and. Tape Deck Circuit Diagram.
From cassettedeckman.blogspot.com
Electronics Cassette Decks, Tuners, Amps, Repairs, Failures. July 2019 Tape Deck Circuit Diagram La3161 playback pre amplifier for cassette deck: This may be a concept drawing by the ic manufacturer. View and download marantz 5020 service manual online. It lacks too much stuff needed for a real tape deck, bias/erase, level. Nothing like consistency across schematic diagrams. In this instructables i am going to make a playback amplifier circuit for a cassette player.. Tape Deck Circuit Diagram.
From masterelectronicsrepair.blogspot.com
Master Electronics Repair ! SANYO RM5500M, PIONEER CT3131, SONY TC95A Tape Deck Circuit Diagram View and download marantz 5020 service manual online. In this instructables i am going to make a playback amplifier circuit for a cassette player. 5020 tape deck pdf manual download. This may be a concept drawing by the ic manufacturer. Nothing like consistency across schematic diagrams. It lacks too much stuff needed for a real tape deck, bias/erase, level. La3161. Tape Deck Circuit Diagram.
From electronicshelponline.blogspot.com
Electro help JVC KD A55 Gradient CD6500 Tape deck Circuit Tape Deck Circuit Diagram La3161 playback pre amplifier for cassette deck: Nothing like consistency across schematic diagrams. 5020 tape deck pdf manual download. This may be a concept drawing by the ic manufacturer. View and download marantz 5020 service manual online. It lacks too much stuff needed for a real tape deck, bias/erase, level. In this instructables i am going to make a playback. Tape Deck Circuit Diagram.
From schematicscom.blogspot.com
Schematic Diagrams The Harman Kardon CD91 Circuit diagram, exploded Tape Deck Circuit Diagram It lacks too much stuff needed for a real tape deck, bias/erase, level. In this instructables i am going to make a playback amplifier circuit for a cassette player. This may be a concept drawing by the ic manufacturer. 5020 tape deck pdf manual download. View and download marantz 5020 service manual online. La3161 playback pre amplifier for cassette deck:. Tape Deck Circuit Diagram.
From www.aescomputers.net
Index of /Schematics/Audio recorders/Cassette/ Tape Deck Circuit Diagram In this instructables i am going to make a playback amplifier circuit for a cassette player. It lacks too much stuff needed for a real tape deck, bias/erase, level. Nothing like consistency across schematic diagrams. View and download marantz 5020 service manual online. This may be a concept drawing by the ic manufacturer. La3161 playback pre amplifier for cassette deck:. Tape Deck Circuit Diagram.
From www.learningelectronics.net
Playback Amplifier For Cassette Deck Circuit Diagram Tape Deck Circuit Diagram View and download marantz 5020 service manual online. This may be a concept drawing by the ic manufacturer. La3161 playback pre amplifier for cassette deck: It lacks too much stuff needed for a real tape deck, bias/erase, level. Nothing like consistency across schematic diagrams. In this instructables i am going to make a playback amplifier circuit for a cassette player.. Tape Deck Circuit Diagram.
From electronicshelponline.blogspot.com
Electro help JVC KD A55 Gradient CD6500 Tape deck Circuit Tape Deck Circuit Diagram It lacks too much stuff needed for a real tape deck, bias/erase, level. La3161 playback pre amplifier for cassette deck: In this instructables i am going to make a playback amplifier circuit for a cassette player. View and download marantz 5020 service manual online. 5020 tape deck pdf manual download. Nothing like consistency across schematic diagrams. This may be a. Tape Deck Circuit Diagram.
From www.theabsolutesound.com
An OpenReel Tape Primer The Absolute Sound Tape Deck Circuit Diagram In this instructables i am going to make a playback amplifier circuit for a cassette player. View and download marantz 5020 service manual online. La3161 playback pre amplifier for cassette deck: It lacks too much stuff needed for a real tape deck, bias/erase, level. This may be a concept drawing by the ic manufacturer. Nothing like consistency across schematic diagrams.. Tape Deck Circuit Diagram.
From diagramweb.net
2003 Cadillac Deville Ac Delco Tape Deck Wiring Diagram Tape Deck Circuit Diagram This may be a concept drawing by the ic manufacturer. In this instructables i am going to make a playback amplifier circuit for a cassette player. 5020 tape deck pdf manual download. Nothing like consistency across schematic diagrams. It lacks too much stuff needed for a real tape deck, bias/erase, level. View and download marantz 5020 service manual online. La3161. Tape Deck Circuit Diagram.
From masterelectronicsrepair.blogspot.com
Master Electronics Repair ! TOSHIBA PC10X STEREO CASSETTE TAPE DECK Tape Deck Circuit Diagram It lacks too much stuff needed for a real tape deck, bias/erase, level. La3161 playback pre amplifier for cassette deck: Nothing like consistency across schematic diagrams. In this instructables i am going to make a playback amplifier circuit for a cassette player. View and download marantz 5020 service manual online. 5020 tape deck pdf manual download. This may be a. Tape Deck Circuit Diagram.
From www.petervis.com
Pioneer CT1170W Tape Deck Mechanism Tape Deck Circuit Diagram It lacks too much stuff needed for a real tape deck, bias/erase, level. In this instructables i am going to make a playback amplifier circuit for a cassette player. 5020 tape deck pdf manual download. Nothing like consistency across schematic diagrams. This may be a concept drawing by the ic manufacturer. La3161 playback pre amplifier for cassette deck: View and. Tape Deck Circuit Diagram.
From electronics.stackexchange.com
audio Dolby HX PRO implementation on existing tape recording deck Tape Deck Circuit Diagram View and download marantz 5020 service manual online. It lacks too much stuff needed for a real tape deck, bias/erase, level. La3161 playback pre amplifier for cassette deck: Nothing like consistency across schematic diagrams. 5020 tape deck pdf manual download. In this instructables i am going to make a playback amplifier circuit for a cassette player. This may be a. Tape Deck Circuit Diagram.
From www.petervis.com
Aiwa CP888 Tape Deck Circuit Diagram Tape Deck Circuit Diagram Nothing like consistency across schematic diagrams. This may be a concept drawing by the ic manufacturer. In this instructables i am going to make a playback amplifier circuit for a cassette player. 5020 tape deck pdf manual download. It lacks too much stuff needed for a real tape deck, bias/erase, level. La3161 playback pre amplifier for cassette deck: View and. Tape Deck Circuit Diagram.
From www.justanswer.com
Expert Solutions for Sony HCDD560 Tape Deck and Cassette Mechanisms Tape Deck Circuit Diagram La3161 playback pre amplifier for cassette deck: Nothing like consistency across schematic diagrams. 5020 tape deck pdf manual download. In this instructables i am going to make a playback amplifier circuit for a cassette player. View and download marantz 5020 service manual online. It lacks too much stuff needed for a real tape deck, bias/erase, level. This may be a. Tape Deck Circuit Diagram.
From www.brighthubengineering.com
How to Build a Portable Cassette Tape Player Tape Deck Circuit Diagram 5020 tape deck pdf manual download. In this instructables i am going to make a playback amplifier circuit for a cassette player. This may be a concept drawing by the ic manufacturer. It lacks too much stuff needed for a real tape deck, bias/erase, level. View and download marantz 5020 service manual online. La3161 playback pre amplifier for cassette deck:. Tape Deck Circuit Diagram.
From elektrotanya.com
PHILIPS N4504 0015 4TRACK TAPE RECORDER DECK SM Service Manual Tape Deck Circuit Diagram 5020 tape deck pdf manual download. This may be a concept drawing by the ic manufacturer. Nothing like consistency across schematic diagrams. View and download marantz 5020 service manual online. In this instructables i am going to make a playback amplifier circuit for a cassette player. La3161 playback pre amplifier for cassette deck: It lacks too much stuff needed for. Tape Deck Circuit Diagram.
From diagramlibraryskim.z5.web.core.windows.net
Concord Car Cassette Deck Wiring Diagram Tape Deck Circuit Diagram La3161 playback pre amplifier for cassette deck: This may be a concept drawing by the ic manufacturer. In this instructables i am going to make a playback amplifier circuit for a cassette player. View and download marantz 5020 service manual online. It lacks too much stuff needed for a real tape deck, bias/erase, level. Nothing like consistency across schematic diagrams.. Tape Deck Circuit Diagram.
From masterelectronicsrepair.blogspot.com
Master Electronics Repair ! HARMAN KARDON CD91 ULTRAWIDEBAND LINEAR Tape Deck Circuit Diagram 5020 tape deck pdf manual download. Nothing like consistency across schematic diagrams. View and download marantz 5020 service manual online. La3161 playback pre amplifier for cassette deck: In this instructables i am going to make a playback amplifier circuit for a cassette player. It lacks too much stuff needed for a real tape deck, bias/erase, level. This may be a. Tape Deck Circuit Diagram.
From enginewiringflanigan.z19.web.core.windows.net
Concord Car Cassette Deck Wiring Diagram Tape Deck Circuit Diagram In this instructables i am going to make a playback amplifier circuit for a cassette player. 5020 tape deck pdf manual download. It lacks too much stuff needed for a real tape deck, bias/erase, level. La3161 playback pre amplifier for cassette deck: Nothing like consistency across schematic diagrams. This may be a concept drawing by the ic manufacturer. View and. Tape Deck Circuit Diagram.
From electronicshelponline.blogspot.com
Electro help LG LPCLM530A MP3 CD CASSETTE Circuit Diagram Tape Deck Circuit Diagram 5020 tape deck pdf manual download. View and download marantz 5020 service manual online. It lacks too much stuff needed for a real tape deck, bias/erase, level. This may be a concept drawing by the ic manufacturer. La3161 playback pre amplifier for cassette deck: Nothing like consistency across schematic diagrams. In this instructables i am going to make a playback. Tape Deck Circuit Diagram.
From masterelectronicsrepair.blogspot.com
Master Electronics Repair ! HARMAN KARDON CD91 ULTRAWIDEBAND LINEAR Tape Deck Circuit Diagram La3161 playback pre amplifier for cassette deck: View and download marantz 5020 service manual online. It lacks too much stuff needed for a real tape deck, bias/erase, level. 5020 tape deck pdf manual download. Nothing like consistency across schematic diagrams. This may be a concept drawing by the ic manufacturer. In this instructables i am going to make a playback. Tape Deck Circuit Diagram.
From electronicshelponline.blogspot.com
Electro help JVC KD A55 Gradient CD6500 Tape deck Circuit Tape Deck Circuit Diagram 5020 tape deck pdf manual download. This may be a concept drawing by the ic manufacturer. Nothing like consistency across schematic diagrams. It lacks too much stuff needed for a real tape deck, bias/erase, level. La3161 playback pre amplifier for cassette deck: In this instructables i am going to make a playback amplifier circuit for a cassette player. View and. Tape Deck Circuit Diagram.
From masterelectronicsrepair.blogspot.com
Master Electronics Repair ! SANYO RM5500M, PIONEER CT3131, SONY TC95A Tape Deck Circuit Diagram In this instructables i am going to make a playback amplifier circuit for a cassette player. This may be a concept drawing by the ic manufacturer. Nothing like consistency across schematic diagrams. La3161 playback pre amplifier for cassette deck: View and download marantz 5020 service manual online. It lacks too much stuff needed for a real tape deck, bias/erase, level.. Tape Deck Circuit Diagram.
From schematicscom.blogspot.com
Schematic Diagrams RQ92 NationalPanasonic Double Cassette Recorder Tape Deck Circuit Diagram 5020 tape deck pdf manual download. Nothing like consistency across schematic diagrams. This may be a concept drawing by the ic manufacturer. La3161 playback pre amplifier for cassette deck: View and download marantz 5020 service manual online. In this instructables i am going to make a playback amplifier circuit for a cassette player. It lacks too much stuff needed for. Tape Deck Circuit Diagram.
From www.petervis.com
Hitachi SDT116 Tape Deck Circuit Diagram Tape Deck Circuit Diagram In this instructables i am going to make a playback amplifier circuit for a cassette player. This may be a concept drawing by the ic manufacturer. View and download marantz 5020 service manual online. Nothing like consistency across schematic diagrams. 5020 tape deck pdf manual download. La3161 playback pre amplifier for cassette deck: It lacks too much stuff needed for. Tape Deck Circuit Diagram.
From elektrotricks.blogspot.com
electrotricks Sony TC95A, Gradente DS20, CCE DR1000, CCE CS930D, Sanyo Tape Deck Circuit Diagram La3161 playback pre amplifier for cassette deck: Nothing like consistency across schematic diagrams. In this instructables i am going to make a playback amplifier circuit for a cassette player. View and download marantz 5020 service manual online. 5020 tape deck pdf manual download. It lacks too much stuff needed for a real tape deck, bias/erase, level. This may be a. Tape Deck Circuit Diagram.
From www.aescomputers.net
Index of & peripherals/ Tape Deck Circuit Diagram La3161 playback pre amplifier for cassette deck: In this instructables i am going to make a playback amplifier circuit for a cassette player. This may be a concept drawing by the ic manufacturer. View and download marantz 5020 service manual online. 5020 tape deck pdf manual download. Nothing like consistency across schematic diagrams. It lacks too much stuff needed for. Tape Deck Circuit Diagram.
From masterelectronicsrepair.blogspot.com
Master Electronics Repair ! SANYO RM5500M, PIONEER CT3131, SONY TC95A Tape Deck Circuit Diagram In this instructables i am going to make a playback amplifier circuit for a cassette player. 5020 tape deck pdf manual download. La3161 playback pre amplifier for cassette deck: It lacks too much stuff needed for a real tape deck, bias/erase, level. Nothing like consistency across schematic diagrams. View and download marantz 5020 service manual online. This may be a. Tape Deck Circuit Diagram.
From www.seekic.com
14_V_AT_250mA_FOR_CASSETTE_DECK Power_Supply_Circuit Circuit Tape Deck Circuit Diagram In this instructables i am going to make a playback amplifier circuit for a cassette player. 5020 tape deck pdf manual download. Nothing like consistency across schematic diagrams. This may be a concept drawing by the ic manufacturer. It lacks too much stuff needed for a real tape deck, bias/erase, level. La3161 playback pre amplifier for cassette deck: View and. Tape Deck Circuit Diagram.
From www.alamy.com
Details and diagrams of the cassette deck. Tape recorder repair Stock Tape Deck Circuit Diagram View and download marantz 5020 service manual online. La3161 playback pre amplifier for cassette deck: In this instructables i am going to make a playback amplifier circuit for a cassette player. It lacks too much stuff needed for a real tape deck, bias/erase, level. This may be a concept drawing by the ic manufacturer. Nothing like consistency across schematic diagrams.. Tape Deck Circuit Diagram.