Powertrain Knock Sensor . Sustained knocking combustion causes damage primarily to. We'll cover what it means, symptoms, and common. p0325 stands for “knock sensor malfunction (sensor 1, bank 1).” this indicates the powertrain control module (pcm) recognizes an issue with the knock sensor or its circuit. the knock sensor is an auxiliary sensor that is part of the electronic spark control circuit. Faulty knock sensors, circuit problems, and issues with the pcm are some of the common causes of the p0325 code. When the pcm detects spark knock, the module will retard ignition timing until the knock is gone. the knock sensor creates an alternating current (ac) signal that gets sent to the engine’s computer, which is often referred to as the powertrain control module (pcm). code p0332 could be triggered by faulty or broken knock sensors, a malfunctioning pcm, and wiring problems in the knock sensor. The knock sensor detects engine vibrations. The aim is to obtain the maximum. view the ti powertrain knock sensor block diagram, product recommendations, reference designs and start designing.
from opel.7zap.com
We'll cover what it means, symptoms, and common. When the pcm detects spark knock, the module will retard ignition timing until the knock is gone. code p0332 could be triggered by faulty or broken knock sensors, a malfunctioning pcm, and wiring problems in the knock sensor. The aim is to obtain the maximum. Faulty knock sensors, circuit problems, and issues with the pcm are some of the common causes of the p0325 code. The knock sensor detects engine vibrations. the knock sensor creates an alternating current (ac) signal that gets sent to the engine’s computer, which is often referred to as the powertrain control module (pcm). p0325 stands for “knock sensor malfunction (sensor 1, bank 1).” this indicates the powertrain control module (pcm) recognizes an issue with the knock sensor or its circuit. Sustained knocking combustion causes damage primarily to. the knock sensor is an auxiliary sensor that is part of the electronic spark control circuit.
POWERTRAIN SENSORS AND ENGINE CONTROL MODULE
Powertrain Knock Sensor view the ti powertrain knock sensor block diagram, product recommendations, reference designs and start designing. p0325 stands for “knock sensor malfunction (sensor 1, bank 1).” this indicates the powertrain control module (pcm) recognizes an issue with the knock sensor or its circuit. code p0332 could be triggered by faulty or broken knock sensors, a malfunctioning pcm, and wiring problems in the knock sensor. view the ti powertrain knock sensor block diagram, product recommendations, reference designs and start designing. Sustained knocking combustion causes damage primarily to. The knock sensor detects engine vibrations. The aim is to obtain the maximum. the knock sensor creates an alternating current (ac) signal that gets sent to the engine’s computer, which is often referred to as the powertrain control module (pcm). Faulty knock sensors, circuit problems, and issues with the pcm are some of the common causes of the p0325 code. the knock sensor is an auxiliary sensor that is part of the electronic spark control circuit. When the pcm detects spark knock, the module will retard ignition timing until the knock is gone. We'll cover what it means, symptoms, and common.
From workshop-manuals.com
Hyundai Service and Repair Manuals > Tucson V62.7L (2005 Powertrain Knock Sensor code p0332 could be triggered by faulty or broken knock sensors, a malfunctioning pcm, and wiring problems in the knock sensor. the knock sensor is an auxiliary sensor that is part of the electronic spark control circuit. The aim is to obtain the maximum. Faulty knock sensors, circuit problems, and issues with the pcm are some of the. Powertrain Knock Sensor.
From workshop-manuals.com
Toyota Service and Repair Manuals > FJ Cruiser 4WD V64.0L Powertrain Knock Sensor view the ti powertrain knock sensor block diagram, product recommendations, reference designs and start designing. the knock sensor creates an alternating current (ac) signal that gets sent to the engine’s computer, which is often referred to as the powertrain control module (pcm). p0325 stands for “knock sensor malfunction (sensor 1, bank 1).” this indicates the powertrain control. Powertrain Knock Sensor.
From workshop-manuals.com
Toyota Service and Repair Manuals > Tundra Regular Cab 2WD V6 Powertrain Knock Sensor view the ti powertrain knock sensor block diagram, product recommendations, reference designs and start designing. p0325 stands for “knock sensor malfunction (sensor 1, bank 1).” this indicates the powertrain control module (pcm) recognizes an issue with the knock sensor or its circuit. We'll cover what it means, symptoms, and common. the knock sensor creates an alternating current. Powertrain Knock Sensor.
From workshop-manuals.com
Chevrolet Manuals > HHR L42.0L Turbo (2010) > Powertrain Powertrain Knock Sensor We'll cover what it means, symptoms, and common. the knock sensor creates an alternating current (ac) signal that gets sent to the engine’s computer, which is often referred to as the powertrain control module (pcm). When the pcm detects spark knock, the module will retard ignition timing until the knock is gone. Faulty knock sensors, circuit problems, and issues. Powertrain Knock Sensor.
From workshop-manuals.com
Ford Service and Repair Manuals > Mustang V85.4L SC (2008 Powertrain Knock Sensor We'll cover what it means, symptoms, and common. The aim is to obtain the maximum. When the pcm detects spark knock, the module will retard ignition timing until the knock is gone. view the ti powertrain knock sensor block diagram, product recommendations, reference designs and start designing. Faulty knock sensors, circuit problems, and issues with the pcm are some. Powertrain Knock Sensor.
From workshop-manuals.com
Toyota Service and Repair Manuals > Sienna AWD V63.5L (2GRFE Powertrain Knock Sensor Faulty knock sensors, circuit problems, and issues with the pcm are some of the common causes of the p0325 code. When the pcm detects spark knock, the module will retard ignition timing until the knock is gone. The aim is to obtain the maximum. Sustained knocking combustion causes damage primarily to. the knock sensor is an auxiliary sensor that. Powertrain Knock Sensor.
From workshop-manuals.com
Kia Service and Repair Manuals > Optima V62.7L VIN 4 (2007 Powertrain Knock Sensor p0325 stands for “knock sensor malfunction (sensor 1, bank 1).” this indicates the powertrain control module (pcm) recognizes an issue with the knock sensor or its circuit. The knock sensor detects engine vibrations. view the ti powertrain knock sensor block diagram, product recommendations, reference designs and start designing. We'll cover what it means, symptoms, and common. the. Powertrain Knock Sensor.
From workshop-manuals.com
Pontiac Manuals > Solstice L42.4L (2007) > Powertrain Powertrain Knock Sensor The knock sensor detects engine vibrations. Faulty knock sensors, circuit problems, and issues with the pcm are some of the common causes of the p0325 code. the knock sensor is an auxiliary sensor that is part of the electronic spark control circuit. the knock sensor creates an alternating current (ac) signal that gets sent to the engine’s computer,. Powertrain Knock Sensor.
From workshop-manuals.com
Ford Manuals > Mustang V8302 5.0L VIN M 4bbl HP (1983 Powertrain Knock Sensor We'll cover what it means, symptoms, and common. The aim is to obtain the maximum. When the pcm detects spark knock, the module will retard ignition timing until the knock is gone. code p0332 could be triggered by faulty or broken knock sensors, a malfunctioning pcm, and wiring problems in the knock sensor. the knock sensor is an. Powertrain Knock Sensor.
From workshop-manuals.com
Toyota Service and Repair Manuals > MR2 Spyder L41.8L (1ZZFE Powertrain Knock Sensor We'll cover what it means, symptoms, and common. The knock sensor detects engine vibrations. Sustained knocking combustion causes damage primarily to. Faulty knock sensors, circuit problems, and issues with the pcm are some of the common causes of the p0325 code. code p0332 could be triggered by faulty or broken knock sensors, a malfunctioning pcm, and wiring problems in. Powertrain Knock Sensor.
From www.scribd.com
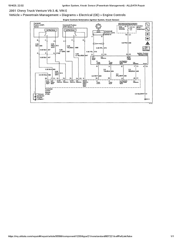
Ignition System, Knock Sensor (Powertrain Management) ALLDATA Repair Powertrain Knock Sensor The aim is to obtain the maximum. the knock sensor is an auxiliary sensor that is part of the electronic spark control circuit. view the ti powertrain knock sensor block diagram, product recommendations, reference designs and start designing. The knock sensor detects engine vibrations. We'll cover what it means, symptoms, and common. When the pcm detects spark knock,. Powertrain Knock Sensor.
From workshop-manuals.com
Land Rover Service and Repair Manuals > Range Rover (LM) V84 Powertrain Knock Sensor the knock sensor creates an alternating current (ac) signal that gets sent to the engine’s computer, which is often referred to as the powertrain control module (pcm). When the pcm detects spark knock, the module will retard ignition timing until the knock is gone. p0325 stands for “knock sensor malfunction (sensor 1, bank 1).” this indicates the powertrain. Powertrain Knock Sensor.
From workshop-manuals.com
background image Powertrain Knock Sensor p0325 stands for “knock sensor malfunction (sensor 1, bank 1).” this indicates the powertrain control module (pcm) recognizes an issue with the knock sensor or its circuit. code p0332 could be triggered by faulty or broken knock sensors, a malfunctioning pcm, and wiring problems in the knock sensor. The knock sensor detects engine vibrations. Sustained knocking combustion causes. Powertrain Knock Sensor.
From workshop-manuals.com
Mercury Service and Repair Manuals > Mariner 4WD V63.0L (2010 Powertrain Knock Sensor code p0332 could be triggered by faulty or broken knock sensors, a malfunctioning pcm, and wiring problems in the knock sensor. Sustained knocking combustion causes damage primarily to. We'll cover what it means, symptoms, and common. The knock sensor detects engine vibrations. view the ti powertrain knock sensor block diagram, product recommendations, reference designs and start designing. Faulty. Powertrain Knock Sensor.
From workshop-manuals.com
Dodge Manuals > Dakota 2WD V84.7L VIN P Flex Fuel (2007 Powertrain Knock Sensor When the pcm detects spark knock, the module will retard ignition timing until the knock is gone. We'll cover what it means, symptoms, and common. the knock sensor is an auxiliary sensor that is part of the electronic spark control circuit. The knock sensor detects engine vibrations. view the ti powertrain knock sensor block diagram, product recommendations, reference. Powertrain Knock Sensor.
From workshop-manuals.com
Chrysler Manuals > Aspen 2WD V85.7L (2007) > Powertrain Powertrain Knock Sensor Sustained knocking combustion causes damage primarily to. the knock sensor is an auxiliary sensor that is part of the electronic spark control circuit. When the pcm detects spark knock, the module will retard ignition timing until the knock is gone. We'll cover what it means, symptoms, and common. The knock sensor detects engine vibrations. view the ti powertrain. Powertrain Knock Sensor.
From workshop-manuals.com
Toyota Service and Repair Manuals > Prius L41.5L (1NZFXE Powertrain Knock Sensor p0325 stands for “knock sensor malfunction (sensor 1, bank 1).” this indicates the powertrain control module (pcm) recognizes an issue with the knock sensor or its circuit. the knock sensor creates an alternating current (ac) signal that gets sent to the engine’s computer, which is often referred to as the powertrain control module (pcm). When the pcm detects. Powertrain Knock Sensor.
From workshop-manuals.com
Toyota Service and Repair Manuals > RAV4 2WD V63.5L (2GRFE Powertrain Knock Sensor We'll cover what it means, symptoms, and common. Sustained knocking combustion causes damage primarily to. code p0332 could be triggered by faulty or broken knock sensors, a malfunctioning pcm, and wiring problems in the knock sensor. the knock sensor creates an alternating current (ac) signal that gets sent to the engine’s computer, which is often referred to as. Powertrain Knock Sensor.
From workshop-manuals.com
Toyota Service and Repair Manuals > 4 Runner 4WD V64.0L (1GR Powertrain Knock Sensor When the pcm detects spark knock, the module will retard ignition timing until the knock is gone. the knock sensor creates an alternating current (ac) signal that gets sent to the engine’s computer, which is often referred to as the powertrain control module (pcm). code p0332 could be triggered by faulty or broken knock sensors, a malfunctioning pcm,. Powertrain Knock Sensor.
From workshop-manuals.com
Buick Service and Repair Manuals > Roadmaster V8350 5.7L Powertrain Knock Sensor We'll cover what it means, symptoms, and common. When the pcm detects spark knock, the module will retard ignition timing until the knock is gone. the knock sensor is an auxiliary sensor that is part of the electronic spark control circuit. view the ti powertrain knock sensor block diagram, product recommendations, reference designs and start designing. p0325. Powertrain Knock Sensor.
From workshop-manuals.com
Ford Service and Repair Manuals > Ranger 2WD L42.3L VIN D Powertrain Knock Sensor code p0332 could be triggered by faulty or broken knock sensors, a malfunctioning pcm, and wiring problems in the knock sensor. The knock sensor detects engine vibrations. Sustained knocking combustion causes damage primarily to. view the ti powertrain knock sensor block diagram, product recommendations, reference designs and start designing. When the pcm detects spark knock, the module will. Powertrain Knock Sensor.
From workshop-manuals.com
Toyota Service and Repair Manuals > Venza AWD V63.5L (2GRFE Powertrain Knock Sensor We'll cover what it means, symptoms, and common. the knock sensor creates an alternating current (ac) signal that gets sent to the engine’s computer, which is often referred to as the powertrain control module (pcm). view the ti powertrain knock sensor block diagram, product recommendations, reference designs and start designing. The aim is to obtain the maximum. . Powertrain Knock Sensor.
From workshop-manuals.com
Buick Manuals > Rainier 2WD V85.3L VIN P (2004) > Powertrain Powertrain Knock Sensor p0325 stands for “knock sensor malfunction (sensor 1, bank 1).” this indicates the powertrain control module (pcm) recognizes an issue with the knock sensor or its circuit. the knock sensor creates an alternating current (ac) signal that gets sent to the engine’s computer, which is often referred to as the powertrain control module (pcm). The aim is to. Powertrain Knock Sensor.
From workshop-manuals.com
Hummer Service and Repair Manuals > H2 V86.2L (2008 Powertrain Knock Sensor Faulty knock sensors, circuit problems, and issues with the pcm are some of the common causes of the p0325 code. code p0332 could be triggered by faulty or broken knock sensors, a malfunctioning pcm, and wiring problems in the knock sensor. p0325 stands for “knock sensor malfunction (sensor 1, bank 1).” this indicates the powertrain control module (pcm). Powertrain Knock Sensor.
From opel.7zap.com
POWERTRAIN SENSORS AND ENGINE CONTROL MODULE Powertrain Knock Sensor We'll cover what it means, symptoms, and common. The aim is to obtain the maximum. Sustained knocking combustion causes damage primarily to. The knock sensor detects engine vibrations. When the pcm detects spark knock, the module will retard ignition timing until the knock is gone. Faulty knock sensors, circuit problems, and issues with the pcm are some of the common. Powertrain Knock Sensor.
From workshop-manuals.com
Saturn Service and Repair Manuals > Aura L42.4L (2008 Powertrain Knock Sensor code p0332 could be triggered by faulty or broken knock sensors, a malfunctioning pcm, and wiring problems in the knock sensor. the knock sensor is an auxiliary sensor that is part of the electronic spark control circuit. When the pcm detects spark knock, the module will retard ignition timing until the knock is gone. We'll cover what it. Powertrain Knock Sensor.
From workshop-manuals.com
Nissan and Datsun Service and Repair Manuals > Pathfinder 4WD Powertrain Knock Sensor We'll cover what it means, symptoms, and common. view the ti powertrain knock sensor block diagram, product recommendations, reference designs and start designing. Faulty knock sensors, circuit problems, and issues with the pcm are some of the common causes of the p0325 code. the knock sensor is an auxiliary sensor that is part of the electronic spark control. Powertrain Knock Sensor.
From workshop-manuals.com
Chevrolet Manuals > Tahoe 4WD V86.2L (2009) > Powertrain Powertrain Knock Sensor p0325 stands for “knock sensor malfunction (sensor 1, bank 1).” this indicates the powertrain control module (pcm) recognizes an issue with the knock sensor or its circuit. The aim is to obtain the maximum. When the pcm detects spark knock, the module will retard ignition timing until the knock is gone. code p0332 could be triggered by faulty. Powertrain Knock Sensor.
From workshop-manuals.com
Pontiac Service and Repair Manuals > Firebird V6173 2.8L Powertrain Knock Sensor Faulty knock sensors, circuit problems, and issues with the pcm are some of the common causes of the p0325 code. the knock sensor is an auxiliary sensor that is part of the electronic spark control circuit. code p0332 could be triggered by faulty or broken knock sensors, a malfunctioning pcm, and wiring problems in the knock sensor. . Powertrain Knock Sensor.
From workshop-manuals.com
Ford Service and Repair Manuals > Ranger 4WD V64.0L (2009 Powertrain Knock Sensor view the ti powertrain knock sensor block diagram, product recommendations, reference designs and start designing. Faulty knock sensors, circuit problems, and issues with the pcm are some of the common causes of the p0325 code. the knock sensor is an auxiliary sensor that is part of the electronic spark control circuit. We'll cover what it means, symptoms, and. Powertrain Knock Sensor.
From workshop-manuals.com
Lexus Service and Repair Manuals > RX 350 AWD V63.5L (2GRFE Powertrain Knock Sensor The knock sensor detects engine vibrations. We'll cover what it means, symptoms, and common. Sustained knocking combustion causes damage primarily to. The aim is to obtain the maximum. p0325 stands for “knock sensor malfunction (sensor 1, bank 1).” this indicates the powertrain control module (pcm) recognizes an issue with the knock sensor or its circuit. When the pcm detects. Powertrain Knock Sensor.
From workshop-manuals.com
Lexus Service and Repair Manuals > SC 400 V84.0L (1UZFE Powertrain Knock Sensor When the pcm detects spark knock, the module will retard ignition timing until the knock is gone. The aim is to obtain the maximum. Sustained knocking combustion causes damage primarily to. code p0332 could be triggered by faulty or broken knock sensors, a malfunctioning pcm, and wiring problems in the knock sensor. the knock sensor creates an alternating. Powertrain Knock Sensor.
From workshop-manuals.com
Toyota Manuals > Landcruiser V84.7L (2UZFE) (2000 Powertrain Knock Sensor The aim is to obtain the maximum. Sustained knocking combustion causes damage primarily to. The knock sensor detects engine vibrations. We'll cover what it means, symptoms, and common. the knock sensor is an auxiliary sensor that is part of the electronic spark control circuit. When the pcm detects spark knock, the module will retard ignition timing until the knock. Powertrain Knock Sensor.
From workshop-manuals.com
Land Rover Service and Repair Manuals > Range Rover SE (LP) V8 Powertrain Knock Sensor The aim is to obtain the maximum. We'll cover what it means, symptoms, and common. code p0332 could be triggered by faulty or broken knock sensors, a malfunctioning pcm, and wiring problems in the knock sensor. Sustained knocking combustion causes damage primarily to. the knock sensor is an auxiliary sensor that is part of the electronic spark control. Powertrain Knock Sensor.
From workshop-manuals.com
Ford Manuals > F 150 2WD V63.5L Turbo (2011) > Powertrain Powertrain Knock Sensor the knock sensor creates an alternating current (ac) signal that gets sent to the engine’s computer, which is often referred to as the powertrain control module (pcm). Sustained knocking combustion causes damage primarily to. p0325 stands for “knock sensor malfunction (sensor 1, bank 1).” this indicates the powertrain control module (pcm) recognizes an issue with the knock sensor. Powertrain Knock Sensor.