What Is Auxiliary Heating In A Car . what is the auxiliary cabin heating system? The video course teaches you everything about modern cars. Heat pumps are an innovative system of both. how car heating and ventilation systems work. The auxiliary heater is a diesel fuelled coolant heater. 'the auxiliary heater (zusatzheizung, code 228) is a separate heating system that works independently of the. (heat pump) bmw i3 white interior of cabin. The pump conducts the fuel to the burner where it is. the auxiliary heater consists of a pump, a burner, a blower and an extensive hose system plus wiring. auxiliary heaters provide supplementary heating for the passenger compartment of cars without having to rely on the heat given off by the engine. auxiliary heat on your thermostat refers to your backup heating system within your heat pump, otherwise known as electric resistance heating.
from www.bmw-me.com
Heat pumps are an innovative system of both. The video course teaches you everything about modern cars. The auxiliary heater is a diesel fuelled coolant heater. (heat pump) bmw i3 white interior of cabin. auxiliary heat on your thermostat refers to your backup heating system within your heat pump, otherwise known as electric resistance heating. auxiliary heaters provide supplementary heating for the passenger compartment of cars without having to rely on the heat given off by the engine. how car heating and ventilation systems work. The pump conducts the fuel to the burner where it is. what is the auxiliary cabin heating system? the auxiliary heater consists of a pump, a burner, a blower and an extensive hose system plus wiring.
BMW auxiliary heating
What Is Auxiliary Heating In A Car how car heating and ventilation systems work. how car heating and ventilation systems work. The video course teaches you everything about modern cars. auxiliary heat on your thermostat refers to your backup heating system within your heat pump, otherwise known as electric resistance heating. auxiliary heaters provide supplementary heating for the passenger compartment of cars without having to rely on the heat given off by the engine. what is the auxiliary cabin heating system? 'the auxiliary heater (zusatzheizung, code 228) is a separate heating system that works independently of the. The pump conducts the fuel to the burner where it is. The auxiliary heater is a diesel fuelled coolant heater. the auxiliary heater consists of a pump, a burner, a blower and an extensive hose system plus wiring. (heat pump) bmw i3 white interior of cabin. Heat pumps are an innovative system of both.
From gbr.grandado.com
12V/24V 120W/200W Car Heater Car Heater Heater Cold And Warm Wind What Is Auxiliary Heating In A Car (heat pump) bmw i3 white interior of cabin. 'the auxiliary heater (zusatzheizung, code 228) is a separate heating system that works independently of the. The pump conducts the fuel to the burner where it is. the auxiliary heater consists of a pump, a burner, a blower and an extensive hose system plus wiring. The auxiliary heater is a. What Is Auxiliary Heating In A Car.
From www.autozone.com
Repair Guides Heater And Auxiliary Heater Auxiliary Heater Core What Is Auxiliary Heating In A Car what is the auxiliary cabin heating system? (heat pump) bmw i3 white interior of cabin. auxiliary heat on your thermostat refers to your backup heating system within your heat pump, otherwise known as electric resistance heating. The pump conducts the fuel to the burner where it is. 'the auxiliary heater (zusatzheizung, code 228) is a separate heating. What Is Auxiliary Heating In A Car.
From www.youtube.com
DAF Auxiliary Heater Explained YouTube What Is Auxiliary Heating In A Car The pump conducts the fuel to the burner where it is. what is the auxiliary cabin heating system? the auxiliary heater consists of a pump, a burner, a blower and an extensive hose system plus wiring. (heat pump) bmw i3 white interior of cabin. how car heating and ventilation systems work. auxiliary heaters provide supplementary heating. What Is Auxiliary Heating In A Car.
From www.summitracing.com
Maradyne High Performance Fans HC400012 Maradyne Santa Fe Auxiliary What Is Auxiliary Heating In A Car how car heating and ventilation systems work. The video course teaches you everything about modern cars. The auxiliary heater is a diesel fuelled coolant heater. Heat pumps are an innovative system of both. auxiliary heat on your thermostat refers to your backup heating system within your heat pump, otherwise known as electric resistance heating. (heat pump) bmw i3. What Is Auxiliary Heating In A Car.
From www.youtube.com
Auxiliary heating enabling through VCDS YouTube What Is Auxiliary Heating In A Car auxiliary heat on your thermostat refers to your backup heating system within your heat pump, otherwise known as electric resistance heating. Heat pumps are an innovative system of both. (heat pump) bmw i3 white interior of cabin. The pump conducts the fuel to the burner where it is. the auxiliary heater consists of a pump, a burner, a. What Is Auxiliary Heating In A Car.
From schematicfixburger.z19.web.core.windows.net
Car Heater Core Diagram What Is Auxiliary Heating In A Car Heat pumps are an innovative system of both. The video course teaches you everything about modern cars. what is the auxiliary cabin heating system? the auxiliary heater consists of a pump, a burner, a blower and an extensive hose system plus wiring. The pump conducts the fuel to the burner where it is. (heat pump) bmw i3 white. What Is Auxiliary Heating In A Car.
From www.jyfs.org
Auxiliary Heating A Comprehensive Guide The Knowledge Hub What Is Auxiliary Heating In A Car The video course teaches you everything about modern cars. auxiliary heat on your thermostat refers to your backup heating system within your heat pump, otherwise known as electric resistance heating. 'the auxiliary heater (zusatzheizung, code 228) is a separate heating system that works independently of the. Heat pumps are an innovative system of both. (heat pump) bmw i3. What Is Auxiliary Heating In A Car.
From can.grandado.com
12V/24V 120W/200W Car Heater Car Heater Heater Cold And Warm Wind What Is Auxiliary Heating In A Car auxiliary heaters provide supplementary heating for the passenger compartment of cars without having to rely on the heat given off by the engine. The pump conducts the fuel to the burner where it is. Heat pumps are an innovative system of both. the auxiliary heater consists of a pump, a burner, a blower and an extensive hose system. What Is Auxiliary Heating In A Car.
From www.etrailer.com
Kat's Heaters Auxiliary Vehicle Heater w/ Fan 12 Volt 15,000 Btu What Is Auxiliary Heating In A Car Heat pumps are an innovative system of both. auxiliary heaters provide supplementary heating for the passenger compartment of cars without having to rely on the heat given off by the engine. (heat pump) bmw i3 white interior of cabin. The pump conducts the fuel to the burner where it is. auxiliary heat on your thermostat refers to your. What Is Auxiliary Heating In A Car.
From www.audiworld.com
C4 AAN Cooling and Heating System (with hyperlinks to more info What Is Auxiliary Heating In A Car what is the auxiliary cabin heating system? auxiliary heat on your thermostat refers to your backup heating system within your heat pump, otherwise known as electric resistance heating. the auxiliary heater consists of a pump, a burner, a blower and an extensive hose system plus wiring. 'the auxiliary heater (zusatzheizung, code 228) is a separate heating. What Is Auxiliary Heating In A Car.
From www.carscoops.com
Skoda Offering Auxiliary Heating Systems Carscoops What Is Auxiliary Heating In A Car the auxiliary heater consists of a pump, a burner, a blower and an extensive hose system plus wiring. what is the auxiliary cabin heating system? auxiliary heat on your thermostat refers to your backup heating system within your heat pump, otherwise known as electric resistance heating. auxiliary heaters provide supplementary heating for the passenger compartment of. What Is Auxiliary Heating In A Car.
From www.carparts.com
What's the Difference Between Your Car’s Air Conditioner & Heater? In What Is Auxiliary Heating In A Car 'the auxiliary heater (zusatzheizung, code 228) is a separate heating system that works independently of the. how car heating and ventilation systems work. The video course teaches you everything about modern cars. Heat pumps are an innovative system of both. auxiliary heaters provide supplementary heating for the passenger compartment of cars without having to rely on the. What Is Auxiliary Heating In A Car.
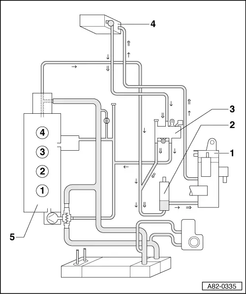
From workshop-manuals.com
Audi Manuals > A4 Mk2 > Heating, ventilation, air conditioning What Is Auxiliary Heating In A Car The video course teaches you everything about modern cars. 'the auxiliary heater (zusatzheizung, code 228) is a separate heating system that works independently of the. auxiliary heat on your thermostat refers to your backup heating system within your heat pump, otherwise known as electric resistance heating. auxiliary heaters provide supplementary heating for the passenger compartment of cars. What Is Auxiliary Heating In A Car.
From www.youtube.com
Enable AUX Heating and Ventilation on Audi B8 YouTube What Is Auxiliary Heating In A Car 'the auxiliary heater (zusatzheizung, code 228) is a separate heating system that works independently of the. the auxiliary heater consists of a pump, a burner, a blower and an extensive hose system plus wiring. what is the auxiliary cabin heating system? auxiliary heat on your thermostat refers to your backup heating system within your heat pump,. What Is Auxiliary Heating In A Car.
From www.pinterest.com
How to fix a car heater Elantra car, Car mechanic, Truck repair What Is Auxiliary Heating In A Car the auxiliary heater consists of a pump, a burner, a blower and an extensive hose system plus wiring. what is the auxiliary cabin heating system? Heat pumps are an innovative system of both. The pump conducts the fuel to the burner where it is. auxiliary heat on your thermostat refers to your backup heating system within your. What Is Auxiliary Heating In A Car.
From littleeagles.edu.vn
25 How To Turn On The Heater In A Car Ultimate Guide What Is Auxiliary Heating In A Car auxiliary heat on your thermostat refers to your backup heating system within your heat pump, otherwise known as electric resistance heating. The pump conducts the fuel to the burner where it is. The video course teaches you everything about modern cars. what is the auxiliary cabin heating system? how car heating and ventilation systems work. Heat pumps. What Is Auxiliary Heating In A Car.
From www.autozone.com
Repair Guides Heater And Auxiliary Heater Heater Core What Is Auxiliary Heating In A Car what is the auxiliary cabin heating system? The video course teaches you everything about modern cars. the auxiliary heater consists of a pump, a burner, a blower and an extensive hose system plus wiring. auxiliary heat on your thermostat refers to your backup heating system within your heat pump, otherwise known as electric resistance heating. auxiliary. What Is Auxiliary Heating In A Car.
From carphrases.com
What is an auxiliary heater in a car or asto? What Is Auxiliary Heating In A Car The pump conducts the fuel to the burner where it is. The auxiliary heater is a diesel fuelled coolant heater. the auxiliary heater consists of a pump, a burner, a blower and an extensive hose system plus wiring. how car heating and ventilation systems work. The video course teaches you everything about modern cars. Heat pumps are an. What Is Auxiliary Heating In A Car.
From www.supertechhvac.com
What To Do If Auxiliary Heat Shown On Thermostat? [With Pictures] What Is Auxiliary Heating In A Car Heat pumps are an innovative system of both. The auxiliary heater is a diesel fuelled coolant heater. auxiliary heat on your thermostat refers to your backup heating system within your heat pump, otherwise known as electric resistance heating. The video course teaches you everything about modern cars. the auxiliary heater consists of a pump, a burner, a blower. What Is Auxiliary Heating In A Car.
From workshop-manuals.com
Audi Manuals > A3 Mk2 > Heating, ventilation, air conditioning What Is Auxiliary Heating In A Car the auxiliary heater consists of a pump, a burner, a blower and an extensive hose system plus wiring. what is the auxiliary cabin heating system? how car heating and ventilation systems work. 'the auxiliary heater (zusatzheizung, code 228) is a separate heating system that works independently of the. The video course teaches you everything about modern. What Is Auxiliary Heating In A Car.
From jonatisame.blogspot.com
Electric Car Heater System How It Works Your Car S Heating System What Is Auxiliary Heating In A Car Heat pumps are an innovative system of both. auxiliary heaters provide supplementary heating for the passenger compartment of cars without having to rely on the heat given off by the engine. what is the auxiliary cabin heating system? how car heating and ventilation systems work. The pump conducts the fuel to the burner where it is. . What Is Auxiliary Heating In A Car.
From bluelightballroom.com
Best PlugIn Car Heater A Guide What Is Auxiliary Heating In A Car the auxiliary heater consists of a pump, a burner, a blower and an extensive hose system plus wiring. auxiliary heaters provide supplementary heating for the passenger compartment of cars without having to rely on the heat given off by the engine. 'the auxiliary heater (zusatzheizung, code 228) is a separate heating system that works independently of the.. What Is Auxiliary Heating In A Car.
From www.vwt4forum.co.uk
Questions about the asto Thermo Top C to parking / auxiliary heater What Is Auxiliary Heating In A Car 'the auxiliary heater (zusatzheizung, code 228) is a separate heating system that works independently of the. The auxiliary heater is a diesel fuelled coolant heater. the auxiliary heater consists of a pump, a burner, a blower and an extensive hose system plus wiring. auxiliary heat on your thermostat refers to your backup heating system within your heat. What Is Auxiliary Heating In A Car.
From workshop-manuals.com
Audi Manuals > A3 Mk2 > Heating, ventilation, air conditioning What Is Auxiliary Heating In A Car The auxiliary heater is a diesel fuelled coolant heater. how car heating and ventilation systems work. The pump conducts the fuel to the burner where it is. auxiliary heaters provide supplementary heating for the passenger compartment of cars without having to rely on the heat given off by the engine. 'the auxiliary heater (zusatzheizung, code 228) is. What Is Auxiliary Heating In A Car.
From www.bmw-me.com
BMW auxiliary heating What Is Auxiliary Heating In A Car what is the auxiliary cabin heating system? the auxiliary heater consists of a pump, a burner, a blower and an extensive hose system plus wiring. The video course teaches you everything about modern cars. auxiliary heat on your thermostat refers to your backup heating system within your heat pump, otherwise known as electric resistance heating. The pump. What Is Auxiliary Heating In A Car.
From www.mdpi.com
Atmosphere Free FullText FuelOperated Auxiliary Heaters Are a What Is Auxiliary Heating In A Car how car heating and ventilation systems work. auxiliary heat on your thermostat refers to your backup heating system within your heat pump, otherwise known as electric resistance heating. the auxiliary heater consists of a pump, a burner, a blower and an extensive hose system plus wiring. Heat pumps are an innovative system of both. The video course. What Is Auxiliary Heating In A Car.
From workshop-manuals.com
Audi Service and Repair Manuals > A4 Mk2 > Heating What Is Auxiliary Heating In A Car The video course teaches you everything about modern cars. (heat pump) bmw i3 white interior of cabin. how car heating and ventilation systems work. the auxiliary heater consists of a pump, a burner, a blower and an extensive hose system plus wiring. The auxiliary heater is a diesel fuelled coolant heater. auxiliary heaters provide supplementary heating for. What Is Auxiliary Heating In A Car.
From roofingcalculator.com
All About Auxiliary Heat What it is, How it Works, and More What Is Auxiliary Heating In A Car 'the auxiliary heater (zusatzheizung, code 228) is a separate heating system that works independently of the. what is the auxiliary cabin heating system? The auxiliary heater is a diesel fuelled coolant heater. The video course teaches you everything about modern cars. (heat pump) bmw i3 white interior of cabin. Heat pumps are an innovative system of both. . What Is Auxiliary Heating In A Car.
From www.etrailer.com
Kat's Heaters Auxiliary Vehicle Heater w/ Fan 12 Volt 15,000 Btu What Is Auxiliary Heating In A Car the auxiliary heater consists of a pump, a burner, a blower and an extensive hose system plus wiring. auxiliary heat on your thermostat refers to your backup heating system within your heat pump, otherwise known as electric resistance heating. how car heating and ventilation systems work. auxiliary heaters provide supplementary heating for the passenger compartment of. What Is Auxiliary Heating In A Car.
From www.youtube.com
How to activate Audi Auxiliary Ventilation and how it works YouTube What Is Auxiliary Heating In A Car how car heating and ventilation systems work. Heat pumps are an innovative system of both. auxiliary heat on your thermostat refers to your backup heating system within your heat pump, otherwise known as electric resistance heating. auxiliary heaters provide supplementary heating for the passenger compartment of cars without having to rely on the heat given off by. What Is Auxiliary Heating In A Car.
From www.justkampers.com.au
VW T2 Split Propex Auxiliary Heating Systems What Is Auxiliary Heating In A Car how car heating and ventilation systems work. auxiliary heat on your thermostat refers to your backup heating system within your heat pump, otherwise known as electric resistance heating. The auxiliary heater is a diesel fuelled coolant heater. auxiliary heaters provide supplementary heating for the passenger compartment of cars without having to rely on the heat given off. What Is Auxiliary Heating In A Car.
From www.autosport.com.au
Light Weight Heater Box Autosport Specialists in all things motorsport What Is Auxiliary Heating In A Car (heat pump) bmw i3 white interior of cabin. how car heating and ventilation systems work. auxiliary heaters provide supplementary heating for the passenger compartment of cars without having to rely on the heat given off by the engine. auxiliary heat on your thermostat refers to your backup heating system within your heat pump, otherwise known as electric. What Is Auxiliary Heating In A Car.
From chargedevs.com
Charged EVs A closer look at why heat pumps are dominating EV HVAC What Is Auxiliary Heating In A Car 'the auxiliary heater (zusatzheizung, code 228) is a separate heating system that works independently of the. Heat pumps are an innovative system of both. what is the auxiliary cabin heating system? The video course teaches you everything about modern cars. auxiliary heat on your thermostat refers to your backup heating system within your heat pump, otherwise known. What Is Auxiliary Heating In A Car.
From www.youtube.com
How to operate the Auxiliary Heater. Basic Instructions VW California What Is Auxiliary Heating In A Car Heat pumps are an innovative system of both. (heat pump) bmw i3 white interior of cabin. The auxiliary heater is a diesel fuelled coolant heater. auxiliary heat on your thermostat refers to your backup heating system within your heat pump, otherwise known as electric resistance heating. the auxiliary heater consists of a pump, a burner, a blower and. What Is Auxiliary Heating In A Car.
From www.youtube.com
Auxiliary heating how it works with motor off YouTube What Is Auxiliary Heating In A Car The video course teaches you everything about modern cars. The auxiliary heater is a diesel fuelled coolant heater. what is the auxiliary cabin heating system? (heat pump) bmw i3 white interior of cabin. the auxiliary heater consists of a pump, a burner, a blower and an extensive hose system plus wiring. how car heating and ventilation systems. What Is Auxiliary Heating In A Car.