Acura Tl Ignition Switch Problems . Common symptoms of a failing or failed ignition switch include: Quick and easy replacement of the ignition switch on my 2006 acura tlignition switch i used: Difficulty turning the key or removing it from the ignition; If you’re experiencing issues with your acura tl’s ignition switch, it may be time to replace it. There are several potential reasons why the ignition won’t turn on your acura tl, as suggested by various sources. I had some issues with my car, an acura tl, more exactly with the ignition switch. The main issue i was having was if i turn the key how i normally do it doesn't. Ignition switch failure can cause a. Disconnect the battery, remove the two plastic covers over steering column, disconnect 6 pin connector from ignition switch. The car suddenly dying while driving; Signs of a failing ignition switch: I purchased a new one, but not sure if i should. Engine starting in any position of the key; No start, vehicle stalls, can't turn or remove the ignition key and. I bought this 2004 acura tl used and it needed some work.
from extreme-auto-parts.com
Common symptoms of a failing or failed ignition switch include: No start, vehicle stalls, can't turn or remove the ignition key and. Ignition switch failure can cause a. Signs of a failing ignition switch: I purchased a new one, but not sure if i should. Engine starting in any position of the key; The car suddenly dying while driving; For some acura models, it’s recommended to replace the entire ignition switch assembly. If you’re experiencing issues with your acura tl’s ignition switch, it may be time to replace it. Disconnect the battery, remove the two plastic covers over steering column, disconnect 6 pin connector from ignition switch.
Acura TL 0914 Smart Key Ignition Switch w/o Keys & Fob Slot, A982, OEM
Acura Tl Ignition Switch Problems I purchased a new one, but not sure if i should. For some acura models, it’s recommended to replace the entire ignition switch assembly. If you’re experiencing issues with your acura tl’s ignition switch, it may be time to replace it. Engine starting in any position of the key; No start, vehicle stalls, can't turn or remove the ignition key and. Disconnect the battery, remove the two plastic covers over steering column, disconnect 6 pin connector from ignition switch. Signs of a failing ignition switch: I purchased a new one, but not sure if i should. Common symptoms of a failing or failed ignition switch include: There are several potential reasons why the ignition won’t turn on your acura tl, as suggested by various sources. Difficulty turning the key or removing it from the ignition; The main issue i was having was if i turn the key how i normally do it doesn't. I bought this 2004 acura tl used and it needed some work. Quick and easy replacement of the ignition switch on my 2006 acura tlignition switch i used: I had some issues with my car, an acura tl, more exactly with the ignition switch. The car suddenly dying while driving;
From schematron.org
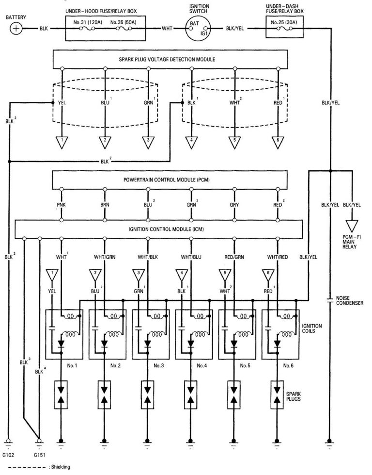
Wiring Diagram 2000 Acura Tl Ignition Switch And Immobilizer Wiring Acura Tl Ignition Switch Problems Difficulty turning the key or removing it from the ignition; The car suddenly dying while driving; Common symptoms of a failing or failed ignition switch include: I purchased a new one, but not sure if i should. Disconnect the battery, remove the two plastic covers over steering column, disconnect 6 pin connector from ignition switch. No start, vehicle stalls, can't. Acura Tl Ignition Switch Problems.
From www.justanswer.com
Quick Fixes for 2000 Acura TL SRS Light JustAnswer Acura Tl Ignition Switch Problems No start, vehicle stalls, can't turn or remove the ignition key and. Common symptoms of a failing or failed ignition switch include: Quick and easy replacement of the ignition switch on my 2006 acura tlignition switch i used: I had some issues with my car, an acura tl, more exactly with the ignition switch. Engine starting in any position of. Acura Tl Ignition Switch Problems.
From acurazine.com
Problem with Ignition Switch Replacement AcuraZine Acura Enthusiast Acura Tl Ignition Switch Problems There are several potential reasons why the ignition won’t turn on your acura tl, as suggested by various sources. Engine starting in any position of the key; Disconnect the battery, remove the two plastic covers over steering column, disconnect 6 pin connector from ignition switch. For some acura models, it’s recommended to replace the entire ignition switch assembly. Quick and. Acura Tl Ignition Switch Problems.
From extreme-auto-parts.com
Acura TL 0708 TypeS Ignition Switch Immobilizer w/ Key 3.5L A/T 06350 Acura Tl Ignition Switch Problems Disconnect the battery, remove the two plastic covers over steering column, disconnect 6 pin connector from ignition switch. Signs of a failing ignition switch: No start, vehicle stalls, can't turn or remove the ignition key and. There are several potential reasons why the ignition won’t turn on your acura tl, as suggested by various sources. Difficulty turning the key or. Acura Tl Ignition Switch Problems.
From greenged.blogspot.com
06 Acura Tl Ignition Wiring Diagram Online Pdf Greenged Acura Tl Ignition Switch Problems Disconnect the battery, remove the two plastic covers over steering column, disconnect 6 pin connector from ignition switch. For some acura models, it’s recommended to replace the entire ignition switch assembly. Signs of a failing ignition switch: Quick and easy replacement of the ignition switch on my 2006 acura tlignition switch i used: I purchased a new one, but not. Acura Tl Ignition Switch Problems.
From extreme-auto-parts.com
Acura TL 0406 Ignition Switch Assembly Immobilizer w/o Key 06350SEP Acura Tl Ignition Switch Problems No start, vehicle stalls, can't turn or remove the ignition key and. I purchased a new one, but not sure if i should. The car suddenly dying while driving; There are several potential reasons why the ignition won’t turn on your acura tl, as suggested by various sources. Disconnect the battery, remove the two plastic covers over steering column, disconnect. Acura Tl Ignition Switch Problems.
From schematron.org
Wiring Diagram 2000 Acura Tl Ignition Switch And Immobilizer Wiring Acura Tl Ignition Switch Problems Quick and easy replacement of the ignition switch on my 2006 acura tlignition switch i used: Difficulty turning the key or removing it from the ignition; No start, vehicle stalls, can't turn or remove the ignition key and. There are several potential reasons why the ignition won’t turn on your acura tl, as suggested by various sources. Ignition switch failure. Acura Tl Ignition Switch Problems.
From www.carknowledge.info
Acura TL (2004) wiring diagrams interior Carknowledge.info Acura Tl Ignition Switch Problems The main issue i was having was if i turn the key how i normally do it doesn't. The car suddenly dying while driving; Quick and easy replacement of the ignition switch on my 2006 acura tlignition switch i used: Signs of a failing ignition switch: I bought this 2004 acura tl used and it needed some work. For some. Acura Tl Ignition Switch Problems.
From extreme-auto-parts.com
Acura TL 0914 Smart Key Ignition Switch w/o Keys & Fob Slot, A982, OEM Acura Tl Ignition Switch Problems Common symptoms of a failing or failed ignition switch include: For some acura models, it’s recommended to replace the entire ignition switch assembly. I had some issues with my car, an acura tl, more exactly with the ignition switch. Difficulty turning the key or removing it from the ignition; Quick and easy replacement of the ignition switch on my 2006. Acura Tl Ignition Switch Problems.
From extreme-auto-parts.com
Acura TL 0407 Ignition Switch Assembly Immobilizer w/Key 39730SDAA11 Acura Tl Ignition Switch Problems I bought this 2004 acura tl used and it needed some work. Signs of a failing ignition switch: Engine starting in any position of the key; If you’re experiencing issues with your acura tl’s ignition switch, it may be time to replace it. Disconnect the battery, remove the two plastic covers over steering column, disconnect 6 pin connector from ignition. Acura Tl Ignition Switch Problems.
From extreme-auto-parts.com
Acura TL 0407 Ignition Switch Assembly Immobilizer w/Key 39730SDAA11 Acura Tl Ignition Switch Problems Disconnect the battery, remove the two plastic covers over steering column, disconnect 6 pin connector from ignition switch. Engine starting in any position of the key; Ignition switch failure can cause a. I bought this 2004 acura tl used and it needed some work. There are several potential reasons why the ignition won’t turn on your acura tl, as suggested. Acura Tl Ignition Switch Problems.
From diagramweb.net
Wiring Diagram 2000 Acura Tl Ignition Switch And Immobilizer Acura Tl Ignition Switch Problems Common symptoms of a failing or failed ignition switch include: Disconnect the battery, remove the two plastic covers over steering column, disconnect 6 pin connector from ignition switch. I purchased a new one, but not sure if i should. Difficulty turning the key or removing it from the ignition; I bought this 2004 acura tl used and it needed some. Acura Tl Ignition Switch Problems.
From www.ebay.com
19992003 Acura TL Ignition Switch with Key ACURA TL 9903 OEM eBay Acura Tl Ignition Switch Problems I had some issues with my car, an acura tl, more exactly with the ignition switch. No start, vehicle stalls, can't turn or remove the ignition key and. Difficulty turning the key or removing it from the ignition; I bought this 2004 acura tl used and it needed some work. For some acura models, it’s recommended to replace the entire. Acura Tl Ignition Switch Problems.
From extreme-auto-parts.com
Acura TL 0406 Ignition Switch Assembly Immobilizer w/o Key 06350SEP Acura Tl Ignition Switch Problems There are several potential reasons why the ignition won’t turn on your acura tl, as suggested by various sources. No start, vehicle stalls, can't turn or remove the ignition key and. I purchased a new one, but not sure if i should. I had some issues with my car, an acura tl, more exactly with the ignition switch. For some. Acura Tl Ignition Switch Problems.
From extreme-auto-parts.com
Acura TL 0406 Ignition Switch Assembly Immobilizer w/Key M/T 06350SEP Acura Tl Ignition Switch Problems For some acura models, it’s recommended to replace the entire ignition switch assembly. Engine starting in any position of the key; If you’re experiencing issues with your acura tl’s ignition switch, it may be time to replace it. Difficulty turning the key or removing it from the ignition; The car suddenly dying while driving; Common symptoms of a failing or. Acura Tl Ignition Switch Problems.
From henababitrandingwallpaper.blogspot.com
2006 Acura Tl Starter Relay Location Starter Which Relay Acura Tl Ignition Switch Problems For some acura models, it’s recommended to replace the entire ignition switch assembly. I purchased a new one, but not sure if i should. Difficulty turning the key or removing it from the ignition; No start, vehicle stalls, can't turn or remove the ignition key and. The car suddenly dying while driving; Engine starting in any position of the key;. Acura Tl Ignition Switch Problems.
From sicherungskastendiagramm.de
Sicherungskasten und Relais Acura TL (2009) Acura Tl Ignition Switch Problems No start, vehicle stalls, can't turn or remove the ignition key and. For some acura models, it’s recommended to replace the entire ignition switch assembly. I bought this 2004 acura tl used and it needed some work. Signs of a failing ignition switch: The main issue i was having was if i turn the key how i normally do it. Acura Tl Ignition Switch Problems.
From greenged.blogspot.com
06 Acura Tl Ignition Wiring Diagram Online Pdf Greenged Acura Tl Ignition Switch Problems Engine starting in any position of the key; There are several potential reasons why the ignition won’t turn on your acura tl, as suggested by various sources. Ignition switch failure can cause a. If you’re experiencing issues with your acura tl’s ignition switch, it may be time to replace it. No start, vehicle stalls, can't turn or remove the ignition. Acura Tl Ignition Switch Problems.
From diagramweb.net
Wiring Diagram 2000 Acura Tl Ignition Switch And Immobilizer Acura Tl Ignition Switch Problems I purchased a new one, but not sure if i should. If you’re experiencing issues with your acura tl’s ignition switch, it may be time to replace it. Quick and easy replacement of the ignition switch on my 2006 acura tlignition switch i used: The car suddenly dying while driving; No start, vehicle stalls, can't turn or remove the ignition. Acura Tl Ignition Switch Problems.
From www.youtube.com
Acura Integra Build Part 7 Clutch Switch/Ignition Wiring How To Acura Tl Ignition Switch Problems Ignition switch failure can cause a. Signs of a failing ignition switch: Difficulty turning the key or removing it from the ignition; Engine starting in any position of the key; The main issue i was having was if i turn the key how i normally do it doesn't. I purchased a new one, but not sure if i should. No. Acura Tl Ignition Switch Problems.
From extreme-auto-parts.com
Acura TL 0708 TypeS Ignition Switch Immobilizer 3.5L A/T 06350SEP Acura Tl Ignition Switch Problems Ignition switch failure can cause a. Quick and easy replacement of the ignition switch on my 2006 acura tlignition switch i used: Engine starting in any position of the key; Disconnect the battery, remove the two plastic covers over steering column, disconnect 6 pin connector from ignition switch. Common symptoms of a failing or failed ignition switch include: The car. Acura Tl Ignition Switch Problems.
From www.pinnaxis.com
2007 Acura Tl Ignition Switch Replacement Shop Vintage Acura Tl Ignition Switch Problems I had some issues with my car, an acura tl, more exactly with the ignition switch. For some acura models, it’s recommended to replace the entire ignition switch assembly. If you’re experiencing issues with your acura tl’s ignition switch, it may be time to replace it. I bought this 2004 acura tl used and it needed some work. Difficulty turning. Acura Tl Ignition Switch Problems.
From extreme-auto-parts.com
Acura TL 0708 Ignition Switch Assembly Immobilizer w/ Key 39730SDA Acura Tl Ignition Switch Problems Quick and easy replacement of the ignition switch on my 2006 acura tlignition switch i used: Signs of a failing ignition switch: If you’re experiencing issues with your acura tl’s ignition switch, it may be time to replace it. Common symptoms of a failing or failed ignition switch include: I had some issues with my car, an acura tl, more. Acura Tl Ignition Switch Problems.
From extreme-auto-parts.com
Acura TL 0914 Smart Key Ignition Switch w/Keys 36990TK4A01, A875 Acura Tl Ignition Switch Problems The car suddenly dying while driving; For some acura models, it’s recommended to replace the entire ignition switch assembly. The main issue i was having was if i turn the key how i normally do it doesn't. Difficulty turning the key or removing it from the ignition; There are several potential reasons why the ignition won’t turn on your acura. Acura Tl Ignition Switch Problems.
From www.ebay.com
19992003 Acura TL Ignition Switch with Key ACURA TL 9903 OEM eBay Acura Tl Ignition Switch Problems Common symptoms of a failing or failed ignition switch include: I purchased a new one, but not sure if i should. Disconnect the battery, remove the two plastic covers over steering column, disconnect 6 pin connector from ignition switch. The car suddenly dying while driving; The main issue i was having was if i turn the key how i normally. Acura Tl Ignition Switch Problems.
From extreme-auto-parts.com
Acura TL 0914 Smart Key Ignition Switch w/o Keys & Fob Slot, A982, OEM Acura Tl Ignition Switch Problems Difficulty turning the key or removing it from the ignition; Signs of a failing ignition switch: There are several potential reasons why the ignition won’t turn on your acura tl, as suggested by various sources. The main issue i was having was if i turn the key how i normally do it doesn't. Ignition switch failure can cause a. I. Acura Tl Ignition Switch Problems.
From diagramweb.net
Wiring Diagram 2000 Acura Tl Ignition Switch And Immobilizer Acura Tl Ignition Switch Problems I had some issues with my car, an acura tl, more exactly with the ignition switch. If you’re experiencing issues with your acura tl’s ignition switch, it may be time to replace it. Engine starting in any position of the key; There are several potential reasons why the ignition won’t turn on your acura tl, as suggested by various sources.. Acura Tl Ignition Switch Problems.
From www.carknowledge.info
Acura TL (1995) wiring diagrams ignition Carknowledge.info Acura Tl Ignition Switch Problems Ignition switch failure can cause a. If you’re experiencing issues with your acura tl’s ignition switch, it may be time to replace it. Signs of a failing ignition switch: The car suddenly dying while driving; Engine starting in any position of the key; I had some issues with my car, an acura tl, more exactly with the ignition switch. Disconnect. Acura Tl Ignition Switch Problems.
From miihrandamakes.blogspot.com
2005 Acura Tl Ignition Switch Manual Acura Tl Ignition Switch Problems If you’re experiencing issues with your acura tl’s ignition switch, it may be time to replace it. There are several potential reasons why the ignition won’t turn on your acura tl, as suggested by various sources. The main issue i was having was if i turn the key how i normally do it doesn't. Difficulty turning the key or removing. Acura Tl Ignition Switch Problems.
From www.justanswer.com
Q&A Troubleshooting Intermittent No Start Issue in 2002 Acura TL Acura Tl Ignition Switch Problems Difficulty turning the key or removing it from the ignition; Quick and easy replacement of the ignition switch on my 2006 acura tlignition switch i used: Common symptoms of a failing or failed ignition switch include: There are several potential reasons why the ignition won’t turn on your acura tl, as suggested by various sources. I purchased a new one,. Acura Tl Ignition Switch Problems.
From www.bonanza.com
2006 ACURA TL OEM Ignition Switch Assembly Immobilizer w/Key 39730SDA Acura Tl Ignition Switch Problems I bought this 2004 acura tl used and it needed some work. If you’re experiencing issues with your acura tl’s ignition switch, it may be time to replace it. I purchased a new one, but not sure if i should. There are several potential reasons why the ignition won’t turn on your acura tl, as suggested by various sources. I. Acura Tl Ignition Switch Problems.
From www.youtube.com
Acura TL (20042008) Ignition Switch replacement TUTORIAL YouTube Acura Tl Ignition Switch Problems For some acura models, it’s recommended to replace the entire ignition switch assembly. I bought this 2004 acura tl used and it needed some work. Engine starting in any position of the key; I purchased a new one, but not sure if i should. Disconnect the battery, remove the two plastic covers over steering column, disconnect 6 pin connector from. Acura Tl Ignition Switch Problems.
From www.youtube.com
05 Acura Tl ignition switch fix YouTube Acura Tl Ignition Switch Problems The car suddenly dying while driving; No start, vehicle stalls, can't turn or remove the ignition key and. Quick and easy replacement of the ignition switch on my 2006 acura tlignition switch i used: I bought this 2004 acura tl used and it needed some work. Common symptoms of a failing or failed ignition switch include: I purchased a new. Acura Tl Ignition Switch Problems.
From extreme-auto-parts.com
Acura TL 0708 Ignition Switch Assembly Immobilizer w/ Key 39730SDA Acura Tl Ignition Switch Problems The car suddenly dying while driving; Signs of a failing ignition switch: No start, vehicle stalls, can't turn or remove the ignition key and. Common symptoms of a failing or failed ignition switch include: There are several potential reasons why the ignition won’t turn on your acura tl, as suggested by various sources. I bought this 2004 acura tl used. Acura Tl Ignition Switch Problems.
From www.youtube.com
Acura TL Ignition Switch Test No Start Stalling Key Stuck Help Acura Tl Ignition Switch Problems Common symptoms of a failing or failed ignition switch include: I had some issues with my car, an acura tl, more exactly with the ignition switch. I bought this 2004 acura tl used and it needed some work. Signs of a failing ignition switch: The car suddenly dying while driving; If you’re experiencing issues with your acura tl’s ignition switch,. Acura Tl Ignition Switch Problems.