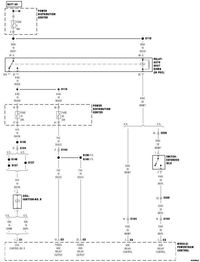
P2314 Ignition Coil 5 Secondary Circuit-Insufficient Ionization . if your vehicle has stored a code p2314, accompanied by a malfunction indicator lamp (mil), it means that the powertrain control module (pcm) has detected an. diagnostic trouble code (dtc) p2314 stands for “ignition coil ‘e’ secondary circuit.”. Code p2314 triggers when the powertrain control module (pcm) is unable to control the ignition coil designated “e.”. Common causes of the p2314 code include ignition coil failure, pcm failure, and a bad spark plug or spark plug wire. The purpose of this diagnostic monitor is to. unlock the secrets behind dodge code p2314 and discover why the ignition coil 5 secondary circuit is insufficiently ionizing. according to the diagnostics for those codes, it saying that the pcm detects that the secondary part of the ignition system (plugs,. if pcm detects that the secondary ignition burn time is incorrect, to short, or not present, an error is detected.
from www.diagramcircuit.com
if your vehicle has stored a code p2314, accompanied by a malfunction indicator lamp (mil), it means that the powertrain control module (pcm) has detected an. unlock the secrets behind dodge code p2314 and discover why the ignition coil 5 secondary circuit is insufficiently ionizing. according to the diagnostics for those codes, it saying that the pcm detects that the secondary part of the ignition system (plugs,. if pcm detects that the secondary ignition burn time is incorrect, to short, or not present, an error is detected. diagnostic trouble code (dtc) p2314 stands for “ignition coil ‘e’ secondary circuit.”. Common causes of the p2314 code include ignition coil failure, pcm failure, and a bad spark plug or spark plug wire. The purpose of this diagnostic monitor is to. Code p2314 triggers when the powertrain control module (pcm) is unable to control the ignition coil designated “e.”.
What Is Ignition Coil A Primary Secondary Circuit Diagram Circuit
P2314 Ignition Coil 5 Secondary Circuit-Insufficient Ionization Code p2314 triggers when the powertrain control module (pcm) is unable to control the ignition coil designated “e.”. if pcm detects that the secondary ignition burn time is incorrect, to short, or not present, an error is detected. if your vehicle has stored a code p2314, accompanied by a malfunction indicator lamp (mil), it means that the powertrain control module (pcm) has detected an. The purpose of this diagnostic monitor is to. according to the diagnostics for those codes, it saying that the pcm detects that the secondary part of the ignition system (plugs,. Code p2314 triggers when the powertrain control module (pcm) is unable to control the ignition coil designated “e.”. unlock the secrets behind dodge code p2314 and discover why the ignition coil 5 secondary circuit is insufficiently ionizing. Common causes of the p2314 code include ignition coil failure, pcm failure, and a bad spark plug or spark plug wire. diagnostic trouble code (dtc) p2314 stands for “ignition coil ‘e’ secondary circuit.”.
From www.slideserve.com
PPT Secondary Ignition PowerPoint Presentation, free download ID837835 P2314 Ignition Coil 5 Secondary Circuit-Insufficient Ionization unlock the secrets behind dodge code p2314 and discover why the ignition coil 5 secondary circuit is insufficiently ionizing. Code p2314 triggers when the powertrain control module (pcm) is unable to control the ignition coil designated “e.”. Common causes of the p2314 code include ignition coil failure, pcm failure, and a bad spark plug or spark plug wire. The. P2314 Ignition Coil 5 Secondary Circuit-Insufficient Ionization.
From zinref.ru
Dodge Dakota (ND). Manual part 787 P2314 Ignition Coil 5 Secondary Circuit-Insufficient Ionization unlock the secrets behind dodge code p2314 and discover why the ignition coil 5 secondary circuit is insufficiently ionizing. if your vehicle has stored a code p2314, accompanied by a malfunction indicator lamp (mil), it means that the powertrain control module (pcm) has detected an. Common causes of the p2314 code include ignition coil failure, pcm failure, and. P2314 Ignition Coil 5 Secondary Circuit-Insufficient Ionization.
From machineblackboys.z13.web.core.windows.net
P2314 Dodge Ram 1500 P2314 Ignition Coil 5 Secondary Circuit-Insufficient Ionization if your vehicle has stored a code p2314, accompanied by a malfunction indicator lamp (mil), it means that the powertrain control module (pcm) has detected an. The purpose of this diagnostic monitor is to. according to the diagnostics for those codes, it saying that the pcm detects that the secondary part of the ignition system (plugs,. diagnostic. P2314 Ignition Coil 5 Secondary Circuit-Insufficient Ionization.
From www.diagramcircuit.com
What Is Ignition Coil A Primary Secondary Circuit Diagram Circuit P2314 Ignition Coil 5 Secondary Circuit-Insufficient Ionization if pcm detects that the secondary ignition burn time is incorrect, to short, or not present, an error is detected. The purpose of this diagnostic monitor is to. Common causes of the p2314 code include ignition coil failure, pcm failure, and a bad spark plug or spark plug wire. if your vehicle has stored a code p2314, accompanied. P2314 Ignition Coil 5 Secondary Circuit-Insufficient Ionization.
From themotorguy.com
P2314 Code Ignition Coil E Secondary Circuit Issues The Motor Guy P2314 Ignition Coil 5 Secondary Circuit-Insufficient Ionization Common causes of the p2314 code include ignition coil failure, pcm failure, and a bad spark plug or spark plug wire. if pcm detects that the secondary ignition burn time is incorrect, to short, or not present, an error is detected. unlock the secrets behind dodge code p2314 and discover why the ignition coil 5 secondary circuit is. P2314 Ignition Coil 5 Secondary Circuit-Insufficient Ionization.
From themotorguy.com
P2314 Code Ignition Coil E Secondary Circuit Issues The Motor Guy P2314 Ignition Coil 5 Secondary Circuit-Insufficient Ionization Common causes of the p2314 code include ignition coil failure, pcm failure, and a bad spark plug or spark plug wire. if pcm detects that the secondary ignition burn time is incorrect, to short, or not present, an error is detected. according to the diagnostics for those codes, it saying that the pcm detects that the secondary part. P2314 Ignition Coil 5 Secondary Circuit-Insufficient Ionization.
From www.diagramelectric.co
Ignition Coil B Secondary Circuit P2305 Code Wiring Diagram P2314 Ignition Coil 5 Secondary Circuit-Insufficient Ionization unlock the secrets behind dodge code p2314 and discover why the ignition coil 5 secondary circuit is insufficiently ionizing. if pcm detects that the secondary ignition burn time is incorrect, to short, or not present, an error is detected. according to the diagnostics for those codes, it saying that the pcm detects that the secondary part of. P2314 Ignition Coil 5 Secondary Circuit-Insufficient Ionization.
From www.carparts.com
P2311 Code Ignition Coil “D” Secondary Circuit In The Garage with P2314 Ignition Coil 5 Secondary Circuit-Insufficient Ionization if pcm detects that the secondary ignition burn time is incorrect, to short, or not present, an error is detected. if your vehicle has stored a code p2314, accompanied by a malfunction indicator lamp (mil), it means that the powertrain control module (pcm) has detected an. Common causes of the p2314 code include ignition coil failure, pcm failure,. P2314 Ignition Coil 5 Secondary Circuit-Insufficient Ionization.
From mechanicizlaskomq5o.z21.web.core.windows.net
Ignition Coil D Primary Secondary Circuit P2314 Ignition Coil 5 Secondary Circuit-Insufficient Ionization unlock the secrets behind dodge code p2314 and discover why the ignition coil 5 secondary circuit is insufficiently ionizing. if pcm detects that the secondary ignition burn time is incorrect, to short, or not present, an error is detected. diagnostic trouble code (dtc) p2314 stands for “ignition coil ‘e’ secondary circuit.”. Code p2314 triggers when the powertrain. P2314 Ignition Coil 5 Secondary Circuit-Insufficient Ionization.
From zinref.ru
Chrysler Sebring, Stratus sedan, Sebring Convertible. Manual part 229 P2314 Ignition Coil 5 Secondary Circuit-Insufficient Ionization Code p2314 triggers when the powertrain control module (pcm) is unable to control the ignition coil designated “e.”. if pcm detects that the secondary ignition burn time is incorrect, to short, or not present, an error is detected. Common causes of the p2314 code include ignition coil failure, pcm failure, and a bad spark plug or spark plug wire.. P2314 Ignition Coil 5 Secondary Circuit-Insufficient Ionization.
From repairfixpaskiau2w8.z19.web.core.windows.net
Ignition Coil C Primary Secondary Circuit P2314 Ignition Coil 5 Secondary Circuit-Insufficient Ionization if your vehicle has stored a code p2314, accompanied by a malfunction indicator lamp (mil), it means that the powertrain control module (pcm) has detected an. unlock the secrets behind dodge code p2314 and discover why the ignition coil 5 secondary circuit is insufficiently ionizing. The purpose of this diagnostic monitor is to. if pcm detects that. P2314 Ignition Coil 5 Secondary Circuit-Insufficient Ionization.
From charm.li
P2314 — 2006 Chrysler 300 V63.5L VIN G Service Manual Operation CHARM P2314 Ignition Coil 5 Secondary Circuit-Insufficient Ionization if pcm detects that the secondary ignition burn time is incorrect, to short, or not present, an error is detected. Common causes of the p2314 code include ignition coil failure, pcm failure, and a bad spark plug or spark plug wire. according to the diagnostics for those codes, it saying that the pcm detects that the secondary part. P2314 Ignition Coil 5 Secondary Circuit-Insufficient Ionization.
From dxobppnjk.blob.core.windows.net
Ignition Coil 6 Secondary Circuit Insufficient Ionization at Stacey P2314 Ignition Coil 5 Secondary Circuit-Insufficient Ionization Common causes of the p2314 code include ignition coil failure, pcm failure, and a bad spark plug or spark plug wire. if pcm detects that the secondary ignition burn time is incorrect, to short, or not present, an error is detected. The purpose of this diagnostic monitor is to. according to the diagnostics for those codes, it saying. P2314 Ignition Coil 5 Secondary Circuit-Insufficient Ionization.
From zinref.ru
Dodge Ram Truck 150025003500. Manual part 1015 P2314 Ignition Coil 5 Secondary Circuit-Insufficient Ionization if pcm detects that the secondary ignition burn time is incorrect, to short, or not present, an error is detected. Common causes of the p2314 code include ignition coil failure, pcm failure, and a bad spark plug or spark plug wire. unlock the secrets behind dodge code p2314 and discover why the ignition coil 5 secondary circuit is. P2314 Ignition Coil 5 Secondary Circuit-Insufficient Ionization.
From www.jeep.automotive-manuals.com
P2323IGNITION COIL 8 SECONDARY CIRCUIT INSUFFICIENT IONIZATION JEEP P2314 Ignition Coil 5 Secondary Circuit-Insufficient Ionization if pcm detects that the secondary ignition burn time is incorrect, to short, or not present, an error is detected. diagnostic trouble code (dtc) p2314 stands for “ignition coil ‘e’ secondary circuit.”. The purpose of this diagnostic monitor is to. Code p2314 triggers when the powertrain control module (pcm) is unable to control the ignition coil designated “e.”.. P2314 Ignition Coil 5 Secondary Circuit-Insufficient Ionization.
From zinref.ru
Dodge Dakota (ND). Manual part 787 P2314 Ignition Coil 5 Secondary Circuit-Insufficient Ionization if pcm detects that the secondary ignition burn time is incorrect, to short, or not present, an error is detected. diagnostic trouble code (dtc) p2314 stands for “ignition coil ‘e’ secondary circuit.”. if your vehicle has stored a code p2314, accompanied by a malfunction indicator lamp (mil), it means that the powertrain control module (pcm) has detected. P2314 Ignition Coil 5 Secondary Circuit-Insufficient Ionization.
From www.carparts.com
P2302 Code Ignition Coil “A” Secondary Circuit In The Garage with P2314 Ignition Coil 5 Secondary Circuit-Insufficient Ionization if pcm detects that the secondary ignition burn time is incorrect, to short, or not present, an error is detected. according to the diagnostics for those codes, it saying that the pcm detects that the secondary part of the ignition system (plugs,. The purpose of this diagnostic monitor is to. diagnostic trouble code (dtc) p2314 stands for. P2314 Ignition Coil 5 Secondary Circuit-Insufficient Ionization.
From dxobppnjk.blob.core.windows.net
Ignition Coil 6 Secondary Circuit Insufficient Ionization at Stacey P2314 Ignition Coil 5 Secondary Circuit-Insufficient Ionization if pcm detects that the secondary ignition burn time is incorrect, to short, or not present, an error is detected. Common causes of the p2314 code include ignition coil failure, pcm failure, and a bad spark plug or spark plug wire. according to the diagnostics for those codes, it saying that the pcm detects that the secondary part. P2314 Ignition Coil 5 Secondary Circuit-Insufficient Ionization.
From www.carparts.com
P2314 Code Ignition Coil “E” Secondary Circuit In The Garage with P2314 Ignition Coil 5 Secondary Circuit-Insufficient Ionization unlock the secrets behind dodge code p2314 and discover why the ignition coil 5 secondary circuit is insufficiently ionizing. if your vehicle has stored a code p2314, accompanied by a malfunction indicator lamp (mil), it means that the powertrain control module (pcm) has detected an. if pcm detects that the secondary ignition burn time is incorrect, to. P2314 Ignition Coil 5 Secondary Circuit-Insufficient Ionization.
From themotorguy.com
P2314 Code Ignition Coil E Secondary Circuit Issues The Motor Guy P2314 Ignition Coil 5 Secondary Circuit-Insufficient Ionization The purpose of this diagnostic monitor is to. Code p2314 triggers when the powertrain control module (pcm) is unable to control the ignition coil designated “e.”. according to the diagnostics for those codes, it saying that the pcm detects that the secondary part of the ignition system (plugs,. Common causes of the p2314 code include ignition coil failure, pcm. P2314 Ignition Coil 5 Secondary Circuit-Insufficient Ionization.
From www.diagramelectric.co
Ignition Coil B Secondary Circuit P2305 Code Mercedes Benz Wiring Diagram P2314 Ignition Coil 5 Secondary Circuit-Insufficient Ionization The purpose of this diagnostic monitor is to. if pcm detects that the secondary ignition burn time is incorrect, to short, or not present, an error is detected. Code p2314 triggers when the powertrain control module (pcm) is unable to control the ignition coil designated “e.”. if your vehicle has stored a code p2314, accompanied by a malfunction. P2314 Ignition Coil 5 Secondary Circuit-Insufficient Ionization.
From mechanicizlaskomq5o.z21.web.core.windows.net
Ignition Coil E Primary Secondary Circuit P2314 Ignition Coil 5 Secondary Circuit-Insufficient Ionization diagnostic trouble code (dtc) p2314 stands for “ignition coil ‘e’ secondary circuit.”. if your vehicle has stored a code p2314, accompanied by a malfunction indicator lamp (mil), it means that the powertrain control module (pcm) has detected an. if pcm detects that the secondary ignition burn time is incorrect, to short, or not present, an error is. P2314 Ignition Coil 5 Secondary Circuit-Insufficient Ionization.
From www.diagramelectric.co
Ignition Coil A Primary Secondary Circuit Location Wiring Diagram P2314 Ignition Coil 5 Secondary Circuit-Insufficient Ionization Common causes of the p2314 code include ignition coil failure, pcm failure, and a bad spark plug or spark plug wire. diagnostic trouble code (dtc) p2314 stands for “ignition coil ‘e’ secondary circuit.”. if your vehicle has stored a code p2314, accompanied by a malfunction indicator lamp (mil), it means that the powertrain control module (pcm) has detected. P2314 Ignition Coil 5 Secondary Circuit-Insufficient Ionization.
From mechanicisenzileuas.z21.web.core.windows.net
Ignition Coil E Primary Secondary Circuit P2314 Ignition Coil 5 Secondary Circuit-Insufficient Ionization diagnostic trouble code (dtc) p2314 stands for “ignition coil ‘e’ secondary circuit.”. Common causes of the p2314 code include ignition coil failure, pcm failure, and a bad spark plug or spark plug wire. Code p2314 triggers when the powertrain control module (pcm) is unable to control the ignition coil designated “e.”. unlock the secrets behind dodge code p2314. P2314 Ignition Coil 5 Secondary Circuit-Insufficient Ionization.
From themotorguy.com
P2314 Code Ignition Coil E Secondary Circuit Issues The Motor Guy P2314 Ignition Coil 5 Secondary Circuit-Insufficient Ionization if your vehicle has stored a code p2314, accompanied by a malfunction indicator lamp (mil), it means that the powertrain control module (pcm) has detected an. if pcm detects that the secondary ignition burn time is incorrect, to short, or not present, an error is detected. unlock the secrets behind dodge code p2314 and discover why the. P2314 Ignition Coil 5 Secondary Circuit-Insufficient Ionization.
From www.carparts.com
P2314 Code Ignition Coil “E” Secondary Circuit In The Garage with P2314 Ignition Coil 5 Secondary Circuit-Insufficient Ionization diagnostic trouble code (dtc) p2314 stands for “ignition coil ‘e’ secondary circuit.”. according to the diagnostics for those codes, it saying that the pcm detects that the secondary part of the ignition system (plugs,. Code p2314 triggers when the powertrain control module (pcm) is unable to control the ignition coil designated “e.”. The purpose of this diagnostic monitor. P2314 Ignition Coil 5 Secondary Circuit-Insufficient Ionization.
From www.chargerforums.com
Blowing Coil Fuse and P2314 Ionization Codes Charger Forums P2314 Ignition Coil 5 Secondary Circuit-Insufficient Ionization if your vehicle has stored a code p2314, accompanied by a malfunction indicator lamp (mil), it means that the powertrain control module (pcm) has detected an. if pcm detects that the secondary ignition burn time is incorrect, to short, or not present, an error is detected. Common causes of the p2314 code include ignition coil failure, pcm failure,. P2314 Ignition Coil 5 Secondary Circuit-Insufficient Ionization.
From www.justanswer.com
I get a testercode of p2305. This says Ignition coil .secondary circuit P2314 Ignition Coil 5 Secondary Circuit-Insufficient Ionization Common causes of the p2314 code include ignition coil failure, pcm failure, and a bad spark plug or spark plug wire. if pcm detects that the secondary ignition burn time is incorrect, to short, or not present, an error is detected. diagnostic trouble code (dtc) p2314 stands for “ignition coil ‘e’ secondary circuit.”. if your vehicle has. P2314 Ignition Coil 5 Secondary Circuit-Insufficient Ionization.
From www.diagramcircuit.com
What Is Ignition Coil A Primary Secondary Circuit Diagram Circuit P2314 Ignition Coil 5 Secondary Circuit-Insufficient Ionization if pcm detects that the secondary ignition burn time is incorrect, to short, or not present, an error is detected. The purpose of this diagnostic monitor is to. diagnostic trouble code (dtc) p2314 stands for “ignition coil ‘e’ secondary circuit.”. unlock the secrets behind dodge code p2314 and discover why the ignition coil 5 secondary circuit is. P2314 Ignition Coil 5 Secondary Circuit-Insufficient Ionization.
From www.obd2-code.com
P2302, P2305, P2308, P2311, P2314, P2317 Ignition Coil Secondary P2314 Ignition Coil 5 Secondary Circuit-Insufficient Ionization diagnostic trouble code (dtc) p2314 stands for “ignition coil ‘e’ secondary circuit.”. Common causes of the p2314 code include ignition coil failure, pcm failure, and a bad spark plug or spark plug wire. The purpose of this diagnostic monitor is to. if your vehicle has stored a code p2314, accompanied by a malfunction indicator lamp (mil), it means. P2314 Ignition Coil 5 Secondary Circuit-Insufficient Ionization.
From www.carparts.com
P2314 Code Ignition Coil “E” Secondary Circuit In The Garage with P2314 Ignition Coil 5 Secondary Circuit-Insufficient Ionization unlock the secrets behind dodge code p2314 and discover why the ignition coil 5 secondary circuit is insufficiently ionizing. diagnostic trouble code (dtc) p2314 stands for “ignition coil ‘e’ secondary circuit.”. according to the diagnostics for those codes, it saying that the pcm detects that the secondary part of the ignition system (plugs,. if pcm detects. P2314 Ignition Coil 5 Secondary Circuit-Insufficient Ionization.
From autopartsuspension.com
P0353 Ignition Coil A Primary/Secondary Circuit Malfunction Auto Parts P2314 Ignition Coil 5 Secondary Circuit-Insufficient Ionization diagnostic trouble code (dtc) p2314 stands for “ignition coil ‘e’ secondary circuit.”. Code p2314 triggers when the powertrain control module (pcm) is unable to control the ignition coil designated “e.”. Common causes of the p2314 code include ignition coil failure, pcm failure, and a bad spark plug or spark plug wire. The purpose of this diagnostic monitor is to.. P2314 Ignition Coil 5 Secondary Circuit-Insufficient Ionization.
From www.carparts.com
P2314 Code Ignition Coil “E” Secondary Circuit In The Garage with P2314 Ignition Coil 5 Secondary Circuit-Insufficient Ionization diagnostic trouble code (dtc) p2314 stands for “ignition coil ‘e’ secondary circuit.”. according to the diagnostics for those codes, it saying that the pcm detects that the secondary part of the ignition system (plugs,. Common causes of the p2314 code include ignition coil failure, pcm failure, and a bad spark plug or spark plug wire. Code p2314 triggers. P2314 Ignition Coil 5 Secondary Circuit-Insufficient Ionization.
From eggenmarindaoes.blogspot.com
05 Silverado Ignition Coil Diagram Marinda Eggen P2314 Ignition Coil 5 Secondary Circuit-Insufficient Ionization Common causes of the p2314 code include ignition coil failure, pcm failure, and a bad spark plug or spark plug wire. if your vehicle has stored a code p2314, accompanied by a malfunction indicator lamp (mil), it means that the powertrain control module (pcm) has detected an. The purpose of this diagnostic monitor is to. Code p2314 triggers when. P2314 Ignition Coil 5 Secondary Circuit-Insufficient Ionization.
From s3.amazonaws.com
When Monitored P2314 Ignition Coil 5 Secondary Circuit-Insufficient Ionization unlock the secrets behind dodge code p2314 and discover why the ignition coil 5 secondary circuit is insufficiently ionizing. if pcm detects that the secondary ignition burn time is incorrect, to short, or not present, an error is detected. Common causes of the p2314 code include ignition coil failure, pcm failure, and a bad spark plug or spark. P2314 Ignition Coil 5 Secondary Circuit-Insufficient Ionization.