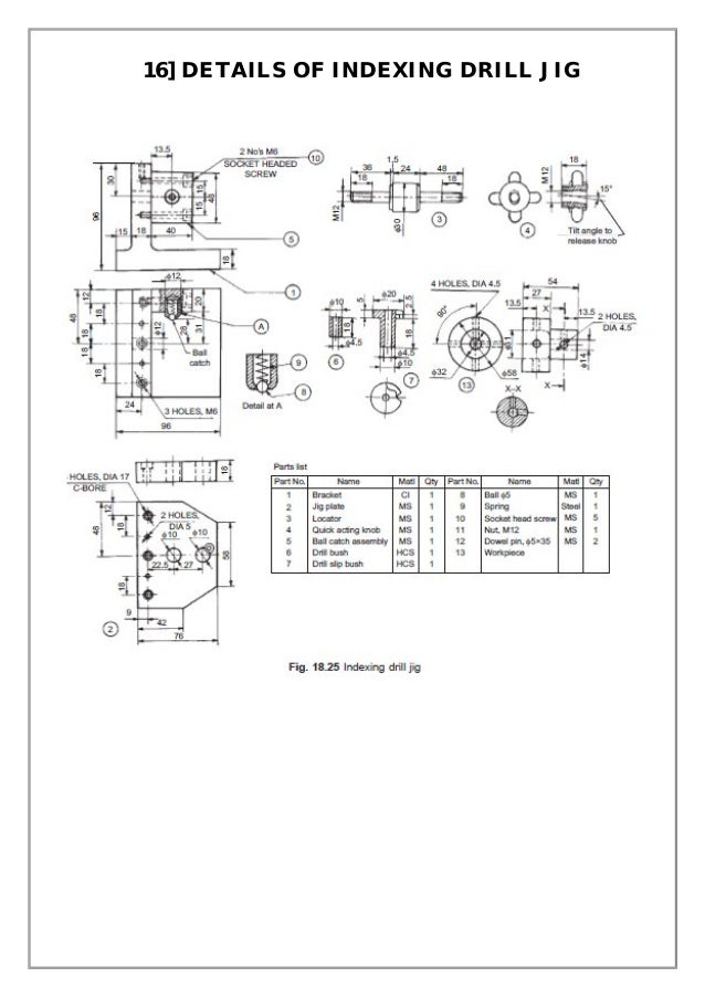
Indexing Drill Jig Assembly Drawing . The main object of reducing indexing time is achieved with the help of hydraulic jack which help the drill jig to be indexed by 1800 for. The scope of this paper is to design an indexing type of drill jig for. The basic elements in the design of indexing type of drill jig is the component model, location, orientation and clamping. This document describes the design and analysis of an indexing type drill jig. The scope of this paper is to design an indexing type of drill jig for a component having angular holes at 25 deg such the design is validated. Typical examples of closed jigs include. It's a rigid assembly of indexing drill jig with all the required components & parts made in solidworks. The basic elements in the design of indexing type of drill jig is the component model, location, orientation and clamping. Design procedure of indexing type of drill jig: The jig is designed to drill angular holes at 25 degrees in a cast component. In this design of indexing type of drill jig for a casted component can be explained in a.
        
        from www.youtube.com 
     
        
        The scope of this paper is to design an indexing type of drill jig for. This document describes the design and analysis of an indexing type drill jig. The scope of this paper is to design an indexing type of drill jig for a component having angular holes at 25 deg such the design is validated. In this design of indexing type of drill jig for a casted component can be explained in a. It's a rigid assembly of indexing drill jig with all the required components & parts made in solidworks. Design procedure of indexing type of drill jig: The basic elements in the design of indexing type of drill jig is the component model, location, orientation and clamping. The jig is designed to drill angular holes at 25 degrees in a cast component. Typical examples of closed jigs include. The basic elements in the design of indexing type of drill jig is the component model, location, orientation and clamping.
    
    	
            
	
		 
         
    Drill Indexing Jig for small parts YouTube 
    Indexing Drill Jig Assembly Drawing  The scope of this paper is to design an indexing type of drill jig for. It's a rigid assembly of indexing drill jig with all the required components & parts made in solidworks. In this design of indexing type of drill jig for a casted component can be explained in a. Design procedure of indexing type of drill jig: This document describes the design and analysis of an indexing type drill jig. The basic elements in the design of indexing type of drill jig is the component model, location, orientation and clamping. The main object of reducing indexing time is achieved with the help of hydraulic jack which help the drill jig to be indexed by 1800 for. The scope of this paper is to design an indexing type of drill jig for. Typical examples of closed jigs include. The scope of this paper is to design an indexing type of drill jig for a component having angular holes at 25 deg such the design is validated. The jig is designed to drill angular holes at 25 degrees in a cast component. The basic elements in the design of indexing type of drill jig is the component model, location, orientation and clamping.
            
	
		 
         
 
    
        From grabcad.com 
                    Free CAD Designs, Files & 3D Models The GrabCAD Community Library Indexing Drill Jig Assembly Drawing  The scope of this paper is to design an indexing type of drill jig for a component having angular holes at 25 deg such the design is validated. The basic elements in the design of indexing type of drill jig is the component model, location, orientation and clamping. It's a rigid assembly of indexing drill jig with all the required. Indexing Drill Jig Assembly Drawing.
     
    
        From www.cadcrowd.com 
                    INDEXING DRILL JIG download free 3D model by Shivam Tiwari Cad Crowd Indexing Drill Jig Assembly Drawing  Typical examples of closed jigs include. The scope of this paper is to design an indexing type of drill jig for. The basic elements in the design of indexing type of drill jig is the component model, location, orientation and clamping. This document describes the design and analysis of an indexing type drill jig. In this design of indexing type. Indexing Drill Jig Assembly Drawing.
     
    
        From www.youtube.com 
                    Drill JIG SOLIDWORKS YouTube Indexing Drill Jig Assembly Drawing  The basic elements in the design of indexing type of drill jig is the component model, location, orientation and clamping. This document describes the design and analysis of an indexing type drill jig. In this design of indexing type of drill jig for a casted component can be explained in a. The basic elements in the design of indexing type. Indexing Drill Jig Assembly Drawing.
     
    
        From www.youtube.com 
                    How To Make A Low Cost Indexing Chuck Assembly For The Bench Or Pillar Indexing Drill Jig Assembly Drawing  The main object of reducing indexing time is achieved with the help of hydraulic jack which help the drill jig to be indexed by 1800 for. The jig is designed to drill angular holes at 25 degrees in a cast component. The scope of this paper is to design an indexing type of drill jig for a component having angular. Indexing Drill Jig Assembly Drawing.
     
    
        From www.youtube.com 
                    Indexing Drill Jig Mechanism in 3D Animation YouTube Indexing Drill Jig Assembly Drawing  The basic elements in the design of indexing type of drill jig is the component model, location, orientation and clamping. The jig is designed to drill angular holes at 25 degrees in a cast component. The main object of reducing indexing time is achieved with the help of hydraulic jack which help the drill jig to be indexed by 1800. Indexing Drill Jig Assembly Drawing.
     
    
        From www.slideshare.net 
                    Assembly and Details Indexing Drill Jig Assembly Drawing  The jig is designed to drill angular holes at 25 degrees in a cast component. In this design of indexing type of drill jig for a casted component can be explained in a. Typical examples of closed jigs include. This document describes the design and analysis of an indexing type drill jig. Design procedure of indexing type of drill jig:. Indexing Drill Jig Assembly Drawing.
     
    
        From seven.edu.vn 
                    Discover 110+ machine drawing pdf latest seven.edu.vn Indexing Drill Jig Assembly Drawing  The basic elements in the design of indexing type of drill jig is the component model, location, orientation and clamping. The jig is designed to drill angular holes at 25 degrees in a cast component. The scope of this paper is to design an indexing type of drill jig for a component having angular holes at 25 deg such the. Indexing Drill Jig Assembly Drawing.
     
    
        From www.youtube.com 
                    Drill Indexing Jig for small parts YouTube Indexing Drill Jig Assembly Drawing  The scope of this paper is to design an indexing type of drill jig for. The scope of this paper is to design an indexing type of drill jig for a component having angular holes at 25 deg such the design is validated. It's a rigid assembly of indexing drill jig with all the required components & parts made in. Indexing Drill Jig Assembly Drawing.
     
    
        From gallery.autodesk.com 
                    Indexing Drill JigAutodesk Online Gallery Indexing Drill Jig Assembly Drawing  The basic elements in the design of indexing type of drill jig is the component model, location, orientation and clamping. Typical examples of closed jigs include. The jig is designed to drill angular holes at 25 degrees in a cast component. The scope of this paper is to design an indexing type of drill jig for. The basic elements in. Indexing Drill Jig Assembly Drawing.
     
    
        From www.youtube.com 
                    Indexing drill jig (Drawing Project ME) YouTube Indexing Drill Jig Assembly Drawing  Design procedure of indexing type of drill jig: The basic elements in the design of indexing type of drill jig is the component model, location, orientation and clamping. The scope of this paper is to design an indexing type of drill jig for. In this design of indexing type of drill jig for a casted component can be explained in. Indexing Drill Jig Assembly Drawing.
     
    
        From www.youtube.com 
                    Tumble Jig Tutorial Solidworks Tutorial ( With Orignal Drawing) YouTube Indexing Drill Jig Assembly Drawing  This document describes the design and analysis of an indexing type drill jig. The scope of this paper is to design an indexing type of drill jig for. The main object of reducing indexing time is achieved with the help of hydraulic jack which help the drill jig to be indexed by 1800 for. The jig is designed to drill. Indexing Drill Jig Assembly Drawing.
     
    
        From xkldase.edu.vn 
                    Discover 56+ drill jig assembly drawing latest xkldase.edu.vn Indexing Drill Jig Assembly Drawing  It's a rigid assembly of indexing drill jig with all the required components & parts made in solidworks. The main object of reducing indexing time is achieved with the help of hydraulic jack which help the drill jig to be indexed by 1800 for. Design procedure of indexing type of drill jig: The basic elements in the design of indexing. Indexing Drill Jig Assembly Drawing.
     
    
        From grabcad.com 
                    Free CAD Designs, Files & 3D Models The GrabCAD Community Library Indexing Drill Jig Assembly Drawing  It's a rigid assembly of indexing drill jig with all the required components & parts made in solidworks. The jig is designed to drill angular holes at 25 degrees in a cast component. Design procedure of indexing type of drill jig: The basic elements in the design of indexing type of drill jig is the component model, location, orientation and. Indexing Drill Jig Assembly Drawing.
     
    
        From www.pinterest.ca 
                    Assembly and Details machine drawing pdf Mechanical engineering Indexing Drill Jig Assembly Drawing  The basic elements in the design of indexing type of drill jig is the component model, location, orientation and clamping. The scope of this paper is to design an indexing type of drill jig for. The basic elements in the design of indexing type of drill jig is the component model, location, orientation and clamping. The jig is designed to. Indexing Drill Jig Assembly Drawing.
     
    
        From www.semanticscholar.org 
                    Figure 4 from DESIGN AND FABRICATION OF A INDEXING DRILL JIG USING PRO Indexing Drill Jig Assembly Drawing  The scope of this paper is to design an indexing type of drill jig for. In this design of indexing type of drill jig for a casted component can be explained in a. The scope of this paper is to design an indexing type of drill jig for a component having angular holes at 25 deg such the design is. Indexing Drill Jig Assembly Drawing.
     
    
        From www.chegg.com 
                    Chapter 6 Assembly Drawings consider the Drill Jig Indexing Drill Jig Assembly Drawing  The jig is designed to drill angular holes at 25 degrees in a cast component. The scope of this paper is to design an indexing type of drill jig for. The main object of reducing indexing time is achieved with the help of hydraulic jack which help the drill jig to be indexed by 1800 for. It's a rigid assembly. Indexing Drill Jig Assembly Drawing.
     
    
        From www.semanticscholar.org 
                    Figure 6 from DESIGN AND FABRICATION OF A INDEXING DRILL JIG USING PRO Indexing Drill Jig Assembly Drawing  The basic elements in the design of indexing type of drill jig is the component model, location, orientation and clamping. The jig is designed to drill angular holes at 25 degrees in a cast component. In this design of indexing type of drill jig for a casted component can be explained in a. This document describes the design and analysis. Indexing Drill Jig Assembly Drawing.
     
    
        From www.youtube.com 
                    Indexing Drill Jig (cad working) YouTube Indexing Drill Jig Assembly Drawing  It's a rigid assembly of indexing drill jig with all the required components & parts made in solidworks. The scope of this paper is to design an indexing type of drill jig for. The basic elements in the design of indexing type of drill jig is the component model, location, orientation and clamping. This document describes the design and analysis. Indexing Drill Jig Assembly Drawing.
     
    
        From technicdrawing.blogspot.com 
                    techdrawing DRAWING DRILL JIG Indexing Drill Jig Assembly Drawing  The scope of this paper is to design an indexing type of drill jig for. It's a rigid assembly of indexing drill jig with all the required components & parts made in solidworks. Design procedure of indexing type of drill jig: The scope of this paper is to design an indexing type of drill jig for a component having angular. Indexing Drill Jig Assembly Drawing.
     
    
        From www.youtube.com 
                    Assembly Drawing of Drilling Jig YouTube Indexing Drill Jig Assembly Drawing  The scope of this paper is to design an indexing type of drill jig for. The basic elements in the design of indexing type of drill jig is the component model, location, orientation and clamping. Design procedure of indexing type of drill jig: The main object of reducing indexing time is achieved with the help of hydraulic jack which help. Indexing Drill Jig Assembly Drawing.
     
    
        From www.facebook.com 
                    Drill Jig AutoCad SolidWorks Catia Inventor Sketchup Indexing Drill Jig Assembly Drawing  The scope of this paper is to design an indexing type of drill jig for. The basic elements in the design of indexing type of drill jig is the component model, location, orientation and clamping. The main object of reducing indexing time is achieved with the help of hydraulic jack which help the drill jig to be indexed by 1800. Indexing Drill Jig Assembly Drawing.
     
    
        From www.pinterest.com 
                    Drill Jig Assembly Drawings On Behance Assembly Drawing Mechanical Indexing Drill Jig Assembly Drawing  The main object of reducing indexing time is achieved with the help of hydraulic jack which help the drill jig to be indexed by 1800 for. This document describes the design and analysis of an indexing type drill jig. The scope of this paper is to design an indexing type of drill jig for a component having angular holes at. Indexing Drill Jig Assembly Drawing.
     
    
        From gallery.autodesk.com 
                    Indexing Drill JigAutodesk Online Gallery Indexing Drill Jig Assembly Drawing  The basic elements in the design of indexing type of drill jig is the component model, location, orientation and clamping. This document describes the design and analysis of an indexing type drill jig. The main object of reducing indexing time is achieved with the help of hydraulic jack which help the drill jig to be indexed by 1800 for. The. Indexing Drill Jig Assembly Drawing.
     
    
        From www.youtube.com 
                    SolidWorks Tutorial 50 Drill Jig Assembly Part 2 YouTube Indexing Drill Jig Assembly Drawing  In this design of indexing type of drill jig for a casted component can be explained in a. This document describes the design and analysis of an indexing type drill jig. The scope of this paper is to design an indexing type of drill jig for a component having angular holes at 25 deg such the design is validated. Design. Indexing Drill Jig Assembly Drawing.
     
    
        From www.chegg.com 
                    Solved Question1 (25 pts) Consider the Drill Jig assembly Indexing Drill Jig Assembly Drawing  It's a rigid assembly of indexing drill jig with all the required components & parts made in solidworks. The basic elements in the design of indexing type of drill jig is the component model, location, orientation and clamping. The scope of this paper is to design an indexing type of drill jig for. Typical examples of closed jigs include. This. Indexing Drill Jig Assembly Drawing.
     
    
        From grabcad.com 
                    Free CAD Designs, Files & 3D Models The GrabCAD Community Library Indexing Drill Jig Assembly Drawing  Design procedure of indexing type of drill jig: The basic elements in the design of indexing type of drill jig is the component model, location, orientation and clamping. The main object of reducing indexing time is achieved with the help of hydraulic jack which help the drill jig to be indexed by 1800 for. This document describes the design and. Indexing Drill Jig Assembly Drawing.
     
    
        From www.slideshare.net 
                    Assembly and Details machine drawing pdf Indexing Drill Jig Assembly Drawing  The jig is designed to drill angular holes at 25 degrees in a cast component. Design procedure of indexing type of drill jig: It's a rigid assembly of indexing drill jig with all the required components & parts made in solidworks. Typical examples of closed jigs include. In this design of indexing type of drill jig for a casted component. Indexing Drill Jig Assembly Drawing.
     
    
        From www.transtutors.com 
                    (Solved) Assemble the parts of the drill jig shown in fig below and Indexing Drill Jig Assembly Drawing  The scope of this paper is to design an indexing type of drill jig for. The jig is designed to drill angular holes at 25 degrees in a cast component. This document describes the design and analysis of an indexing type drill jig. The basic elements in the design of indexing type of drill jig is the component model, location,. Indexing Drill Jig Assembly Drawing.
     
    
        From www.youtube.com 
                    How to design Drill jig assembly in solidworks YouTube Indexing Drill Jig Assembly Drawing  It's a rigid assembly of indexing drill jig with all the required components & parts made in solidworks. The main object of reducing indexing time is achieved with the help of hydraulic jack which help the drill jig to be indexed by 1800 for. The basic elements in the design of indexing type of drill jig is the component model,. Indexing Drill Jig Assembly Drawing.
     
    
        From grabcad.com 
                    Free CAD Designs, Files & 3D Models The GrabCAD Community Library Indexing Drill Jig Assembly Drawing  The basic elements in the design of indexing type of drill jig is the component model, location, orientation and clamping. The main object of reducing indexing time is achieved with the help of hydraulic jack which help the drill jig to be indexed by 1800 for. It's a rigid assembly of indexing drill jig with all the required components &. Indexing Drill Jig Assembly Drawing.
     
    
        From www.scribd.com 
                    Drill Jig Assembly Example for Class Indexing Drill Jig Assembly Drawing  The basic elements in the design of indexing type of drill jig is the component model, location, orientation and clamping. Typical examples of closed jigs include. The basic elements in the design of indexing type of drill jig is the component model, location, orientation and clamping. This document describes the design and analysis of an indexing type drill jig. The. Indexing Drill Jig Assembly Drawing.
     
    
        From www.pinterest.it 
                    Bevel Jig Assembly Drawing v2 Diy plans, Jig, Custom knives Indexing Drill Jig Assembly Drawing  Design procedure of indexing type of drill jig: This document describes the design and analysis of an indexing type drill jig. The scope of this paper is to design an indexing type of drill jig for. The basic elements in the design of indexing type of drill jig is the component model, location, orientation and clamping. The basic elements in. Indexing Drill Jig Assembly Drawing.
     
    
        From www.youtube.com 
                    Designing a Drill Jig 1 YouTube Indexing Drill Jig Assembly Drawing  The basic elements in the design of indexing type of drill jig is the component model, location, orientation and clamping. The scope of this paper is to design an indexing type of drill jig for a component having angular holes at 25 deg such the design is validated. It's a rigid assembly of indexing drill jig with all the required. Indexing Drill Jig Assembly Drawing.
     
    
        From www.youtube.com 
                    Design for Autodesk Indexing Drill Jig YouTube Indexing Drill Jig Assembly Drawing  The scope of this paper is to design an indexing type of drill jig for. This document describes the design and analysis of an indexing type drill jig. The basic elements in the design of indexing type of drill jig is the component model, location, orientation and clamping. Typical examples of closed jigs include. It's a rigid assembly of indexing. Indexing Drill Jig Assembly Drawing.
     
    
        From www.pinterest.ca 
                    Assembly and Details machine drawing pdf Mechanical engineering Indexing Drill Jig Assembly Drawing  Design procedure of indexing type of drill jig: The scope of this paper is to design an indexing type of drill jig for. The basic elements in the design of indexing type of drill jig is the component model, location, orientation and clamping. Typical examples of closed jigs include. In this design of indexing type of drill jig for a. Indexing Drill Jig Assembly Drawing.