Regulated Power Supply Circuit . The components discussed in this guide are the fundamental. A regulated power supply has a voltage regulator which ensures that the power supply’s output voltage will always remain at the rated value regardless of. The unit containing the circuits which convert the ac supply voltage into dc. A regulated power supply (rps) is an embedded circuit, used to convert unregulated alternating current into a stable direct current by using a. Regulated power supply is an electronic circuit that is designed to provide a constant dc voltage of predetermined value across load terminals irrespective of ac mains. Understanding the schematic of a regulated power supply is crucial for anyone working with electronic circuits. An electronic circuit that produces a stable dc voltage of fixed value across the load terminals irrespective of changes in the load is. What is a regulated power supply?
from www.circuits-diy.com
What is a regulated power supply? The unit containing the circuits which convert the ac supply voltage into dc. Regulated power supply is an electronic circuit that is designed to provide a constant dc voltage of predetermined value across load terminals irrespective of ac mains. An electronic circuit that produces a stable dc voltage of fixed value across the load terminals irrespective of changes in the load is. A regulated power supply (rps) is an embedded circuit, used to convert unregulated alternating current into a stable direct current by using a. The components discussed in this guide are the fundamental. A regulated power supply has a voltage regulator which ensures that the power supply’s output voltage will always remain at the rated value regardless of. Understanding the schematic of a regulated power supply is crucial for anyone working with electronic circuits.
AC to DC 5V Regulated Power supply
Regulated Power Supply Circuit An electronic circuit that produces a stable dc voltage of fixed value across the load terminals irrespective of changes in the load is. Understanding the schematic of a regulated power supply is crucial for anyone working with electronic circuits. The components discussed in this guide are the fundamental. A regulated power supply (rps) is an embedded circuit, used to convert unregulated alternating current into a stable direct current by using a. What is a regulated power supply? The unit containing the circuits which convert the ac supply voltage into dc. Regulated power supply is an electronic circuit that is designed to provide a constant dc voltage of predetermined value across load terminals irrespective of ac mains. An electronic circuit that produces a stable dc voltage of fixed value across the load terminals irrespective of changes in the load is. A regulated power supply has a voltage regulator which ensures that the power supply’s output voltage will always remain at the rated value regardless of.
From www.seekic.com
1 to 30V、5A Regulated power supply circuit Power_Supply_Circuit Regulated Power Supply Circuit A regulated power supply (rps) is an embedded circuit, used to convert unregulated alternating current into a stable direct current by using a. What is a regulated power supply? An electronic circuit that produces a stable dc voltage of fixed value across the load terminals irrespective of changes in the load is. The unit containing the circuits which convert the. Regulated Power Supply Circuit.
From www.circuits-diy.com
Simple 5V Power Supply Circuit Using LM7805 Regulator IC Regulated Power Supply Circuit The unit containing the circuits which convert the ac supply voltage into dc. Regulated power supply is an electronic circuit that is designed to provide a constant dc voltage of predetermined value across load terminals irrespective of ac mains. A regulated power supply (rps) is an embedded circuit, used to convert unregulated alternating current into a stable direct current by. Regulated Power Supply Circuit.
From www.circuits-diy.com
15 Volt 3A Regulated Power Supply Circuit Using LM1084 IC Regulated Power Supply Circuit Regulated power supply is an electronic circuit that is designed to provide a constant dc voltage of predetermined value across load terminals irrespective of ac mains. A regulated power supply (rps) is an embedded circuit, used to convert unregulated alternating current into a stable direct current by using a. Understanding the schematic of a regulated power supply is crucial for. Regulated Power Supply Circuit.
From www.circuits-diy.com
Variable Regulated Power Supply using IC LM317 Regulated Power Supply Circuit What is a regulated power supply? An electronic circuit that produces a stable dc voltage of fixed value across the load terminals irrespective of changes in the load is. A regulated power supply (rps) is an embedded circuit, used to convert unregulated alternating current into a stable direct current by using a. The unit containing the circuits which convert the. Regulated Power Supply Circuit.
From www.circuits-diy.com
9V Power Supply Circuit Using LM7809 Voltage Regulator IC Regulated Power Supply Circuit A regulated power supply (rps) is an embedded circuit, used to convert unregulated alternating current into a stable direct current by using a. The components discussed in this guide are the fundamental. Regulated power supply is an electronic circuit that is designed to provide a constant dc voltage of predetermined value across load terminals irrespective of ac mains. An electronic. Regulated Power Supply Circuit.
From powersupply33.com
Symmetrical regulated power supply schematic Power Supply Circuits Regulated Power Supply Circuit A regulated power supply (rps) is an embedded circuit, used to convert unregulated alternating current into a stable direct current by using a. Regulated power supply is an electronic circuit that is designed to provide a constant dc voltage of predetermined value across load terminals irrespective of ac mains. A regulated power supply has a voltage regulator which ensures that. Regulated Power Supply Circuit.
From proper-cooking.info
Simple Regulated Power Supply Circuit Regulated Power Supply Circuit A regulated power supply has a voltage regulator which ensures that the power supply’s output voltage will always remain at the rated value regardless of. An electronic circuit that produces a stable dc voltage of fixed value across the load terminals irrespective of changes in the load is. Understanding the schematic of a regulated power supply is crucial for anyone. Regulated Power Supply Circuit.
From wiringdbgerste.z19.web.core.windows.net
Linear Regulated Power Supply Circuit Diagram Regulated Power Supply Circuit A regulated power supply has a voltage regulator which ensures that the power supply’s output voltage will always remain at the rated value regardless of. The unit containing the circuits which convert the ac supply voltage into dc. A regulated power supply (rps) is an embedded circuit, used to convert unregulated alternating current into a stable direct current by using. Regulated Power Supply Circuit.
From www.eleccircuit.com
9 ways to build 24V power supply circuits with easy parts Regulated Power Supply Circuit The components discussed in this guide are the fundamental. An electronic circuit that produces a stable dc voltage of fixed value across the load terminals irrespective of changes in the load is. The unit containing the circuits which convert the ac supply voltage into dc. What is a regulated power supply? Understanding the schematic of a regulated power supply is. Regulated Power Supply Circuit.
From www.seekic.com
24V regulated power supply circuit with current limiting protection Regulated Power Supply Circuit The unit containing the circuits which convert the ac supply voltage into dc. The components discussed in this guide are the fundamental. Understanding the schematic of a regulated power supply is crucial for anyone working with electronic circuits. Regulated power supply is an electronic circuit that is designed to provide a constant dc voltage of predetermined value across load terminals. Regulated Power Supply Circuit.
From www.circuits-diy.com
AC to DC 5V Regulated Power supply Regulated Power Supply Circuit A regulated power supply (rps) is an embedded circuit, used to convert unregulated alternating current into a stable direct current by using a. Regulated power supply is an electronic circuit that is designed to provide a constant dc voltage of predetermined value across load terminals irrespective of ac mains. What is a regulated power supply? A regulated power supply has. Regulated Power Supply Circuit.
From www.stylesgurus.com
Schematic Diagram Of Power Supply Science and Education Regulated Power Supply Circuit Regulated power supply is an electronic circuit that is designed to provide a constant dc voltage of predetermined value across load terminals irrespective of ac mains. An electronic circuit that produces a stable dc voltage of fixed value across the load terminals irrespective of changes in the load is. Understanding the schematic of a regulated power supply is crucial for. Regulated Power Supply Circuit.
From www.electronics-lab.com
5V & 12V Regulated Power Supply Regulated Power Supply Circuit The unit containing the circuits which convert the ac supply voltage into dc. The components discussed in this guide are the fundamental. A regulated power supply has a voltage regulator which ensures that the power supply’s output voltage will always remain at the rated value regardless of. An electronic circuit that produces a stable dc voltage of fixed value across. Regulated Power Supply Circuit.
From circuitdiagramcentre.blogspot.com
How to Make IC 741 Application Circuits Power Amplifier and Regulated Regulated Power Supply Circuit A regulated power supply has a voltage regulator which ensures that the power supply’s output voltage will always remain at the rated value regardless of. A regulated power supply (rps) is an embedded circuit, used to convert unregulated alternating current into a stable direct current by using a. Understanding the schematic of a regulated power supply is crucial for anyone. Regulated Power Supply Circuit.
From makingcircuits.com
0 30 V Regulated Power Supply Circuit Regulated Power Supply Circuit A regulated power supply (rps) is an embedded circuit, used to convert unregulated alternating current into a stable direct current by using a. Understanding the schematic of a regulated power supply is crucial for anyone working with electronic circuits. The components discussed in this guide are the fundamental. A regulated power supply has a voltage regulator which ensures that the. Regulated Power Supply Circuit.
From electronicscheme.net
5V DC Regulated Power Supply with Short Circuit Protection Electronic Regulated Power Supply Circuit Regulated power supply is an electronic circuit that is designed to provide a constant dc voltage of predetermined value across load terminals irrespective of ac mains. A regulated power supply (rps) is an embedded circuit, used to convert unregulated alternating current into a stable direct current by using a. Understanding the schematic of a regulated power supply is crucial for. Regulated Power Supply Circuit.
From www.youtube.com
Regulated Power Supply using IC 7812 YouTube Regulated Power Supply Circuit A regulated power supply (rps) is an embedded circuit, used to convert unregulated alternating current into a stable direct current by using a. Understanding the schematic of a regulated power supply is crucial for anyone working with electronic circuits. What is a regulated power supply? An electronic circuit that produces a stable dc voltage of fixed value across the load. Regulated Power Supply Circuit.
From circuitdatamoeller.z19.web.core.windows.net
Adjustable Regulated Power Supply Circuit Diagram Regulated Power Supply Circuit Understanding the schematic of a regulated power supply is crucial for anyone working with electronic circuits. A regulated power supply (rps) is an embedded circuit, used to convert unregulated alternating current into a stable direct current by using a. Regulated power supply is an electronic circuit that is designed to provide a constant dc voltage of predetermined value across load. Regulated Power Supply Circuit.
From guidemanualnatalie.z13.web.core.windows.net
Regulated Dc Power Supply Circuit Diagram Regulated Power Supply Circuit A regulated power supply has a voltage regulator which ensures that the power supply’s output voltage will always remain at the rated value regardless of. What is a regulated power supply? A regulated power supply (rps) is an embedded circuit, used to convert unregulated alternating current into a stable direct current by using a. The components discussed in this guide. Regulated Power Supply Circuit.
From electrosome.com
5V Power Supply using 7805 Voltage Regulator with Design Regulated Power Supply Circuit A regulated power supply has a voltage regulator which ensures that the power supply’s output voltage will always remain at the rated value regardless of. The unit containing the circuits which convert the ac supply voltage into dc. What is a regulated power supply? Understanding the schematic of a regulated power supply is crucial for anyone working with electronic circuits.. Regulated Power Supply Circuit.
From www.circuits-diy.com
12 Volt Regulated Power Supply Circuit using Zener Diode Regulated Power Supply Circuit What is a regulated power supply? The unit containing the circuits which convert the ac supply voltage into dc. The components discussed in this guide are the fundamental. Understanding the schematic of a regulated power supply is crucial for anyone working with electronic circuits. A regulated power supply has a voltage regulator which ensures that the power supply’s output voltage. Regulated Power Supply Circuit.
From www.etechnog.com
Regulated Power Supply Block Diagram and Working Principle ETechnoG Regulated Power Supply Circuit An electronic circuit that produces a stable dc voltage of fixed value across the load terminals irrespective of changes in the load is. A regulated power supply has a voltage regulator which ensures that the power supply’s output voltage will always remain at the rated value regardless of. The components discussed in this guide are the fundamental. What is a. Regulated Power Supply Circuit.
From www.eleccircuit.com
030V 05A regulated variable power supply circuit Regulated Power Supply Circuit The components discussed in this guide are the fundamental. An electronic circuit that produces a stable dc voltage of fixed value across the load terminals irrespective of changes in the load is. The unit containing the circuits which convert the ac supply voltage into dc. Understanding the schematic of a regulated power supply is crucial for anyone working with electronic. Regulated Power Supply Circuit.
From electraschematics.com
Understanding the Basics Regulated Power Supply Schematic Simplified Regulated Power Supply Circuit Regulated power supply is an electronic circuit that is designed to provide a constant dc voltage of predetermined value across load terminals irrespective of ac mains. The unit containing the circuits which convert the ac supply voltage into dc. Understanding the schematic of a regulated power supply is crucial for anyone working with electronic circuits. An electronic circuit that produces. Regulated Power Supply Circuit.
From wiringmanualholzman.z13.web.core.windows.net
12vdc Power Supply Circuit Diagram Regulated Power Supply Circuit Regulated power supply is an electronic circuit that is designed to provide a constant dc voltage of predetermined value across load terminals irrespective of ac mains. An electronic circuit that produces a stable dc voltage of fixed value across the load terminals irrespective of changes in the load is. The unit containing the circuits which convert the ac supply voltage. Regulated Power Supply Circuit.
From circuitdiagramcentre.blogspot.com
Regulated, High Current, Ripple Free Power Supply Circuit Using 2N3055 Regulated Power Supply Circuit What is a regulated power supply? Regulated power supply is an electronic circuit that is designed to provide a constant dc voltage of predetermined value across load terminals irrespective of ac mains. Understanding the schematic of a regulated power supply is crucial for anyone working with electronic circuits. A regulated power supply has a voltage regulator which ensures that the. Regulated Power Supply Circuit.
From manuallibjung.z13.web.core.windows.net
12V Regulated Power Supply Circuit Diagram Regulated Power Supply Circuit What is a regulated power supply? The components discussed in this guide are the fundamental. An electronic circuit that produces a stable dc voltage of fixed value across the load terminals irrespective of changes in the load is. A regulated power supply has a voltage regulator which ensures that the power supply’s output voltage will always remain at the rated. Regulated Power Supply Circuit.
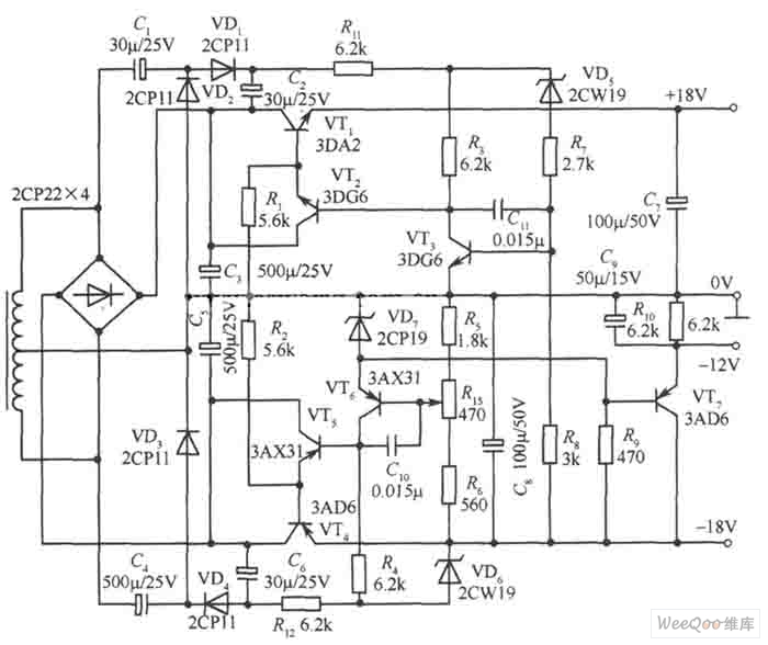
From www.seekic.com
±18V bipolar regulated power supply circuit PowerSupply_Circuits Regulated Power Supply Circuit The unit containing the circuits which convert the ac supply voltage into dc. Regulated power supply is an electronic circuit that is designed to provide a constant dc voltage of predetermined value across load terminals irrespective of ac mains. Understanding the schematic of a regulated power supply is crucial for anyone working with electronic circuits. A regulated power supply (rps). Regulated Power Supply Circuit.
From www.electrothinks.com
12V 1A Power Supply Circuit using 7812 Voltage Regulator Electrothinks Regulated Power Supply Circuit Regulated power supply is an electronic circuit that is designed to provide a constant dc voltage of predetermined value across load terminals irrespective of ac mains. A regulated power supply (rps) is an embedded circuit, used to convert unregulated alternating current into a stable direct current by using a. The components discussed in this guide are the fundamental. The unit. Regulated Power Supply Circuit.
From schematiclibteresa.z21.web.core.windows.net
12v Regulated Power Supply Circuit Diagram Regulated Power Supply Circuit Understanding the schematic of a regulated power supply is crucial for anyone working with electronic circuits. The components discussed in this guide are the fundamental. What is a regulated power supply? The unit containing the circuits which convert the ac supply voltage into dc. A regulated power supply (rps) is an embedded circuit, used to convert unregulated alternating current into. Regulated Power Supply Circuit.
From www.etechnog.com
Circuit Diagram of Regulated Power Supply with Component Rating ETechnoG Regulated Power Supply Circuit Regulated power supply is an electronic circuit that is designed to provide a constant dc voltage of predetermined value across load terminals irrespective of ac mains. A regulated power supply has a voltage regulator which ensures that the power supply’s output voltage will always remain at the rated value regardless of. The components discussed in this guide are the fundamental.. Regulated Power Supply Circuit.
From xtronic.org
Circuit regulated Linear power supply with LM317 Xtronic Regulated Power Supply Circuit A regulated power supply (rps) is an embedded circuit, used to convert unregulated alternating current into a stable direct current by using a. The components discussed in this guide are the fundamental. The unit containing the circuits which convert the ac supply voltage into dc. An electronic circuit that produces a stable dc voltage of fixed value across the load. Regulated Power Supply Circuit.
From www.circuits-diy.com
12 Volt Regulated Power Supply Circuit using Zener Diode Regulated Power Supply Circuit The components discussed in this guide are the fundamental. The unit containing the circuits which convert the ac supply voltage into dc. Regulated power supply is an electronic circuit that is designed to provide a constant dc voltage of predetermined value across load terminals irrespective of ac mains. A regulated power supply has a voltage regulator which ensures that the. Regulated Power Supply Circuit.
From userfixfrey.z19.web.core.windows.net
Voltage Regulator Power Supply Circuit Diagram Regulated Power Supply Circuit A regulated power supply has a voltage regulator which ensures that the power supply’s output voltage will always remain at the rated value regardless of. Understanding the schematic of a regulated power supply is crucial for anyone working with electronic circuits. The unit containing the circuits which convert the ac supply voltage into dc. An electronic circuit that produces a. Regulated Power Supply Circuit.
From diagramdatasoftball.z14.web.core.windows.net
Dc Power Supply Circuit Diagram Regulated Power Supply Circuit The unit containing the circuits which convert the ac supply voltage into dc. A regulated power supply (rps) is an embedded circuit, used to convert unregulated alternating current into a stable direct current by using a. Regulated power supply is an electronic circuit that is designed to provide a constant dc voltage of predetermined value across load terminals irrespective of. Regulated Power Supply Circuit.