What Is An Inertia Brake . Deceleration during braking produces shift. A hydraulic trailer brake system that requires no connection to the towing. Shop axle replacement parts or configure your own trailer axle! Inertia based controllers are a step in the right direction. Inertia is the tendency of an object in motion to stay in motion, or an object at rest to stay at rest, unless acted upon by an external. Inertia activated brakes offers smooth stopping response in most situations. They sense how hard the vehicle is decelerating and apply the trailer. According to rv technician reg deyoung, the inertia brakes has. Components used to attach brake mechanism capable of repeated torque transfer from brake to axle.
from www.ebay.com
Shop axle replacement parts or configure your own trailer axle! They sense how hard the vehicle is decelerating and apply the trailer. Deceleration during braking produces shift. Inertia is the tendency of an object in motion to stay in motion, or an object at rest to stay at rest, unless acted upon by an external. Inertia based controllers are a step in the right direction. Components used to attach brake mechanism capable of repeated torque transfer from brake to axle. A hydraulic trailer brake system that requires no connection to the towing. Inertia activated brakes offers smooth stopping response in most situations. According to rv technician reg deyoung, the inertia brakes has.
4 Inertia Dynamics 01100022 Spring Applied Brakes 12V DC / 5/16" Shaft
What Is An Inertia Brake Components used to attach brake mechanism capable of repeated torque transfer from brake to axle. Deceleration during braking produces shift. Inertia based controllers are a step in the right direction. A hydraulic trailer brake system that requires no connection to the towing. According to rv technician reg deyoung, the inertia brakes has. They sense how hard the vehicle is decelerating and apply the trailer. Shop axle replacement parts or configure your own trailer axle! Inertia activated brakes offers smooth stopping response in most situations. Components used to attach brake mechanism capable of repeated torque transfer from brake to axle. Inertia is the tendency of an object in motion to stay in motion, or an object at rest to stay at rest, unless acted upon by an external.
From nl.europeantransmissioncompany.eu
Wichita Low Inertia Clutch / Brake European Transmission Company What Is An Inertia Brake Inertia is the tendency of an object in motion to stay in motion, or an object at rest to stay at rest, unless acted upon by an external. Inertia based controllers are a step in the right direction. Inertia activated brakes offers smooth stopping response in most situations. A hydraulic trailer brake system that requires no connection to the towing.. What Is An Inertia Brake.
From www.devancocanada.com
M10A Safety Inertia Brake 112" Bore 8851 Torque What Is An Inertia Brake Inertia based controllers are a step in the right direction. Shop axle replacement parts or configure your own trailer axle! Inertia activated brakes offers smooth stopping response in most situations. A hydraulic trailer brake system that requires no connection to the towing. Deceleration during braking produces shift. They sense how hard the vehicle is decelerating and apply the trailer. Components. What Is An Inertia Brake.
From present5.com
Chapter 20 Electronically Automated Standard Transmissions Objectives What Is An Inertia Brake Components used to attach brake mechanism capable of repeated torque transfer from brake to axle. They sense how hard the vehicle is decelerating and apply the trailer. Shop axle replacement parts or configure your own trailer axle! Inertia based controllers are a step in the right direction. Inertia activated brakes offers smooth stopping response in most situations. According to rv. What Is An Inertia Brake.
From www.devancocanada.com
M3A Safety Inertia Brake 1" Bore 2283 Torque PCM3AP What Is An Inertia Brake They sense how hard the vehicle is decelerating and apply the trailer. A hydraulic trailer brake system that requires no connection to the towing. According to rv technician reg deyoung, the inertia brakes has. Shop axle replacement parts or configure your own trailer axle! Inertia is the tendency of an object in motion to stay in motion, or an object. What Is An Inertia Brake.
From www.hitchweb.com
How Electric Brakes Work What Is An Inertia Brake Inertia is the tendency of an object in motion to stay in motion, or an object at rest to stay at rest, unless acted upon by an external. A hydraulic trailer brake system that requires no connection to the towing. Shop axle replacement parts or configure your own trailer axle! Inertia activated brakes offers smooth stopping response in most situations.. What Is An Inertia Brake.
From www.nvmgroup.co.uk
Buy NB30* 30mm Inertia Safety Brake 500Kg Lift North Valley Metal What Is An Inertia Brake Deceleration during braking produces shift. Inertia activated brakes offers smooth stopping response in most situations. Components used to attach brake mechanism capable of repeated torque transfer from brake to axle. Inertia is the tendency of an object in motion to stay in motion, or an object at rest to stay at rest, unless acted upon by an external. They sense. What Is An Inertia Brake.
From www.ebay.com
4 Inertia Dynamics 01100022 Spring Applied Brakes 12V DC / 5/16" Shaft What Is An Inertia Brake Inertia activated brakes offers smooth stopping response in most situations. Deceleration during braking produces shift. Components used to attach brake mechanism capable of repeated torque transfer from brake to axle. Inertia based controllers are a step in the right direction. They sense how hard the vehicle is decelerating and apply the trailer. According to rv technician reg deyoung, the inertia. What Is An Inertia Brake.
From www.semanticscholar.org
Figure 3 from THE NEW INERTIA DYNAMOMETER FOR FRICTION AND WEAR TESTING What Is An Inertia Brake According to rv technician reg deyoung, the inertia brakes has. Shop axle replacement parts or configure your own trailer axle! Inertia based controllers are a step in the right direction. A hydraulic trailer brake system that requires no connection to the towing. Inertia activated brakes offers smooth stopping response in most situations. Components used to attach brake mechanism capable of. What Is An Inertia Brake.
From www.indiamart.com
Low Inertia Brake at best price in Thane by Vortex Engineering Works What Is An Inertia Brake Components used to attach brake mechanism capable of repeated torque transfer from brake to axle. Inertia is the tendency of an object in motion to stay in motion, or an object at rest to stay at rest, unless acted upon by an external. Deceleration during braking produces shift. Inertia based controllers are a step in the right direction. Shop axle. What Is An Inertia Brake.
From www.minimania.com
Inertia_brake_valve What Is An Inertia Brake They sense how hard the vehicle is decelerating and apply the trailer. Inertia activated brakes offers smooth stopping response in most situations. According to rv technician reg deyoung, the inertia brakes has. Inertia is the tendency of an object in motion to stay in motion, or an object at rest to stay at rest, unless acted upon by an external.. What Is An Inertia Brake.
From www.devancocanada.com
M10A Safety Inertia Brake 112" Bore 8851 Torque What Is An Inertia Brake Shop axle replacement parts or configure your own trailer axle! Inertia is the tendency of an object in motion to stay in motion, or an object at rest to stay at rest, unless acted upon by an external. Deceleration during braking produces shift. Components used to attach brake mechanism capable of repeated torque transfer from brake to axle. Inertia based. What Is An Inertia Brake.
From www.youtube.com
Inertia Emergency Brake YouTube What Is An Inertia Brake They sense how hard the vehicle is decelerating and apply the trailer. Inertia is the tendency of an object in motion to stay in motion, or an object at rest to stay at rest, unless acted upon by an external. Inertia activated brakes offers smooth stopping response in most situations. A hydraulic trailer brake system that requires no connection to. What Is An Inertia Brake.
From www.airtubeclutch.com
WPT Low Inertia Brakes are suited for high cycle applications or What Is An Inertia Brake Inertia based controllers are a step in the right direction. Inertia activated brakes offers smooth stopping response in most situations. Inertia is the tendency of an object in motion to stay in motion, or an object at rest to stay at rest, unless acted upon by an external. Components used to attach brake mechanism capable of repeated torque transfer from. What Is An Inertia Brake.
From issuu.com
Inertia Brake Relocation Instructions 8 to 6Bolt PTO openingInstall What Is An Inertia Brake According to rv technician reg deyoung, the inertia brakes has. Inertia based controllers are a step in the right direction. Deceleration during braking produces shift. Shop axle replacement parts or configure your own trailer axle! Inertia is the tendency of an object in motion to stay in motion, or an object at rest to stay at rest, unless acted upon. What Is An Inertia Brake.
From www.ebay.com
4 Inertia Dynamics 01100022 Spring Applied Brakes 12V DC / 5/16" Shaft What Is An Inertia Brake Shop axle replacement parts or configure your own trailer axle! Inertia is the tendency of an object in motion to stay in motion, or an object at rest to stay at rest, unless acted upon by an external. Inertia based controllers are a step in the right direction. A hydraulic trailer brake system that requires no connection to the towing.. What Is An Inertia Brake.
From mptindustrial.com
LOW INERTIA BRAKE Merck Industrial What Is An Inertia Brake A hydraulic trailer brake system that requires no connection to the towing. According to rv technician reg deyoung, the inertia brakes has. Components used to attach brake mechanism capable of repeated torque transfer from brake to axle. Inertia is the tendency of an object in motion to stay in motion, or an object at rest to stay at rest, unless. What Is An Inertia Brake.
From automotive.technolab.org
Model Inertia Brake 580001265 TECHNOLAB SA What Is An Inertia Brake According to rv technician reg deyoung, the inertia brakes has. A hydraulic trailer brake system that requires no connection to the towing. Components used to attach brake mechanism capable of repeated torque transfer from brake to axle. Inertia activated brakes offers smooth stopping response in most situations. They sense how hard the vehicle is decelerating and apply the trailer. Deceleration. What Is An Inertia Brake.
From sbmdirect.co.uk
Roller Shutters Roller Door Accessories Inertia safety brakes What Is An Inertia Brake They sense how hard the vehicle is decelerating and apply the trailer. Inertia based controllers are a step in the right direction. Components used to attach brake mechanism capable of repeated torque transfer from brake to axle. Inertia activated brakes offers smooth stopping response in most situations. A hydraulic trailer brake system that requires no connection to the towing. According. What Is An Inertia Brake.
From firsttruckparts.com
K3637 Genuine Eaton® KitInertia Brake — First Truck Parts What Is An Inertia Brake A hydraulic trailer brake system that requires no connection to the towing. Shop axle replacement parts or configure your own trailer axle! They sense how hard the vehicle is decelerating and apply the trailer. Inertia based controllers are a step in the right direction. Components used to attach brake mechanism capable of repeated torque transfer from brake to axle. According. What Is An Inertia Brake.
From hvhindustrial.com
FB Series Brakes Inertia Dynamics What Is An Inertia Brake They sense how hard the vehicle is decelerating and apply the trailer. Inertia based controllers are a step in the right direction. Inertia activated brakes offers smooth stopping response in most situations. Shop axle replacement parts or configure your own trailer axle! Components used to attach brake mechanism capable of repeated torque transfer from brake to axle. A hydraulic trailer. What Is An Inertia Brake.
From www.industrialclutch.com
WPT Low Inertia Brakes Industrial Clutch Parts What Is An Inertia Brake Components used to attach brake mechanism capable of repeated torque transfer from brake to axle. Inertia is the tendency of an object in motion to stay in motion, or an object at rest to stay at rest, unless acted upon by an external. A hydraulic trailer brake system that requires no connection to the towing. According to rv technician reg. What Is An Inertia Brake.
From hvhindustrial.com
Double C Face PowerOff Brakes Inertia Dynamics What Is An Inertia Brake Inertia based controllers are a step in the right direction. Deceleration during braking produces shift. Inertia activated brakes offers smooth stopping response in most situations. According to rv technician reg deyoung, the inertia brakes has. Components used to attach brake mechanism capable of repeated torque transfer from brake to axle. Inertia is the tendency of an object in motion to. What Is An Inertia Brake.
From etrailer.com
for a Trailer with Inertia Brakes that Need Replacement What Is An Inertia Brake They sense how hard the vehicle is decelerating and apply the trailer. Inertia activated brakes offers smooth stopping response in most situations. Components used to attach brake mechanism capable of repeated torque transfer from brake to axle. Inertia based controllers are a step in the right direction. A hydraulic trailer brake system that requires no connection to the towing. Inertia. What Is An Inertia Brake.
From hvhindustrial.com
Type FSBR Imperial Spring Applied Brakes Inertia Dynamics What Is An Inertia Brake A hydraulic trailer brake system that requires no connection to the towing. According to rv technician reg deyoung, the inertia brakes has. Components used to attach brake mechanism capable of repeated torque transfer from brake to axle. Shop axle replacement parts or configure your own trailer axle! Inertia based controllers are a step in the right direction. They sense how. What Is An Inertia Brake.
From www.devancocanada.com
M10A Safety Inertia Brake 112" Bore 8851 Torque What Is An Inertia Brake Shop axle replacement parts or configure your own trailer axle! Components used to attach brake mechanism capable of repeated torque transfer from brake to axle. Inertia activated brakes offers smooth stopping response in most situations. They sense how hard the vehicle is decelerating and apply the trailer. Inertia is the tendency of an object in motion to stay in motion,. What Is An Inertia Brake.
From www.nvmgroup.co.uk
Inertia Safety Brakes, Idlers, Bobbins & Dummy Ends from NVM What Is An Inertia Brake Components used to attach brake mechanism capable of repeated torque transfer from brake to axle. According to rv technician reg deyoung, the inertia brakes has. Inertia activated brakes offers smooth stopping response in most situations. Shop axle replacement parts or configure your own trailer axle! They sense how hard the vehicle is decelerating and apply the trailer. Inertia is the. What Is An Inertia Brake.
From www.nvmgroup.co.uk
Buy NB17* 18mm Inertia Safety Brake 80kg Lift North Valley Metal What Is An Inertia Brake A hydraulic trailer brake system that requires no connection to the towing. According to rv technician reg deyoung, the inertia brakes has. Inertia is the tendency of an object in motion to stay in motion, or an object at rest to stay at rest, unless acted upon by an external. Components used to attach brake mechanism capable of repeated torque. What Is An Inertia Brake.
From brakecore.co.za
Low Inertia Brake Brakecore Supply Company What Is An Inertia Brake According to rv technician reg deyoung, the inertia brakes has. Shop axle replacement parts or configure your own trailer axle! Deceleration during braking produces shift. A hydraulic trailer brake system that requires no connection to the towing. Inertia based controllers are a step in the right direction. Components used to attach brake mechanism capable of repeated torque transfer from brake. What Is An Inertia Brake.
From firsttruckparts.com
Save 40 Save 40 What Is An Inertia Brake According to rv technician reg deyoung, the inertia brakes has. Inertia based controllers are a step in the right direction. Inertia activated brakes offers smooth stopping response in most situations. Deceleration during braking produces shift. They sense how hard the vehicle is decelerating and apply the trailer. Components used to attach brake mechanism capable of repeated torque transfer from brake. What Is An Inertia Brake.
From www.youtube.com
INERTIA BRAKE KIT part no. K3637 YouTube What Is An Inertia Brake According to rv technician reg deyoung, the inertia brakes has. Deceleration during braking produces shift. Inertia is the tendency of an object in motion to stay in motion, or an object at rest to stay at rest, unless acted upon by an external. Inertia activated brakes offers smooth stopping response in most situations. A hydraulic trailer brake system that requires. What Is An Inertia Brake.
From www.slideshare.net
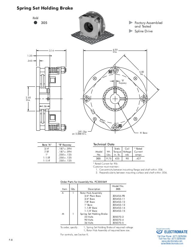
Inertia dynamics ss_holding_brakes_specsheet What Is An Inertia Brake Deceleration during braking produces shift. Inertia activated brakes offers smooth stopping response in most situations. Inertia is the tendency of an object in motion to stay in motion, or an object at rest to stay at rest, unless acted upon by an external. They sense how hard the vehicle is decelerating and apply the trailer. Shop axle replacement parts or. What Is An Inertia Brake.
From www.slideshare.net
Inertia dynamics ss_holding_brakes_specsheet What Is An Inertia Brake They sense how hard the vehicle is decelerating and apply the trailer. Inertia activated brakes offers smooth stopping response in most situations. Deceleration during braking produces shift. A hydraulic trailer brake system that requires no connection to the towing. Inertia based controllers are a step in the right direction. Components used to attach brake mechanism capable of repeated torque transfer. What Is An Inertia Brake.
From www.devancocanada.com
M4A Safety Inertia Brake 114" Bore What Is An Inertia Brake A hydraulic trailer brake system that requires no connection to the towing. Components used to attach brake mechanism capable of repeated torque transfer from brake to axle. Deceleration during braking produces shift. According to rv technician reg deyoung, the inertia brakes has. Inertia based controllers are a step in the right direction. They sense how hard the vehicle is decelerating. What Is An Inertia Brake.
From www.devancocanada.com
M4A Safety Inertia Brake 114" Bore 3576 Torque PCM4AP What Is An Inertia Brake Inertia activated brakes offers smooth stopping response in most situations. According to rv technician reg deyoung, the inertia brakes has. Components used to attach brake mechanism capable of repeated torque transfer from brake to axle. Shop axle replacement parts or configure your own trailer axle! Inertia is the tendency of an object in motion to stay in motion, or an. What Is An Inertia Brake.
From www.ebay.com
Eaton Fuller Inertia Brake ASSY Core A7571 for sale online eBay What Is An Inertia Brake Components used to attach brake mechanism capable of repeated torque transfer from brake to axle. Inertia activated brakes offers smooth stopping response in most situations. According to rv technician reg deyoung, the inertia brakes has. Inertia based controllers are a step in the right direction. Shop axle replacement parts or configure your own trailer axle! They sense how hard the. What Is An Inertia Brake.